
来源:中建智库研究院

一、什么是EPC工程总承包
工程总承包是国际通行做法,英文缩写EPC(EngineeringProcurement Construction),即设计、采购、施工一体化。是一种把设计、采购、施工等任务进行综合,发包给一家工程总承包企业的模式。传统的发承包模式是分别把设计、施工任务发包给不同的企业,形成设计承包、施工总承包及专业承包的合同结构,设计、施工单位之间是一种平行的,彼此分离的关系,他们各自与业主形成发承包的关系,是一个业主下的多个承包单位,这种模式的主要缺点是设计与施工分离,致使投资增加以及设计和施工不协调而影响建设质量及进度。
1、业主把工程的设计、采购、施工工作全部委托给一家工程总承包商承担,总承包商对工程的安全、质量、进度和造价全面负责。
2、总承包商可以把部分设计、采购和施工任务分包给分承包商承担,分包合同由总承包商与分承包商之间签订。
3、分承包商对工程项目承担的义务,通过总承包商对业主负责。
4、业主对工程总承包项目进行整体的、原则的、目标的协调和控制,对具体实施工作介入较少。
5业主按合同规定支付合同价款,承包商按合同规定完成工程;最终合同双方按合同规定验收和结算。
EPC优势
1、合同关系简单,组织协调工作量小,有利于优化资源配置,减少了资源占用与管理成本,业主方摆脱了工程建设过程中的杂乱事务,避免了人员与资金的浪费。
2、缩短招投标周期和建设周期,提升招标层次,有利于投资控制,把“投资无底洞”消灭在工程发包之中。
3、有利于提高全面履约能力,并确保质量和工期,业主和承包商的责任划分明确。EPC将大部分项目风险转嫁给承包商。承包商在经济和工期方面要承担更多的责任和风险。传统模式下业主要承担政治风险、社会风险、经济风险、法律风险和外界风险。EPC模式下,上述传统模式中的外界风险、经济风险一般都要求承包商来承担。便于充分发挥大承包商所具有的较强技术力量、管理能力和丰富经验的优势。由于各建设环节均置于总承包商的指挥下,各环节的综合协调余地大大增强,确保质量和进度。
EPC工程总承包的主要内容
1、规划设计
规划设计包括方案设计、设备主材的选型、施工图及综合布置详图设计以及施工与采购规划在内的所有与工程的设计、计划相关的工作。
(1)方案设计主要研究工程方案,确定技术原则。包括编制工艺流程图、总布置图、工艺设计以及系统技术规定等。
(2)详细设计主要是施工图及综合布置详图的设计、设备技术规定和施工技术规定。在设备订货、工程分包和施工验收工作中涉及的工程设计方面的问题以及施工过程中的设计修改也属于详细设计的范畴。
(3)施工与采购规划主要包括确定施工方案、进行工程费用估算、编制进度计划和采购计划,建立施工管理组织系统以及取得建设许可证等工作。
2、采购
采购工作包括设备采购、设计分包以及施工分包等工作内容。其中有大量的对分包合同的评标、签订合同以及执行合同的工作。与我国建筑企业的采购部门相比,工作内容广泛,工作步骤也较复杂。
3、施工管理
除了工程总承包商必须负责的工程总体进度控制、品质保证、安全控制外,还要负责组织整个工程的服务体系(如现场的水平、垂直运输、临时电、水、场地管理、环保措施、保安等)建立和维护。按照中国现行规范,总包还要用自己直属的施工队伍完成主体结构的施工。
二、什么是Turnkey交钥匙工程
1、是EPC工程总承包的延伸;向前可延伸到可行性研究,向后可延伸到开车操作。
2、承包商向业主提交的是功能满足合同要求,配套设施齐全,“转动钥匙”即可投入使用的工程。
3、适用于业主要求承包商有确定的工期、造价、质量保证,而作为回报,业主愿意支付较高的承包费用的工程项目。项目实施的大部分风险转移给承包商。
4、业主只按合同规定的工期、造价、质量保证进行验收,对项目实施过程介入较少。
5、业主、总承包商、分承包商之间的合同关系与 EPC工程总承包相同。
三、EPC项目组织机构

职能式项目组织机构的主要特点是,职能业务界面比较清晰,专业化管理程度较高,有利于管理目标的分解和落实。
1、有利于有效利用人力资源。
2、有利于提高公司和项目的技术水平。
3、有利于保证设计质量。
4、有利于基础工作和经验的积累。
5、有利于合同管理。
6、有利于项目管理和控制。
7、有利于从专业部室和项目双向保证项目目标的实现。
鉴于本项目为我集团第一个试点项目和时间要求,设计需要派各专业的精干人员至少各一名、其他部门均由各部门派一名本部门业务较熟练人员参与本项目的各项工作,各部门人员为兼职人员,但需以本项目为重点。
四、工程总承包单位职责
1、负责项目的方案扩初设计调整及完善、施工图设计;
2、协助建设单位做好项目的前期(如消防、防雷、规划、环保、墙改等)报建工作;
3、协助建设单位做好施工图审查工作;
4、协助建设单位做好建筑节能专项审查工作;
5、负责项目设备的采购工作;
6、负责项目分包商的选定工作;
7、负责与项目相关方的协调;
8、负责工程建设的项目管理、监督和协调工作;负责工程变更控制管理;
9、负责工程的竣工验收工作;结算办理;工程保修工作;
10、负责建成项目后向建设单位的移交工作;
11、负责项目尾款的收取;
12、合同约定的其他工作。
五、各职能部门职责:
1、设计部职责
(1)负责组织工程设计工作实施,对工程的设计进度、质量等工作负责,确保设计产品质量优良、建设单位满意;
(2)负责专业设计人员之间的协调工作;
(3)负责设计进度的监督、检查、实施,与项目部随时保持联系,发现问题,及时采取措施处理;
(4)参加主要专业设备招标文件的技术部分编制、评标、采购合同拟定及货到验收工作;
(5)负责施工图纸及有关资料的提交,协助完成施工图审查,组织设计人员参与施工图图纸会审;
(6)负责限额设计、优化设计,确保设计质量优良、降低工程造价;
(7)负责协调施工中发现的与设计有关的技术、质量问题,及时出具设计变更或处理措施,保证工程按计划开展。必要时组织召开由设计人员或相关专家参加的专题会;
(8)工程施工结束后,收集、整理施工过程签发的设计变更、处理意见,配合工程部做好移交工作;
(9)配合项目部做好设计回访工作,收集、整理相关资料,为后续工程提高设计质量做好完善总结工作。
2、物资部职责
(1)掌握工程项目的工程量、投资额及设备材料的需求量及使用时间,编制项目采购计划;
(2)负责组织物资计划、物资招标采购、选择合格的供货厂商、合同洽谈、合同审核、付款申请等各类相关文件的审核、审价工作。监督检查合同的执行情况,组织做好设备、材料的催交、设备检验、监制、运输及交接工作;
(3)多渠道了解市场信息,降低物资采购成本,掌握和分析资金占用情况,合理控制流动资金使用,确保物资供应,加速资金的周转;
(4)负责项目部固定资产、生活物资、劳动保护用品、低值易耗品和办公用品的购买、领用、回收、建立台账、登记记录;
(5)负责各单位之间及员工之间固定资产的相互共享和调配使用,做到账账相符、账物相符。
3、造价部职责
(1)参与项目的决策阶段,包括项目计划阶段、可行性研究阶段和投资回报估算。配合相关部门对项目建设做出科学的论断,选择最佳投资方案;
(2)负责项目的预算编制和决算编制,项目进行过程中随项目进度完成工程量计取,工程款拨付的审核工作;
(3)对所做出的造价成果负责。
4、工程部职责
(1)负责工程施工组织、质量管理、工程技术档案、项目工程管理等工作,确保工程产品质量优良,争创优质工程;
(2)贯彻执行国家、行业、地方及上级主管部门颁发的工作的方针、政策、法令、法规、规程、规范、标准;
(3)编写施工技术、质量管理、安全管理工作计划,审批后组织落实;
(4)负责做好工程重点部位施工技术措施、方案的编制工作,并按要求进行逐级技术交底,做到技术交底有记录、有保存;
(5)负责项目设计、监理、设备供应商、分包商之间的协调工作;
(6)组织施工现场保卫、消防、安全、环保、防灾、文明施工等工作。
(7)组织核实并接受业主提供的施工条件及资料,掌握施工过程中关键重要控制点和存在的问题,对施工技术、质量、监视、文明施工等管理实施全过程控制,对发现的问题及时采取预防、纠正、整改等措施,确保工程质量合格优质;
(8)负责组织编制项目施工组织设计,并报项目经理审批,作为质检部检查的依据;
(9)根据项目进度配合设计部编制施工图设计进度,配合物资部编制设备和原材料交付进度。提前预测与施工、设计、物资有关条件的落实,并及时采取措施;
(10)负责施工现场五通一平规划,安排施工水源,施工电源,施工通信,施工道路,排水防洪等的施工组织。负责施工平面总布置管理,统筹安排施工场地使用;
(11)组织编制开工前施工准备工作计划,在开工前组织对施工准备的全面检查,并确认是否按要求达具备开工条件。组织编制项目开工申请报告,审查施工单位开工报告;
(12)参加施工分包商和主要设备招标的技术评标工作。拟定分包合同与主要设备采购合同的技术条款;
(13)组织向施工分包商提供施工图纸及有关资料,组织施工图会审,协调各施工分包商之间交叉和接口;
(14)负责派员参加专业设备开箱验收、资料接收工作;
(15)组织办理工程设计变更,处理措施及材料代用等工作;
(16)负责向市场部、财务部、造价部提供有关工程进度资料,作为工程量计取、工程款拨付和催缴的依据;
(17)负责工程停检点组织各方及主管部门综合验收工作,并做好资料制作、分类、整理、保存工作;
(18)负责在上级工程检查过程中,完善工程资料,组织相关人员迎接检查等工作;
(19)工程完成后,组织各方对项目试运行进行综合检查,组织编制竣工资料,做好工程项目竣工后各项固定资产、原材料与物资部交接工作及其他现场撤离工作;
(20)负责按档案管理要求组织档案,图纸,文件,资料的整编,归档,保管等工作,确保归档的项目文件符合规定文本格式。组织工程技术档案管理,竣工图纸,资料的移交工作,参与竣工决算工作;
(21)负责做好工程竣工后保质保修期内工程维修工作,达到客户满意。
(22)监督项目施工过程中的安全管理、文明施工、防火、交通、机械安全以及环境卫生、生活卫生、环境保护等方面存在的问题;
(23)编制项目的质量计划,建立项目质量管理组织,明确各级和各专业的责任。按相关要求监督检查项目施工质量、安全文明施工及施工进度执行情况,并对施工质量、安全、进度负责,如发现有过程中有问题存在,有权要求施工单位下令整改或停止施工,并报项目经理及时处理;
(24)管理对不合格问题的处理,分析原因、制定纠正措施,以及跟踪检验其有效性;
(25)参与重大施工方案的安全技术措施审查,并对全过程进行监督检查;
(26)组织协调施工现场防洪、防风暴、防水、防雪、防灾等工作;
(27)负责受理和解释业主及有关方面的质量咨询及质量投诉。
5、财务部职责
(1)负责与项目相关所有合同的审核、备案工作;
(2)负责制定项目的用款、回款计划,经审批后按计划实施;
(3)负责按合同和计划向业主催收各种款项;
(4)负责组织项目现金管理和成本核算;
(5)办理设备材料付款,办理施工工程付款;
(6)处理工程欠款、拒付、索赔等事项;
(7)办理各种保险,缴纳各种税费;
(8)竣工财务结算;
(9)负责项目会计的管理工作,原始凭证的审核,准确完整记账、算账、报账及财务档案整理工作。
6、市场部职责
(1)负责与建设单位沟通,了解建设单位意图,完成前期招投标工作;
(2)负责项目投标文件的商务条款的编制和审核;
(3)负责总承包合同的签订及商务条款的解释和审核;
(4)在项目实施过程中,监测项目收费节点,并定期催缴应收款。
7、综合部职责
(1)负责项目开工前的准备工作,如办公、住宿、后勤保障的建设和固定资产、相关物资、办公设备、办公用品的调配使用、申报购领等准备工作;
(2)负责项目部接待工作、安保工作、后勤管理、食堂管理、宣传报道工作等;
(3)负责项目部人员正式、聘用、临时用工档案的台帐记录;
(4)负责国家有关部门、行业、集团等部门公文的收、发管理工作,建立好登记记录;
(5)负责优良工程报优评比工作;
(6)负责与项目有关的招待工作及公务用餐的管理;
(7)负责项目部的劳务工资、聘金、节假日加班、通讯交通费等的整理报审、发放管理工作,并做好原始资料的保管;
(8)负责对项目部的考核考勤记录和整理工作,并作为工资、奖金发 放的依据;
(9)负责完成部领导交办的其他各项工作。
六、项目总承包人员任职条件和职责:
1、总承包企业项目经理职责范围
6.1.1工程总承包企业项目经理
(1)总则
1)工程总承包企业应在工程总承包合同生效后,立即任命项目经理。
2)项目经理责任制是项目管理工作的基本制度,是实施和完成项目管理目标的根本保证,同时也是评价项目经理绩效的依据和基础。
3)项目经理责任制的核心是贯彻实施项目管理目标责任书,其具体内容包括:项目经理的职责、权限、利益与奖罚。
4)项目经理与项目经理部在项目管理工作中应严格实行项目经理责任制,确保项目目标顺利实现。
(2)项目经理的任命条件
总承包企业应明确项目经理的任职条件,确认项目经理任职资格,并对其进行管理。EPC总承包商项目经理应具备以下条件:
1)具有各类注册工程师、注册建造师、注册建筑师等一项或多项执业资格。
2)具备决策、组织、领导和沟通能力,能正确处理和协调与业主、相关方之间及企业内部各专业、各部门之间的关系。
3)熟悉工程总承包项目管理的专业技术和有关项目管理的经济和法律、法规知识。
4)具有类似项目的管理经验。
5)具有良好的职业道德。
(3)总承包项目管理目标责任书
总承包企业在任命项目经理后,应与项目经理签订项目管理目标责任书,并将其作为考核项目经理和项目经理部的依据。项目管理目标责任书包括以下主要内容:
1)规定应达到的项目进度、费用、质量、HSE目标等。
2)明确工程总承包企业各职能部门与项目经理部之间的关系。
3)明确项目经理的责任、权限、利益和奖惩。
4)明确项目所需资源及计算方法,企业为项目提供的资源和条件。
5)企业对项目经理部人员进行奖惩的依据、标准和办法。
6)项目经理解职和项目经理部解体的条件及方式。
7)在企业制度规定以外的、由企业法定代表人向项目经理委托的事项。
(4)项目经理的责权利
1)总承包项目经理的职责
总承包项目经理应履行下列职责:
①贯彻执行国家有关法律、法规、方针、政策和强制性标准,执行工程总承包企业的管理制度,维护企业的合法权益。
②代表总承包企业组织实施工程总承包项目管理,对实现合同规定的项目目标负责。
③完成“项目管理目标责任书”规定的任务。
④在授权范围内负责与项目其他参与方的协调,解决项目中出现的问题。
⑤对项目实施全过程进行策划、组织、协调和控制。
⑥负责组织处理项目的管理收尾和合同收尾工作。
⑦接受和配合各项审计工作。
2)总承包项目经理的权限
总承包项目经理应具有下列权限:
①经授权组建项目经理部,提出项目经理部的组织机构,选择、聘用项目经理部成员,确定项目经理部人员的职责。
②在授权范围内,行使相应的管理权。
③在合同范围内有权使用工程总承包企业的相关资源,并取得有关部门的支持。
④主持项目经理部的工作,组织制定项目的各项管理制度。
⑤根据企业法定代表人授权,协调和处理与项目有关的内、外部事务。
3)总承包项目经理的奖惩
对总承包项目经理的奖惩应包括:
①经过考核和审计,工程总承包项目绩效显著,应按“项目管理目标责任书”的规定获得表彰和奖励。
②经过考核和审计,由于项目经理失职导致未完成合同目标,或给企业造成损失,应按“项目管理目标责任书"的规定承担相应处罚。
6.1.2工程总承包企业对总承包项目经理部的支持与监管
工程总承包企业对总承包项目经理部的支持与监管主要体现在以下几个方面:
(1)企业领导层应定期审查项目经理的月报或季度报告,在出现项目经理无法解决的事件时出面解决该问题,协调项目经理部与业主或其他参与方的关系。
(2)根据项目经理的要求,企业各相关部室选派人员组成项目经理部,并为这些项目经理部的人员提供相应的技术、资料等方面的支持。
(3)企业各相关部室对总承包项目的进度、费用、质量和HSE等方面具有监督、检查的权力。
(4)企业应对项目经理部各项工作进行阶段性评审和最终评审。
2、设计部的人员岗位职责范围
(1)项目设计经理
项目设计经理负责组织协调项目的设计工作,全面负责设计的进度、费用、质量和HSE等的管理。如果需要进行设计分包,则负责对设计分包商的选择、评价、监督、检查、控制和管理。其主要职责和任务如下:
1)项目设计经理应该保持与业主、监理、采购部、工程部、造价部、市场部等部门及施工承包单位的有效沟通,保证施工程序和采购活动符合设计要求。
2)研究、熟悉合同文件确定的工作范围,明确设计分工,进行设计工作分解,提出设计工作分解结构清单。
3)组织审查工程设计所必需的条件和设计基础资料,主要包括:设计依据、业主提供的设计基础资料和有关协作协议的文件。
4)编制项目设计计划,会同项目部编制设计进度计划。
5)组织各专业确定设计标准、规范、项目设计统一规定和重大设计原则,研究和确定重要技术方案,特别是综合性技术方案、各专业的衔接,以及节能、环保、安全卫生等。
6)主持有关的设计会议,参加采购部召开的供应商协调会。按期提交采购必需的技术文件,对供应商的报价进行技术评审,审查设备先期确认图纸和最终确认图纸。
7)组织设计文件的汇总、入库和分发;工程设计结束后,组织、整理和归档有关的工程档案;编写工程设计完工报告。
8)项目施工阶段,组织设计交底,派遣设计代表,审查并组织设计修改。
9)项目试运行阶段,参加试运行方案的讨论,组织设计人员参加试运行前施工安装的检查,组织设计人员参加试运行、考核和验收。
10)组织各专业做好项目设计总结。
(2)专家组
专家组负责项目中的重大技术方案的指导和咨询,参加项目重大技术方案的评审与决策。
(3)审查人
当设计任务进行分包时,设计部要设置审查人,其职责如下:
1)参加专业设计原则和重要技术问题的讨论,参加专业间的衔接和技术方案讨论。
2)按各专业设计统一技术规定的要求,审查设计分包商提交的设计成品。
3)对不符合设计统一技术规定的产品,审查人有权要求设计分包商更改或重新设计。
4)在审查过程中,若审查人与设计分包商有不能达成一致意见的技术问题,应报项目专家组评定和决策。
(4)专业负责人
专业负责人的职责如下:
1)协助项目经理和项目设计经理拟定必要的合同文件,组织本专业人员开展勘察、设计工作,收集项目设计基础资料,落实设计条件,明确工作范围,编制本专业设计统一技术规定和相关技术文件。
2)编制并下达设计任务单,落实进度,提供本专业人力资源负荷表,代表本专业确认项目总进度计划和专业进度计划。
3)组织本专业人员核实进度计划,落实关键技术问题,做好技术方案比较,并编制专业详细进度计划。
4)代表本专业参加设计文件的会签和设计交底,注意与其它专业的衔接和协调关系,参与相关专业的技术方案讨论。
5)审查本专业采购询价技术文件,参加报价技术评定。
6)组织本专业人员严格执行质量手册,按质量管理程序的规定审核本专业发表的设计文件和提出的设计条件、设计成品。
7)组织对本专业的成品、设计基础资料、调研报告、文件、函电、设计变更、总结等文件的整理和归档,参加编制项目设计完工报告。
(5)审定人
审定人负责本专业设计文件的审定和签署,其职责如下:
1)负责确定本专业设计应遵循的标准、规范。
2)参加本专业设计原则和重要技术问题的讨论,指导设计人、校对人、审核人解决疑难技术问题,确定本专业重大设计方案。
3)认真执行质量手册,按质量管理文件的规定进行设计文件的审定和签署。
4)监督检查本专业对质量计划的实施情况,解决项目实施中的重大质量和技术问题。
5)协调和处理设计人、校对人、审核人之间的不同意见。
(6)审核人
审核人负责本专业设计文件审核工作,其职责如下:
1)参加设计原则和主要技术问题的讨论,指导并帮助设计人员、校对人员解决技术疑难问题,对主要技术问题和技术方案的正确性和合理性负主要责任。
2)负责审核的主要内容如下:设计原则、设计方案是否符合项目初步设计成果和上级审批意见的要求,设计内容是否完整无遗漏,设计成品是否符合有关标准、规范和工程设计规定。
3)认真执行质量手册,按质量管理文件的规定进行审核,认真填写校审记录表,真实记录审核意见,签署后提交审定人。
4)监督检查本专业对质量计划实施情况,解决设计过程中的质量和技术问题。
5)及时处理设计人与校对人的不同意见。
(7)校对人 .
校对人在项目专业负责人领导下,对设计文件进行校对工作,其职责如下:
1)与设计人共同确定本专业设计原则和设计方案。
2)对所校核的设计图纸和设计文件的质量负责,并按规定签署设计图纸、设计文件和计算书。
3)负责校对设计文件是否完整正确,内容是否符合有关标准、规范和规定。校核的范围是全套设计文件,包括设计条件、图纸、说明书、表格、计算书等。
4)执行质量管理文件,对设计文件进行复校,应填写设计文件校对意见记录表,签署后提交审核人。
5)及时填报设计进展赢得值和实耗值。
6)发现问题应及时与设计人员讨论研究,妥善处理。
(8)设计人
设计人在项目专业负责人领导下,承担具体的设计任务,其职责如下:
1)根据设计开工报告和设计任务单的要求,按照专业负责人的安排,编制作业计划。
2)认真贯彻执行有关标准、规范和规定,收集资料,正确应用设计基础资料和设计数据,选用正确的方法、公式和程序等,同时吸取国内外生产实践和科研成果,进行方案比较和技术经济分析,确定或推荐设计方案。
3)方案确定后,按项目规定编制设计文件,做好具体的设计工作。同时根据任务要求提出请购文件和配合采购工作。
4)认真执行质量手册,做好文件的编制、绘图及自校工作。按校对人、审核人意见、设计评审纪要,对设计文件进行修改并签署。
5)与相关专业密切配合,检查接受的设计条件,根据设计条件的要求进行设计,提供给其它专业的技术接口条件要正确、完整、清晰,经校对人、审核人员签署后按时提出。
6)进行设计文件、质量记录表的整理、入库和归档工作,作好设计服务工作。
(9)现场设计代表
现场设计代表主要负责组织、协调施工现场的设计服务工作,其具体职责如下:
1)组织踏勘选线,图纸会审和设计交底,配合施工、试运、投产和竣工验收工作,并组织解决出现的技术问题。
2)组织各设计分包商编制采购设备、材料的技术文件,及时组织处理采购过程中出现的设计方面的技术问题。
3)负责协调各专业、各设计分包商之间的衔接,解决各设计专业和设计分包商之间的技术问题,发生重大问题需及时向项目设计经理和项目经理汇报。
4)负责现场设计文件的整理和归档工作。
3采购部的人员岗位职责范围
(1)项目采购经理
项目采购经理负责组织管理总承包项目的采购业务,包括采买、催交、检验、运输、交接等工作。全面完成采购工作的进度、费用、质量和HSE目标。EPC总承包商与供应商之间的日常工作联系,由项目采购经理归口管理。
项目采购经理的主要职责和任务如下:
1)协调与监理、工程部、设计部等和施工承包单位的关系。
2)编制项目采购计划,明确项目采购工作的范围、分工,采购原则、程序和方法,采购特殊问题。
3)根据项目总进度计划,组织编制采购进度计划,并根据采购预算编制采购用款计划。
4)协助设计部编制材料规格书,审查由设计部提供的请购文件。
5)组织编制设备、材料询价商务文件,并与设计部提供的询价技术文件组成完整的询价文件。
6)选择合格的供应商,按总承包合同规定提交业主认可,向供应商发出询价,并组织对供应商报价的评审,向业主推荐中标供应商。
7)组织项目采购成员完成对供应商先期确认图纸和最终确认图纸的催交,以及催货、材料检验、驻厂监造、运输和交接等工作。
8)负责处理设备在安装和试运行过程中发现的质量和缺损件等属于采购业务范围内的有关问题,以及联络供应商的售后服务工作。
9)负责现场采购,组织好采购的现场服务工作。
10)组织对项目有关采购文件、资料的整理归档,组织编写项目采购完工报告。
(2)采买工程师
采买工程师在项目采购经理领导下,具体负责从接受请购文件到签发采买订单(即签订采购合同)这一过程的工作。
1)根据设计部提供的请购文件,提交拟选供应商,经项目采购经理 审查,项目经理批准,并取得业主的认可。
2)进行供应商资格评审。
3)编制询价文件中的商务部分,并与询价技术文件整合成完整的询价文件,向供应商询价。
4)接受报价文件,协助项目采购经理组织对报价的评审。根据报价评审与报价比选结果,整理定标书面材料,送项目采购经理审查,报项目经理批准。
5)编制采买订单(即设备、材料采购的合同文件),经项目采购经理审查,项目经理批准后签发。
6)组织合格供应商协调会,确定最终的中标供应商,经项目采购经理审查,报项目经理批准后发出中标函,通知中标供应商。
7)负责管理采买工作的文件、资料,总承包项目结束时整理、归档。
(3)催交工程师
1)催交工程师在项目采购经理领导下,负责从发出采买订单后至货物运抵现场之间向供应商催交与联络的工作,保证交货进度。
2)根据采购合同文件,明确供应商与EPC总承包商的责任分工,制订催交计划,尽早与供应商取得联系,及时发现有关问题。必要时召开供应商开工准备会,讨论采购合同的实施方案,包括设计进度、制造进度、检验日程等。
3)在设备设计阶段,了解设计进展情况,及时发现问题,研究解决办法,催促供应商提交有关图纸(先期确认图和最终确认图)、资料和数据,督促设计部按时确认并返回给供应商。
4)在设备制造阶段,随时了解制造进展情况,发现有影响供货进度的问题,要及时向供应商提出,并向项目采购经理报告。
5)为了保证按期将货物运抵现场,要督促检查供应商对运输的准备工作。如:货运文件的准备,包括报关手续、进出口许可证等。
6)负责管理催交工作的文件、资料,总承包项目结束时整理、归档。
(4)检验工程师
1)检验工程师在项目采购经理领导下,负责组织检验设备、材料,保证设备、材料的质量。
2)根据采购合同文件中对检验的要求,制定检验计划。 .
3)在设备制造开始前,组织召开协调会议,与供应商明确对材料的检验要求,检验的内容、方式、时间以及各自的责任等事项。
4)在设备制造过程中,根据需要和总承包合同要求,组织检验人员(采购部指派的或委托的专业机构或人员)进驻制造现场进行监造。
5)对于采购合同规定有业主参加检验的设备,负责与供应商联系,安排业主检验有关事宜。
6)设备制造完毕后,根据采购合同文件中规定的技术规格和要求,组织检验人员对所采购的设备、材料进行出厂检验或测试,并写出检验报告。
7)参加设备运抵现场之后的开箱检验,发现与质量有关的问题,负责协调解决。
8)在施工、安装、试运、投产期间,以及质量保修期内,发现设备缺陷,负责协调解决缺陷修补有关问题。
9)负责管理检验工作的文件、资料,总承包项目结束时整理、归档。
(5)运输工程师
1)运输工程师在项目采购经理领导下负责以合理的最低费用,按期将货物安全运抵施工现场。
2)根据项目具体情况,制定运输计划及运输方案。
3)准备有关检查和督办的货运文件,包括出口许可证、报关、业主所在国货物进港审批等手续。
4)调查并解决超限设备的运输工具、装卸设备以及所经路线、桥梁加固等问题,妥善解决超限设备的运输问题。
5)检查货物的包装防护情况,提出对包装防护的要求,防止货物在运输和贮存过程中的损坏、变质、丢失等情况发生。
6)估计运输所需时间(包括:货运、港口装卸、商检等所需的时间)。制定合乎实际的货运时间表,组织货物的运输,保证按期将货物安全运抵施工现场。
7)负责管理运输工作的文件、资料,总承包项目结束时整理、归档。
4造价部的人员岗位职责范围
(1)造价控制经理
负责总承包合同、采购合同(分包合同)等有关工作的管理,并汇总各类记录。协助项目经理对项目成本、进度进行控制和协调,并定期提交项目进展情况及合同执行情况的分析报告。
主要工作内容:
1)负责项目成本的控制,编制项目成本控制计划,管理费用成本控制计划并监督实施。
2)负责各方联系单的审核工作,明确对合同的影响,并报告项目经理。
3)负责对专业工程师签署的采购请购单进行核查。
4)编制进度控制计划,监督实施情况。
5)按月提交进度和成本执行报告,进行绩效分析。
6)对各类合同执行过程中出现的变更和争议及时向项目经理和公司领导进行汇报,并以书面形式进行归档整理。
7)汇总各类记录,协助项目经理对项目进度成本进行控制和协调,并定期提交项目进展情况及宏观分析报告。
8)组织编制中间支付和决算支付结果文件。
9)对中间支付和决算支付签署意见。
10)负责向业主方提交支付申请报告,负责催收款。
(2) 造价工程师
1)项目造价工程师由造价部派出,在项目经理领导下工作。
2)负责制订和执行项目费用控制计划,在项目实施全过程中对项目费用实施控制。
3)建立项目工作分解结构,为实行费用/进度综合控制奠定基础。
4)根据项目初期控制估算,进行费用分解,经项目经理批准后形成分项/分类费用控制的指标,下达给设计、采购、施工及调试经
5)根据批准的控制估算、项目进度计划、配合进度控制工程师编制项目执行效果测量基准。
6)定期汇总计算费用偏差,进行偏差分析,找出存在问题,提出纠正和解决措施。
7)运用趋势预测技术,根据发生偏差的原因和性质预测偏差的发展趋势,计算在项目竣工时可能出现的费用偏差。
8)当发现分项/分类费用超出费用控制指标时,及时报告项目经理,组织有关专业研究解决措施。
9)当发现设备、材料采购报价超出定价时,及时报告项目经理,组织有关专业研究解决措施。
10)对施工分包和调试服务分包(必要时)的招标进行合同价格的监控。
11)编制项目实施费用状态报告和项目费用汇总报告,向项目经理以及设计、采购、施工等提供费用控制执行的情况。
12)对设计、采购、施工、调试服务分包合同费用支付实施监控,当发现实际支付费用偏离费用计划时,监督采取纠正措施。
13)负责会签用户变更通知单和项目变更通知单。经用户和项目经理批准的费用变更,可调整费用控制基准。
14)管理不可预见费的使用,每月向项目经理报告不可预见费使用情况。
15)审查施工分包商编报的工程进展赢得值测量报表和实耗值统计报表,并进行累加和汇总。
16)审查会签进度付款结算单。
17)按月进行施工费用执行情况分析、预测,对偏离费用控制计划的任何倾向,及时向施工经理提出解决的措施和调整意见。编写施工费用月报,经施工经理审查,报项目财务经理和项目经理。
18)审核施工分包商根据设计变更或施工变更编制的施工费用变更,报控制经理核准。
19)配合组织工程索赔的工作。配合施工分包合同管理工程师(或索赔工程师)办理费用索赔。
20)工程竣工及验收后,协助财务经理对用户及施工分包商进行工程结算或决算,审核施工分包商的工程结算单,经会签交财务经理/财务管理员作为办理付款手续的依据。
21)项目结束时,对项目费用控制、变更及实际执行情况资料进行整理、归档。
22)编制项目施工费用管理总结。
5、工程部的人员岗位职责范围
(1)项目技术管理工程师
1)技术管理工程师负责施工技术管理和指导工作。
2)在施工分包招标阶段,协助项目经理对投标文件进行技术评价,参与起草分包合同中有关技术条款。
3)熟悉工程设计图纸,组织设计可施工性分析,从施工角度对设计提出意见。
4)接受工程设计部组织的设计交底,审查提供现场施工图纸资料的深度与完整性。
5)负责向施工分包商进行设计交底,解释设计意图。
6)审查施工分包商提出的施工组织设计和重大施工方案,提出改进意见。
7)在现场负责处理设计上出现的一般技术问题;对于较重大的技术问题应及时与本部设计经理联络,协助解决。
8)负责现场技术资料的管理。
9)负责业主变更、项目变更、施工单位变更申请的技术评审,并签署评审意见。管理设计变更资料。
10)负责审查现场材料代用申请。
11)参加施工工序中间交接、工程中间交接、工程交接,讨论和解决有关技术问题。
12)责现场总图管理、竣工图管理、交工技术资料管理。
13)收集、整理施工技术管理文件和资料,办理归档手续。
14)编制项目施工技术管理总结。
(2)项目质量管理工程师
1)协助项目经理建立和完善质量管理体系,保证其有效运转。
2)负责项目质量手册和项目质量计划的编制和维护工作,以保证按项目质量计划和批准的程序实施并完成项目工作内容。
3)协助编制、审查EPC总承包商项目经理部各部门和分包商的质量管理体系程序文件和详细的作业文件,以确保质量满足要求。
4)负责管理质量文件、资料和各项标准、规范、检验报告、不合格报告、纠正措施报告及各部门提交的质量文件等。
5)负责对项目的设计、采购、施工质量管理进行策划,并组织实施。
6)制定质量控制程序,负责各项设备制造及现场安装期间的检验和试验,并负责签发检验报告。
7)负责检查、监督、考核、评价项目质量计划的执行情况,验证实施效果。
8)按照国家有关规定和合同约定,对设计、采购、施工质量进行检叠,若有缺陷,督促有关部门改正。
9)组织对质量事故进行调查、分析,并督促有关部门采取纠正措施,负责事故报告的编写。
10)按照“质量报告编制规定"的要求编制质量报告。
(3)项目进度管理工程师
1)进度控制工程师负责进度计划和进度控制工作。
2)项目初始阶段制定项目总进度计划、子项主进度计划,确认施工进度计划。
3)编制项目年度(如需要)、季度、月度进度计划,经项目经理批准后,作为财务人员编制用款计划和费用控制的依据。
4)负责审查施工分包商提出的施工进度计划,将审查结果报告项目经理。确认进度施工计划并反馈下达给施工单位,审核施工单位根据下达的计划编制的月、周滚动计划。
5)参加施工现场施工调度会议,检查施工进度计划执行情况。
6)负责管理现场施工工期的索赔。
7)负责施工进度控制,编制进度执行情况报告。按照变更程序,对重大的业主变更、项目变更进行分析,评估其对进度计划的影响,供项目经理决策。根据批准的变更,调整和重新编制发表施工进度计划。负责对进度变更实施控制。当进度变更经业主和项目经理批准时,负责重新编制相关的进度计划。
8)审查施工分包商编报的工程进展测量报表和实耗值统计报表,并进行累加和汇总。
9)审查会签进度付款结算单,经费用控制人员审核后,交财务人员作为付款依据。
10)按周、月进行施工进度执行情况的分析、预测,发现问题及时提出解决措施。
11)收集、整理进度管理的文件和资料,办理归档手续。
12)编制项目进度管理总结。
6、财务部的人员岗位职责范围
1)项目财务经理由财务部派出,负责组织、管理项目的财务和会计业务。
2)项目初始阶段,参与编制项目计划,并负责编制项目财务管理计划。
3)负责编制项目资金流动计划,包括资金投入计划和资金回收计划。
4)参与项目的经济预测和决策。
5)负责项目的资金筹措。必要时协助用户进行资金筹措。
6)负责项目日常资金管理。
7)协同项目经理按合同和计划向用户收取各种款项(如:工程预付款、已完工程价款、已交付设备、材料价款等)。
8)做好项目会计工作,项目会计业务和帐目清晰。
9)采购设备、材料到货后,按规定办理设备材料付款。
10)提供设备材料的实际发生费用月报。
11)施工单位完成所承担工程并经验收后,按规定办理支付施工工程付款。
12)协助项目经理或索赔工程师办理索赔有关事项。
13)根据合同规定办理和管理各种保险。
14)按规定管理和交纳各种税款。
15)按照公司和合同规定编制项目财务报告。
16)负责办理设备、材料订货合同价款的结算。负责办理施工分包合同价款的结算。
17)工程竣工并通过竣工试验,负责办理与业主的竣工结算。
18)业主签发履约证书后,负责办理最终决算。
19)负责项目的成本核算。
20)负责财务监督、维护财经纪律
21)负责项目财务管理工作总结。
22)项目结束时,对参加项目的财务、会计人员提出评价意见。
23)组织项目财务、会计帐目、资料的整理、归档。
7、市场部的人员岗位职责范围
1)完成前期招投标工作;
2)项目投标文件的审核;
3)签订总承包合同及条款的解释和审核;
4)在项目实施过程中,按项目收费节点,定期催缴应收款。
8、综合部的人员岗位职责范围
1)协助项目经理办理项目的事务和文书管理工作。
2)传达项目经理的决定和批示,加强项目部(组)内、外工作的联系。
3)编制和执行项目办事规则。如:考勤、请假、差旅、会议、报告、文件管理等规章制度。
4)收发保管项目来往函电、保证信息的及时传递。
5)督促、检查各部门之间文件资料的正常发送,催促有关部门办理尚未答复的函电。
6)协助甲方办理项目建设相关手续。
7)协助甲方做好与政府部门、水电暖气等市政配套及工程建设外部环境的协调工作。
8)协助项目经理办理项目管理中的事务性工作。诸如:接待、联络、会务等等。组织项目部日常办公及有关活动安排,为项目各部门提供后勤保障,为项目部的正常业务开展做好服务。
9)负责项目各类会议、重要活动的组织筹备。
10)负责项目文件、资料、报告、记录的整理、编号、归档等工作,保证文件的完整、准确及有效地运用。
11)负责项目实物资产管理。
12)负责甲供材及设备考察学习组织安排。
13)项目结束时组织对项目文件、资料的清理和归档入库工作。
14)进行项目行政管理、文秘等工作的总结。
15)完成领导交办的其他事务。
9、施工承包单位的岗位职责范围
(1)项目施工经理
项目施工经理负责组织管理总承包项目的施工任务,全面保证施工进度、费用、质量以及HSE目标的实现。当具体施工任务委托施工分包商时,负责对分包商的协调监督和管理工作。在项目实施过程中,项目施工经理应接受项目经理的领导。
其主要职责和任务如下:
1)参加研究设计方案,从施工角度对设计提出意见和要求。
2)按总承包合同条款,核实并接受业主提供的施工条件及资料,如坐标点、施工用水、施工用电交接点、临时设施用地、运输条件等。
3)编制项目施工计划,根据项目总进度计划,组织编制项目总体施工进度计划。
4)按照合同及总体施工进度计划进行施工准备工作,组织业主、施工分包商对现场施工的开工条件进行检查。条件成熟时提出“申请工程施工开工报告”,准时开工。
5)确定现场的施工组织系统和工作程序,商定现场各岗位负责人。
6)组织编制施工管理文件,包括施工协调程序,施工组织设计,施工方案,施工费用控制办法,施工质量和HSE管理以及现场库房管 理等文件。
7)会同项目部制定施工工作执行效果测量基准,测定、检查施工进展。
8)定期召开施工计划执行情况检查会,检查分析存在的问题,研究处 理措施,按月编制施工情况报告。重大问题及时向项目经理,工程总承包企业和业主报告。
9)当委托施工分包商进行施工时,参与施工分包工作,负责对分包商的协调监督和管理。
10)施工任务完成后,组织编制竣工资料,提出“申请工程交工报告”,协助项目经理办理工程交工。
11)试运行考核阶段负责处理有关施工遗留问题,或根据合同要求进行技术服务。
12)组织对项目施工文件、资料的整理归档,组织编写项目施工完工报告。
(2)工程管理工程师
1)工程管理工程师在项目施工经理领导下,负责项目施工分包商的管理与协调工作。
2)在施工分包合同签订之前,协助项目施工经理做好招标准备,参与招标文件和标底,对投标单位进行资格审查,招标、评标以及签订施工分包合同等。
3)施工开工日期确定之后,通知并催促施工分包商进入现场,落实施工开工各项准备工作。
4)负责现场的工程管理,根据需要召开各施工分包商工作调度会议,协调解决与施工分包商、业主之间出现的有关施工问题。
5)跟踪施工质量和施工进度,监督施工分包商按照合同有关规定和施工计划实施工程。
6)核实和处理有关变更问题及其对进度和费用的影响。
7)协助控制部进行现场索赔管理,包括索赔证据的收集和整理。
8)审查施工分包商的完工报告,检查完工程,联络业主组织竣工验收,办理竣工验收手续。
9)工程验收后,协助项目施工经理检查施工分包合同双方合同义务和责任的履行情况办理合同双方未履行的义务和责任。
10)收集、整理施工工程管理的文件和资料,办理归档手续。
11)编制项目施工工程管理总结。
(3)现场材料(库房)管理工程师
1)现场材料(库房)管理工程师在项目施工经理领导下,负责施工期间设备、材料管理工作。
2)管理现场设备材料的入库、贮存、出库。检查落实材料贮存保管的环境条件,防止贮存期间变质、损坏或发生安全事故。
3)及时掌握现场设备材料动态(从项目中心调度室、采购部以及施工分包商取得信息),发现问题及时提出预警,并督促采取措施尽早解决。
4)出现材料代用时,严格按有关规定执行,材料代用单列入交工资料归档。材料代用应取得项目设计部的同意。
5)项目结束时,清理多余材料,并登记造册,报项目施工经理。负责材料的完整性。
6)收集、整理施工材料管理的文件和资料,办理归档手续。
7)编制项目施工材料管理总结。
七、EPC项目范围与流程
1、EPC项目中业主与承包商的责任范围
项目阶段 |
业 主 |
承 包 商 |
机会研究 |
项目设想转变为初步项目投资方案 |
|
可行性研究 |
通过技术经济分析判断投资建议的可行性 |
|
项目评估立项 |
确定是否立项和发包方式 |
|
项目实施准备 |
组建项目机构,筹集资金,选定项目地址,确定工程承包方式,提出功能性要求,编制招标文件 |
|
初步设计规划 |
对承包商提交的招标文件进行技术和财务评估,和承包商谈判并签订合同。 |
提出初步的设计方案,递交投标文件,通过谈判和业主签订合同 |
项目实施 |
检查进度和质量,确保变更,评估其对工期和成本的影响,并根据合同进行支付 |
施工图和综合详图设计,设备材料采购和施工队伍的选择、施工的进度、质量、安全管理等 |
移交和试运行 |
竣工检验和竣工后检验,接收工程,联合承包商进行试运行 |
接受单体和整体工程的竣工检验,培训业主人员,联合业主进行试运行,移交工程,修补工程缺陷 |
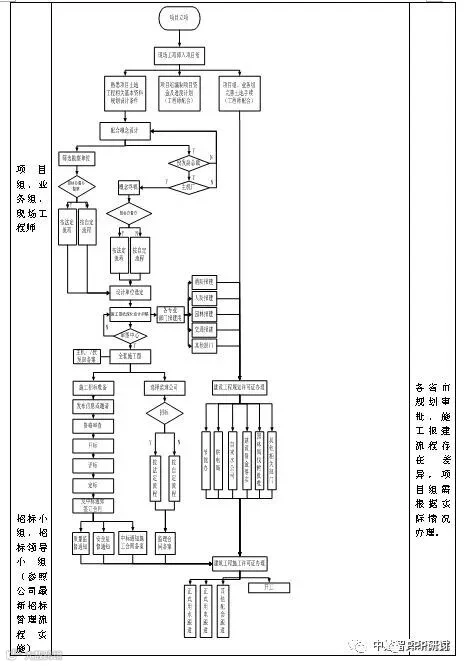
2、EPC项目流程图


工程总承包企业核心业务就是通过投标承揽项目,因此对于总承包企业来说做好投标管理工作是非常重要的。总承包企业的投标过程可以用总承包企业投标工作流程简单描述。

最终形成项目“风险评价报告”。具体评价程序如图所示。
3、设计部流程图

4、采购部流程图
(1)一般程序






7、财务部流程
工程总承包财务相关业务流程及要求
1)签订合同注意事项
①工程总承包项目如含设计,设计费的金额应在合同总价中予以明确标出。
②工程总承包项目如含设备采购,总包方与业主应单独签订设备采购金额。总包方与设备供应方签订分包合同时应注明供应方必须提供增值税专用发票。
③合同中应注明:业主按合同总额及一定比例支付给总包方预付款时,总包方应提供加盖财务专用章的收据;在支付进度款时,应提供加盖发票专用章的发票。总包方按分包合同总额及一定比例支付给分包方预付款时,分包方应提供加盖财务专用章的收据;在支付进度款时,建安分包方先提供加盖财务专用章的收据,然后协助总包方到当地税务局开具发票,设备分包方则直接提供加盖发票专用章的增值税专用发票。
2)工程完工进度结算及工程款支付
①工程完工进度结算表
A、工程完工进度结算表包括:设计完工进度表、建筑施工完工进度表、设备安装完工进度表、其他零星工程进度表。
B、工程完工进度结算表要求:
分包方报总包方的:由分包方编制,分包方项目负责人签字加盖公章后报总包方项目部审核;总包方项目部负责人签字并加盖项目部公章。
总包方报业主的:由总包方编制,总包方项目部负责人签字并加盖公章后报送监理方审核,监理方审核后签字并加盖公章报送业主,业主负责人签字并加盖公章,
C、时间要求:
每月20日前将上一个月工程结算表报院财务部。
②预付款、工程进度款、设备款的支付
A、项目部填写统一格式的“付款审批单”。
B、项目经理签字后传真至工程项目管理部办事员。
C、工程项目管理部办事员拿“付款审批单”找财务部各项目财务负责人核对工程进度,累计已付款金额,收款方单位名称、开户行、账号,核对无误后由财务部各项目负责人签字。
D、工程项目管理部办事员拿财务部各项目负责人签字的“付款审批单”找工程项目管理部负责人签字、分管副院长签字。
E、工程项目管理部办事员拿签字手续完善后的“付款审批单”找财务部负责人填写汇款申请单,由出纳办理汇款。
3)发票及完税规定
①工程总承包项目中的设计费发票由设计方在机构所在地开具技术服务发票并缴纳营业税,如由我院自行承揽设计,则有我公司开具技术服务发票并缴纳营业税。
②工程总承包项目中的设备款,由设备供应方给总包方按合同规定的时点提供增值税专用发票和增值税抵扣联,并在发票联上加盖供应方发票专用章;总包方给业主按总包合同规定时点提供增值税专用发票,并在发票联上加盖总包方发票专用章。
③工程总承包项目中的建安部份按税法规定总包方为扣缴义务人,分包方的税金及附加由总包方代扣代缴,并由总包方在项目所在地税务局开具建安发票并缴纳营业税金及附加,具体流程如下:
A、总包方与分包方都需提供的资料:
营业执照副本、地税税务登记证副本、法人身份证、组织机构代码证、合同,以上资料各提供复印件两份。外出施工许可证明,提供原件三份。
分包方资料由各项目负责人在各分包合同开工时收集并提供给资产财务部;总包方资料由资产财务部负责收集整理,两方资料收集后由资产财务部到项目所在地税务局外出经营许可登记。
B、每月工程结算后,按业主批复的结算金额,由总包方财务人员与分包方财务人员一起到项目所在地开具发票及税票。具体如下:
与业主的:由总包方按业主批复的工程结算金额,在税务局开具发票,并缴纳税款。该发票第二联即发票联由总包方加盖公章后交给业主,第三联为总包方的记账联。
与分包方:总包方提供每次结算总额中各分包单位工程款结算明细表,由当地税务局按明细表中的分包方名称和金额开具发票和中华人民共和国代扣代缴完税凭证,各分包方将税务局代开发票的第二联即发票联加盖发票专用章后交给总包方,第三联为分包方的记账联。
注意事项:
代扣代缴完税凭证中扣缴义务人为总包方,纳税义务人为各分包单位。
支付各单位工程进度款时,应扣除代扣代税费。
4)内部管理规定
①备用金的借支:项目点零星支出由项目经理在财务借支备用金,按需回公司资产财务部报销,但每月结算前必须到财务销帐,如仍需要,重新办理借支手续。
②设备管理:
工程总承包中采购的设备,制度规定应按库存商品管理。项目部在收到供应商提供的设备时,填写库存商品入库单,一式三联,第二联即财务记账联交财务入账;在设备安装时,填写库存商品出库单,一式三联,第二联即财务记账联交财务入账。
要求:入库单、出库单上必须有经办人、货物管理人、项目负责人签字。项目部货物管理人应登记设备台账并接受财务部对账。
③台账、往来单据的管理及对账
资产财务部按项目建立台账,并按项目指定专人负责,各项目点也应指定专人登记工程台账,并按月与资产财务部指定人员对账,往来台账。
8、市场部流程图



来源:中建智库研究院
如有侵权联系删除

建筑业最新专题公开课计划安排
19年3月-6月
一、“基于新版《清单计价规范》与《工程总承包计价计量规范》下建设工程造价精细化管理、《解释》(二)下施工合同风险管控与新政策下工程总承包项目全过程实战管理及风险防范”高级培训班
2019年03月21日—26日(21日报到) 地点:南宁市
2019年04月18日—23日(18日报到) 地点:贵阳市
2019年05月16日—21日(16日报到) 地点:青岛市
二、“新政策下EPC工程总承包项目全过程实战管理及风险防范实 务”专题培训班
2019年03月21日—26日(21日报到) 地点:厦门市
2019年04月11日—16日(11日报到) 地点:成都市
2019年04月18日—23日(18日报到) 地点:长沙市
2019年05月09日—14日(09日报到) 地点:重庆市
2019年05月24日—30日(24日报到) 地点:昆明市
2019年06月13日—18日(13日报到) 地点:青岛市
2019年06月28日—07月03日(28日报到) 地点:呼伦贝尔市
三、“新形势下业主方工程施工现场管理及总承包合同管理与解读最新总承包计价计量规范暨项目管理实务”高级培训班
2019年03月28日—04月02日(28日报到) 地点:南宁市
2019年04月18日—23日(18日报到) 地点:重庆市
2019年04月24日—29日(24日报到) 地点:成都市
2019年05月09日—14日(09日报到) 地点:郑州市
2019年05月24日—29日(24日报到) 地点:西安市
2019年06月21日—26日(21日报到) 地点:青岛市
四、“最新清单计价政策解读、工程造价全过程管控、招投标管理实务暨营改增后计价合同招标对策分析及审计监督管理”高级培训班
2019年03月22日—27日(22日报到) 地点:厦门市
2019年04月12日—17日(12日报到) 地点:南宁市
2019年04月25日—30日(25日报到) 地点:西安市
2019年05月16日—21日(16日报到) 地点:成都市
2019年06月14日—19日(14日报到) 地点:贵阳市
2019年06月28日—07月03日(28日报到) 地点:大连市
五、“公文写作与处理暨办公室行政管理工作实务与文秘人员核心技能再提升”高级培训班
2019年03月26日—30日(26日报到) 地点:南宁市
2019年04月23日—27日(23日报到) 地点:成都市
2019年05月22日—26日(22日报到) 地点:郑州市
2019年06月19日—23日(19日报到) 地点:西宁市
六、“深化‘放管服’改革、优化营商环境下依法合规开展招标采购活动暨招标采购精准分析与实战指导”专题培训班
2019年03月21日—27日(21日报到) 地点:厦门市
2019年03月22日—28日(22日报到) 地点:南宁市
2019年03月26日—31日(26日报到) 地点:武汉市
2019年04月17日—22日(17日报到) 地点:杭州市
2019年04月18日—23日(18日报到) 地点:西安市
2019年04月19日—26日(19日报到) 地点:昆明市
2019年04月23日—29日(23日报到) 地点:贵阳市
2019年05月17日—23日(17日报到) 地点:重庆市
2019年05月22日—27日(22日报到) 地点:成都市
2019年05月23日—28日(23日报到) 地点:长沙市
2019年05月24日—27日(24日报到) 地点:北京市
七、“2019基本建设财务管理、EPC工程总承包费用、PPP项目会计核算与税收政策最新政策解读暨建设项目审计”培训班
2019年03月21日—25日(21日报到) 地点:南宁市
2019年04月18日—22日(18日报到) 地点:成都市
2019年05月16日—20日(16日报到) 地点:宜昌市
八、“落实国有企业采购人主体责任、采购与招标全流程管理与热点难点问题处理、采购管理制度优化及合同风险防范”专题培训 班
2019年03月14日—19日(14日报到) 地点:杭州市
2019年04月11日—16日(11日报到) 地点:西安市
2019年05月09日—14日(09日报到) 地点:武汉市
2019年05月23日—28日(23日报到) 地点:合肥市
2019年06月20日—25日(20日报到) 地点:青岛市
九、“国有企业混合所有制改革、债转股与《关于改革国有企业工资决定机制的意见》解析及国企薪酬绩效改革要点”专题培训班
2019年03月28日—04月01日(28日报到) 地点:成都市
2019年04月19日—23日(19日报到) 地点:长沙市
2019年05月09日—13日(09日报到) 地点:厦门市
2019年05月24日—28日(24日报到) 地点:贵阳市
十、“装配式建筑整体设计与生产、施工一体化关键技术及装配式 BIM技术应用”交流研讨会
2019年03月28日—04月02日(28日报到) 地点:昆明市
2019年04月19日—24日(19日报到) 地点:长沙市
2019年05月09日—14日(09日报到) 地点:成都市
2019年05月24日—29日(24日报到) 地点:贵阳市
十一、“5G网络及应用工程师”认证培训班 (注意:本5G 班学费 是:6800元)
2019年06月14日—16日(14日报到) 地点:北京市
2019年07月12日—14日(12日报到) 地点:哈尔滨市
2019年08月09日—11日(09日报到) 地点:兰州市
2019年09月13日—15日(13日报到) 地点:上海市
2019年10月11日—13日(11日报到) 地点:深圳市
2019年11月15日—17日(15日报到) 地点:海口市
费用标准(请选择)
A:费用:2800元/人(含培训、资料、电子课件、场地、专 家等、)备注:食宿费用自行负担、可协助安排食宿;请提前报名确认、以便统一协调安排。
B:费用:4980元/人(含培训、资料、电子课件、场地、
食宿(合住)专家等)。
详询:18518696289 李老师 加QQ:1847623599
以上课程均可根据企业的培训需求,可为企业量身制定内训、考察课程,欢迎来电咨询或加微信索要课题详细版资料。

【联系方式】
咨询人:李林权(老师)
联系电话:139 1144 5864(同微信)
邮箱:1847623599@qq.com
微信:nt2014520(请备注“建筑业”)
长按下方二维码添加李老师微信(请备注:建筑业 )

【联系方式】
咨询人:李林权(老师)
联系电话:139 1144 5864(同微信)
邮箱:1847623599@qq.com
微信:nt2014520(请备注“建筑业”)
长按下方二维码添加李老师微信(请备注:建筑业 )

长按识别二维码,关注建筑业观察。


