▊ 概要
高思(GAOSSI®)专业供应日本鲁布(Lube ,リューベ)品牌压力表(圧力計,Puressure gauge)PB型PB100、PB250、PB250B等产品。能够目测泵吐出压力正常或异常。应用于机床、冲床、注塑机、机械设备、生产线、机器人等工业自动化领域。
—— ◇ ——
▣ BRIEF INTRODUCTION
-
压力表 -
PB型 -
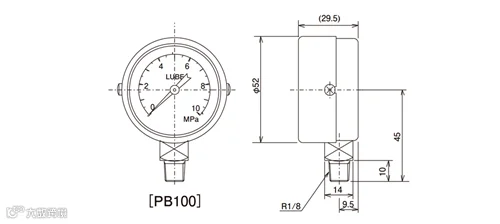
PB100 109146
-
能够目测泵吐出压力正常或异常。
产品介绍
—— 製品紹介 | Product Introduction ——
▊ 属性
| 品名
NAME |
型号
TYPE |
系列
SERIES |
|
|
|
|
| 品牌
BRAND |
系别
COUNTRY |
产地
ORIGIN |
|
|
|
|
▊ 型号
高思(GAOSSI®)专业供应以下系列型号产品:
☑ 系列型号
表1 PB型压力表
| 型号 | Code No. | 压力范围(MPa) | 连接口 |
|
|
|
|
|
|
|
|
|
|
|
|
|
|
|
|
|
|
|
|
|
|
|
|
|
表2 压力表安装板(PB型专用)
|
|
|
|
|
|
说明:以上系列型号源自于产品目录或企业官网。如有发生变更,恕不另行通知,具体可参考官网、产品目录或官方通告。
☑ 型号说明
• 略
☑ 型号示例
• 略
提示:了解更多系列型号,可咨询客服。
▊ 规格
☑ 规格参数
|
|
|
|
|
|
|
|
|
|
|
|
|
|
|
|
|
|
|
|
☑ 外形规格
说明:以上规格参数源自于产品目录或企业官网。如有发生变更,恕不另行通知,具体可参考官网、产品目录或官方通告。
▊ 特点
-
落下などの強い衝撃を加えないでください。 -
圧力範囲以上の加圧はしないでください
▊ 应用
• 应用于机床、冲床、注塑机、机械设备、生产线、机器人等工业自动化领域。
—— ✤ ——

