德国ETH公司(ETH-messtechnik gmbh)成立于1987年,一直致力于应变式非接触式扭矩传感器以及相关扭力测试台的研发和生产,为全球力学测试领域提供全面且精准的扭矩测试解决方案。
扭矩传感器安装在动力设备与负载设备之间,通常使用联轴器连接。在安装过程中,需要确保动力设备、扭矩传感器与负载设备的同心度,以避免旋转过程中过大的震动,获得理想准确的测试数据。
然而,测量调整同心度是一件繁琐、重复的工作。尤其是在需要频繁更换扭矩传感器,或是对扭矩传感器进行例行标定时,每一次安装都需要重新调整同心度。随之而来的是安装压力大、无法提高测试节拍等,对使用方造成了不小的负担。
2017年7月,德国ETH公司向全球发布了新一代DRVL系列动态非接触式扭矩传感器。自推出以来,因其高稳定性、高精度、高性价比,受到行业众多工程师的喜爱与推荐。
DRVL系列
通用 轴式 动态扭矩传感器
量程:0.02 - 20,000 Nm
精度:0.1%(满量程)
0.05%(满量程)可选
在2022年,德国ETH公司响应众多客户的需求,为DRVL系列开发出一体式底座和适配支座选项,用于轻松、省时且经济高效地安装扭矩传感器,有效降低了安装难度。
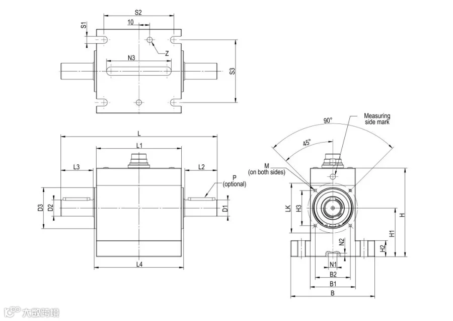
DRVL
一体式底座
● 传感器底座底部带键槽和两侧定位销孔,有助于安装时的精确定位
● 一次调校,永久定位
● 降低安装难度
DRVL一体式底座 图纸
结构形式X
结构形式Y
DRVL
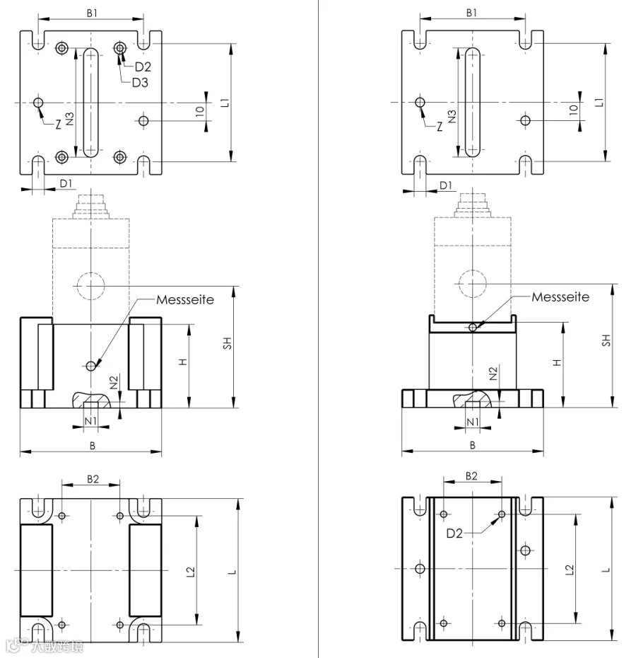
适配支座选项
● 客户可定制的中心高
● 支座底部带键槽和两侧定位销孔,有助于安装时的精确定位
● 一次调校,永久定位
● 降低安装难度,方便传感器的拆卸
DRVL适配支座选项 图纸
结构形式X
结构形式Y
我们将持续发布扭矩传感器相关资讯
欢迎长按如下二维码获取更多实用干货
电话:021-54973515
邮箱:sales@torchi.com.cn
网址:www.torchi.com.cn
上海拓驰力机电设备有限公司
点击 "阅读原文" 了解更多

