
导语:
房屋渗漏是客户投诉的重点,而地下室、屋面、厨房卫生间又是渗漏的重灾区,如何才能打好防水这场战役?




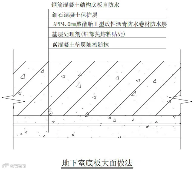
采用水泥基渗透结晶型防水涂料 +改性沥青防水涂料 +卷材的复合防水做法。:


1. 地下室底板防水交接处预留做法

2. 地下室侧墙抗渗增强处理方法

3. 侧壁底板防水接头做法

4. 地下室侧墙地面收口做法

5. 穿墙管件防水处理

6. 穿墙群管的防水做法


2. 上人屋面做法

3. 出屋面管道防水做法

▌四、卫生间防水构造做法




