记广州巨工建材进行广东侨丰智能装备供应链高墙项目工程。
项目概要
施工单位:广州巨工建材有限公司
项目地址:广州市黄埔区云埔工业区方达路东面北部地块
高精砌块用量:约15000平方米
防火要求:≥4小时
施工工期:约20天(正在施工中)
建筑工人身着满是泥土的工作服,辛勤工作在烟尘漫天,废方四散的环境里,这是多数人对建筑工地的印象。然而,自从我司工程部开展“AAC高精砌块免抹灰砌快墙系统”以来,这一切悄然间发生改变。
自工程部推行“AAC高精砌块免抹灰砌快墙系统”以来,受到所有班组职工的欢迎,改变了过去工地脏、乱、差现象,给项目工地带来新的面貌,促进文明施工的从业习惯和文化氛围逐步形成。
推行“AAC高精砌块免抹灰砌快墙系统”主要目的是建立施工管理规范化、管理流程程序化、场容场貌秩序化等在内的一系列项目标准化管理体系,保证施工质量安全、施工环境卫生、工人安全施工等。
以下是我司在广州黄埔区侨丰智能装备供应链高墙项目工程现场图:



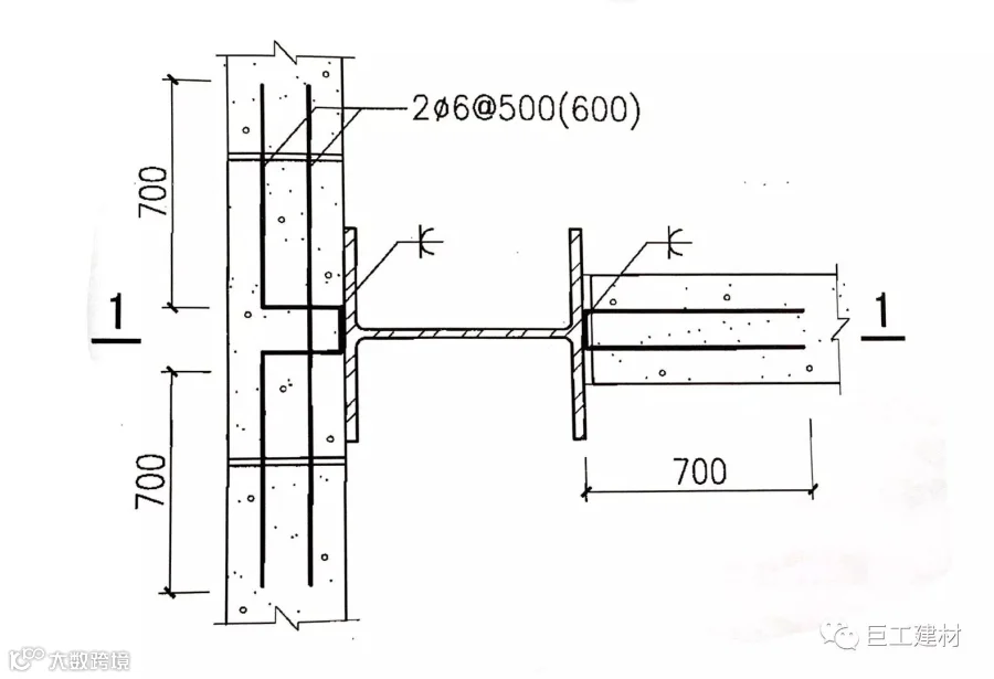
在技术保障上,技术部门严格按照工程特点,及相关施工手册、施工规范,认真详细的编制好每一份施工方案和技术交底,为一线施工班提供全面有力技术保障工作。同时,积极为施工班提供和做好了施工图纸、工程测量、施工或工艺规范要求等服务性保障工作,保证了工程施工质量。
以下是我司在侨丰智能装备供应链高墙项目工程上部分技术交底图:


上文中提到关于“AAC高精砌块免抹灰砌快墙系统”,可能会有部分同行业的人士不是很了解,以下简要的介绍一下由我司开展的“AAC高精砌块免抹灰砌快墙系统”:
系统介绍:
很多建筑墙体通常都需要造价低,工期快,轻质高强,隔音隔热,防火耐冲击,不空鼓开裂等要求,而传统的砌块墙体很多地方都无法满足。我司通过三年的工程实践,开发出这套AAC免抹灰砌快墙系统。该系统是选用抗压强度在5兆帕以上,表面平整度在2毫米的高强高精AAC砌块,用专用砌筑砂浆砌筑,灰缝厚度控制在3-5毫米,砌筑完成后在墙体表面用专用抹面砂浆挂玻璃纤维网格布做增强和整平处理,完成后的墙体直接达到腻子层施工的条件。






特别提示:聚氨酯粘合剂墙体系统适应于在使用寿命30年以内的墙体。
以上是关于我司在侨丰智能装备供应链高墙项目工程中使用的“AAC高精砌块免抹灰砌快墙系统”。同时,欢迎同行业内人士参观指导。
(供稿 广州巨工建材有限公司工程部 2017.11.16)
巨工建材~我们一直在做墙!
电话:020-28139687
联系QQ:2431843257
手机号码:13112266733
邮箱:2431843257@qq.com

