
光伏系统一般由组件、逆变器、并网柜和电网组成,作为低压配电的一种形式,光伏系统漏电流称为一个不可忽视的问题,目前光伏系统中防漏电危害而采取的措施为安装漏电保护器,但漏电保护开关频繁跳脱和烧毁(编辑的时候标亮)也时有发生,文档将从漏电保护器工作原理入手,着重介绍如何为光伏系统选型和安装漏电保护器。

漏电保护器的工作原理
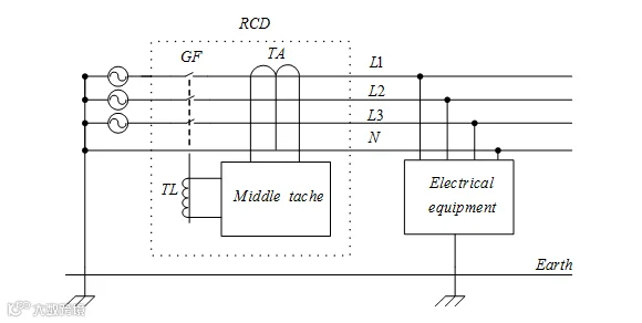
漏电保护器全称残余电流动作保护器,主要由三部分组成:检测元件、中间放大环节和操作执行机构。电气设备漏电时,将呈现出异常的电流和电压信号。漏电保护装置通过检测此异常电流或异常电压信号,经信号处理,促使执行机构动作,借助开关设备迅速切掉电源,实施漏电保护。图1是漏电保护开关在三相四线系统中的一般接线图。

漏电保护接线图
其中:TA为零序电流互感器,GF为主开关,TL为主开关GF的分励脱扣器线圈。
漏保跳闸原因
1、 直流部分绝缘阻抗过低
绝缘阻抗是检测光伏系统直流部分,包括组件和直流电缆,当逆变器检测到组件侧正极或负极对地绝缘阻抗过低,说明直流侧线缆或组件出现对地绝缘阻抗有异常的情况。
绝缘阻抗低是光伏系统一个常见故障,组件,直流电缆,接头出现破损,绝缘层老化会产生绝缘阻抗低,直流电缆穿过桥架时,由于金属桥架边缘可能有倒刺,在穿线的过程中,就有可能把电缆的外层绝缘皮破坏,而导致对地漏电。
2、交流漏电流
漏电流又称方阵残余电流,其产生原因是光伏系统和大地之间存在寄生电容,当寄生电容-光伏系统-电网三者之间形成回路时,在无变压器的光伏系统中,回路阻抗相对较小,共模电压将在光伏系统和大地之间的寄生电容上形成较大的共模电流,即漏电流。
直流绝缘故障报警的阀值是30mA,漏电流故障的阀值是300mA,所以当直流部分发生绝缘层损坏时,会先报绝缘阻抗,逆变器停机,除非特别大的直流电缆破损,一般不会报漏电流故障,当逆变器出现漏电流故障,一般检查逆变器和交流部分。
3、漏保安装不良
如果漏电保护器在安装时各接线柱未接牢固,时间一长,往往会导致接线柱发热、氧化,使电线绝缘层被烧焦,并伴有打火和橡胶、塑料燃烧的气味,造成线路欠压使漏电保护器跳闸。
4、漏保本身质量问题
用户在购买漏电保护器时,应尽量到信誉好的定点厂家或商店购买,千万不要图一时便宜,向一些个体户购买“三无”漏电保护器,这样往往得不偿失。
5、漏保与光伏容量不匹配
光伏系统的输出电流超过漏电保护器的额定电流,造成漏电保护器跳闸。
6、电网电压过高
由于三相不平衡或老鼠等小动物的捣乱,使电源总零线断路发生电压漂移,相电压可由220V变成380V,会使漏电保护器跳闸。
漏保案例分析
案例一
问题:山东烟台,一台60KW机器,经常报错Ground I Failure(对地漏电流过大)
解决方法:
依次单独连接每串组件,以确定是否是组件问题导致,如果在插入其中一串组件的时候,没有报错,可以确定是组串 问题导致,检查有问题的组串是否有破皮等问题 。
如果此报错只在阴雨天或者早晨的某一个时断发生,是因为组件老化导致漏电流过大,在晴天或者空气湿度降低时, 报错会自动清除。
案例二
问题:江苏扬州现场逆变器报ISO(对地绝缘阻抗过低)故障
解决方法:通过排查发现交流侧零线接线没有接到接线端子里面,并且1个空开控制2台逆变器,重新接好后开逆变器正常工作。
检测方法:
查看报错的时间,如果是早晚或者阴雨天报错,那么属于正常现象,早晚及阴雨天,空气中水分增多,阻抗变低,容易报错ISO;
用万用表的电阻档分别测量PV组串对地线阻抗,阻值应该 2MΩ以上;若阻抗过低,请检查PV组串与大地的绝缘情况 ,或者重新做一根组件与逆变器之间直流线;
用万用表电阻档测量N线与地线阻抗,此值应接近于零,否则说明 AC的N线与地线连接有问题,请检查AC接线;
请对照检查软件版本是否最新。可尝试更新软件(由于法规的不断变化,ISO检测阀值在版本升级中也是逐步变化的 )
结语
总之,一旦漏电保护器跳闸,检查时应遵循先简后繁的原则。首先察看安装是否良好,其次检查电源进线电压是否偏高(万用表测量)和漏电保护器本身有无问题(卸掉出线送电),再有就是看漏电保护器能否承受家电的负载,最后再查看是否负载、线路漏电或短路。
如果实在查找不出来原因,就不要盲目乱动,应请专业人员来查。否则把线路搞乱反而不利于排除故障。



