大数跨境

分布式光伏运维标准正式印发!明年1月1日起实施!

分布式光伏运维标准正式印发!明年1月1日起实施! 哈尔滨易达光电有限公司
2020-10-09
2
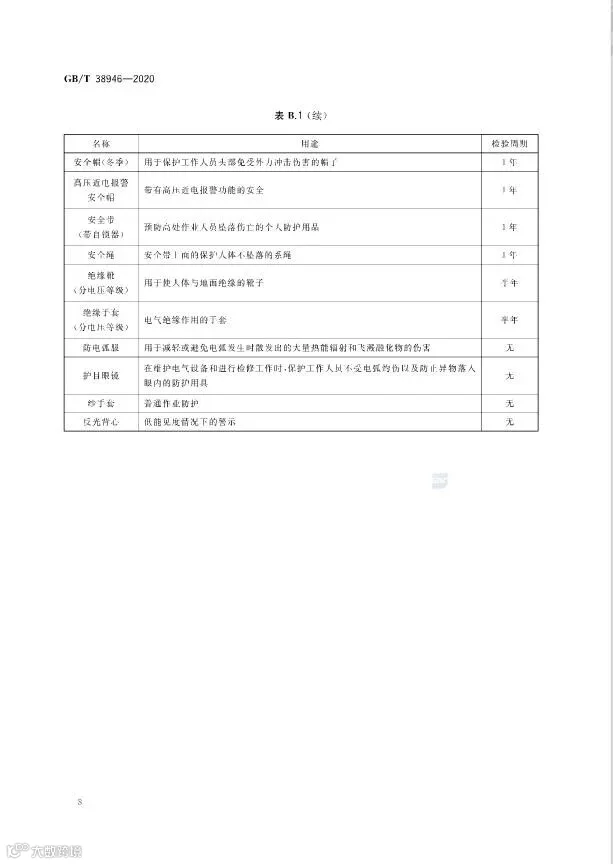
导读:近日,国家标准化管理委员会发布了光伏标准《分布式光伏发电系统集中运维技术规范》,标准号:GB/T 38946

近日,国家标准化管理委员会发布了光伏标准《分布式光伏发电系统集中运维技术规范》,标准号:GB/T 38946-2020,该标准将于2021年1月1日开始实施。



END


来源:国家标准化管理委员会

因为微信平台推送规则的改变,大家如果想经常看到我们的文章,需要在每次阅读之后给我们点个『在看』,或者转发、评论、多多互动




【声明】内容源于网络
0
0
哈尔滨易达光电有限公司
杭州易达光电有限公司专注太阳能光伏发电20多年,厂家直销太阳能发电设备,批发太阳能板,胶体电池,控制器,逆变器,光伏支架,太阳能路灯ups蓄电池,在全国东北辽吉黑西北新疆内蒙大区建立了本地化仓储运营,整体构建一站解决方案设计,快速交接。
内容 1752
粉丝 0
哈尔滨易达光电有限公司 杭州易达光电有限公司专注太阳能光伏发电20多年,厂家直销太阳能发电设备,批发太阳能板,胶体电池,控制器,逆变器,光伏支架,太阳能路灯ups蓄电池,在全国东北辽吉黑西北新疆内蒙大区建立了本地化仓储运营,整体构建一站解决方案设计,快速交接。
总阅读567
粉丝0
内容1.8k