光伏发电典型设计方案
分布式项目的接入方案由电网公司免费提供。为此,国家电网完成了分布式项目的典型方案设计。
一、设计范围及内容
二、设计思路
三、设计方案
(一)单点接入方案

1、单点接入典型设计方案XGF10-T-1
本方案主要适用于全部上网(接入公共电网)的光伏电站,公共连接点为公共电网变电站10kV母线,单个并网点参考装机容量1MW~6MW。
XGF10-T-1方案一次系统接线示意图见下图

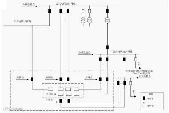
2、单点接入典型设计方案XGF10-T-2
本方案主要适用于全部上网(接入公共电网)的光伏电站,公共连接点为公共电网开关站、环网室(箱)、配电室或箱变10kV母线,单个并网点参考装机容量400kW~6MW。
XGF10-T-2方案一次系统接线示意图见下图

3、单点接入典型设计方案XGF10-T-3
本方案主要适用于全部上网(接入公共电网)的光伏电站、公共连接点为公共电网10kV线路T接点,单个并网点参考装机容量400kW~6MW。
XGF10-T-3方案一次系统接线示意图见下图

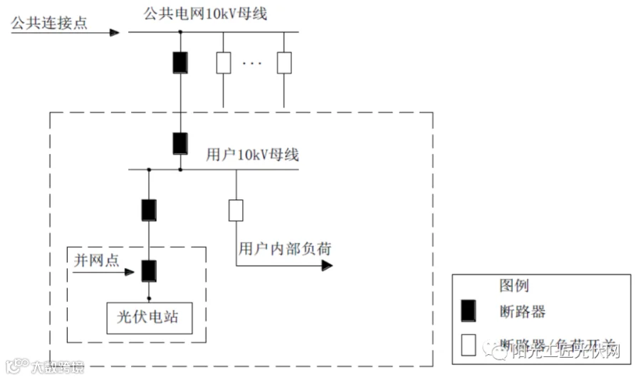
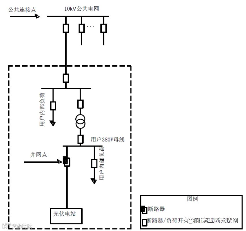
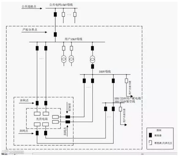
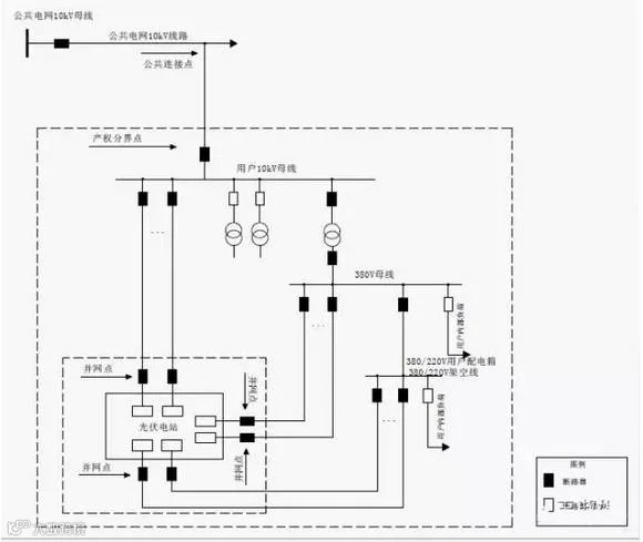
4、单点接入典型设计方案XGF10-Z-1
本方案主要适用于自发自用/余量上网(接入用户电网)的光伏电站,单个并网点参考装机容量400kW~6MW。XGF10-Z-1 方案一次系统有两个子方案。
子方案一接线示意图见


5、单点接入典型设计方案XGF380-T-1
本方案主要适用于全部上网(接入公共电网)的光伏电站,公共连接点为公共电网配电箱或线路,单个并网点参考装机容量不大于100kW,采用三相接入;装机容量8kW 及以下,可采用单相接入。
XGF380-T-1 方案一次系统接线示意图见下图

6、单点接入典型设计方案XGF380-T-2
本方案主要适用于全部上网(接入公共电网)的光伏电站,公共连接点为公共电网配电室、箱变或柱上变压器低压母线,单个并网点参考装机容量20kW~400kW。
XGF380-T-2 方案一次系统接线示意图见下图

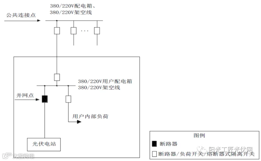
7、单点接入典型设计方案XGF380-Z-1
本方案主要适用于自发自用/余量上网(接入用户电网)的光伏电站,单个并网点参考装机容量不大于400kW,采用三相接入;装机容量8kW 及以下,可采用单相接入。XGF380-Z-1 方案一次系统有两个方案
方案一接线示意图

方案二接线示意图

8、单点接入典型设计方案XGF380-Z-2
本方案主要适用于接入用户电网的光伏电站,单个并网点参考装机容量20kW~400kW。
XGF380-Z-2 方案一次系统接线示意图

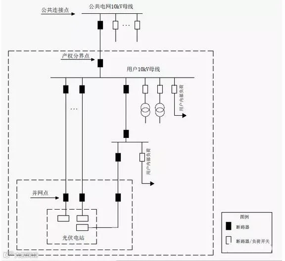
(二)多点组合方案

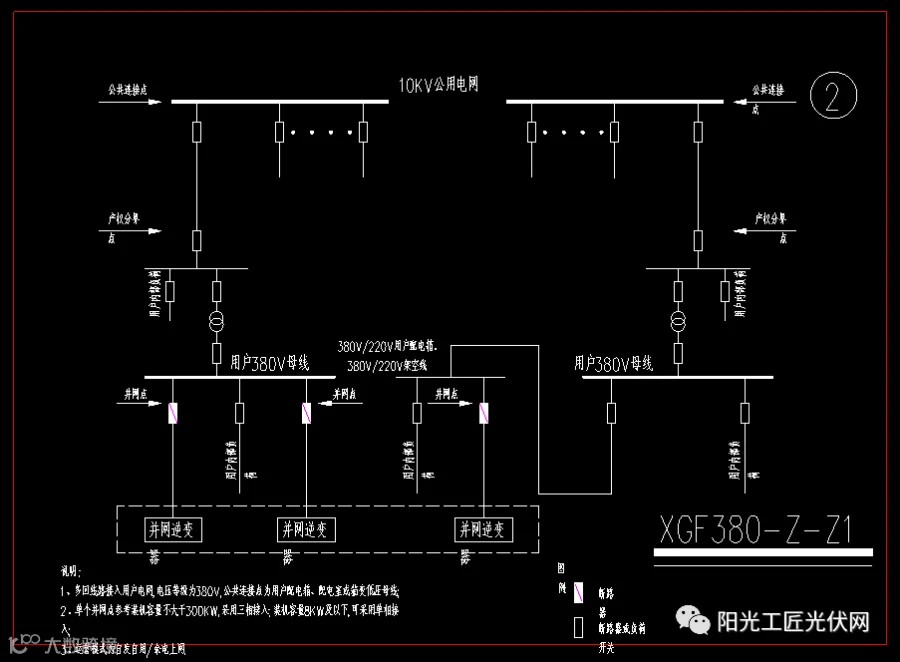
组合方案1编号:XGF380-Z-Z1

子方案1:接入380V用户

子方案2:接入10kV用户
组合方案2编号:XGF10-Z-Z1

子方案1:专线接入公共电网

子方案2:T接接入公共电网
组合方案3编号:XGF380/10-Z-Z1


组合方案4编号:XGF380-T-Z1

组合方案5编号:XGF380/10-T-Z1




10kV单点接入、全部上网



















