实干成就你我 诚信铸造未来
如何读懂零件图
在设计、制造零件的过程中,读零件图是非常重要的。读零件图的目的是:了解零件的名称、用途、材料等情况;了解零件的各部分结构形状特点和相对位置关系;了解零件的大小、制造方法和技术要求。
一、读零件图的方法和步骤
读零件图的一般方法和步骤如下:
1. 首先看标题栏,大致了解零件
看标题栏,了解零件的名称、材料、数量、比例等,大体了解零件的功用。对于复杂的零件,可以查阅有关的技术资料,如该零件所在部件的装配图、与该零件相关的其它零件图和技术说明等,以便了解该零件在机器或部件中的功用、结构特点和工艺要求。
2. 分析视图,明确表达目的
看视图,就是要分析零件图中有哪些视图、视图之间的关系等。首先应从主视图着手,根据投影关系识别出其它视图的名称和投影方向,找出局部视图或斜视图的投影部位,及剖视或断面的剖切位置,从而弄清各视图的表达方法和表达目的。
3. 综合想象出零件的结构形状
在了解视图数量和各视图的表达方法的基础上,接下来应利用形体分析法,对零件进行分部位对投影,想象出各部分的形状及它们之间的相对位置、组合方式;对于较难看懂的部位,还需应用线面分析法分析。最后,综合想象出零件的结构形状。
4. 分析尺寸,明确零件的重要结构尺寸
零件图上的尺寸,是制造、检验零件的重要依据。应根据零件的结构特点和制造工艺要求,首先找出三个方向的尺寸基准,分析主要结构的主要尺寸,再弄清每个尺寸的尺寸性质,是属于定形尺寸还是定位尺寸,从而理解图上所注尺寸的作用。
5. 分析技术要求,了解零件的质量指标
零件图的技术要求,既是制造零件时的加工质量要求,又是零件性能的重要保证。看图时,主要分析零件的表面粗糙度、尺寸公差和几何公差要求,先分析重要表面(如配合面、主要加工面)的加工质量要求,了解各符号的意义,再分析其它加工面或不加工面的加工要求,以了解零件的加工工艺特点和性能要求;然后阅读技术要求文字说明,了解零件的材料热处理、表面处理或修饰、检验等其它技术要求。
6. 综合归纳
根据以上分析,对于零件的作用、形状结构和加工要求,已经有了较全面的了解,也抓住了零件的关键。审核图纸时,可以确定结构是否合理、表达是否完整清晰、尺寸标注是否齐全合理、技术要求是否恰当,并考虑在合适的产品成本下,进一步完善图纸内容。
二、读零件图举例
如图 1 所示,为某一泵体的零件图,读图分析如下:
图 1
1. 从标题栏可知,该零件的名称是泵体,属于箱体类零件,是油泵部件的主体零件,主要起支承、容纳其它零件的作用;泵体的材料是灰口铸铁HT200,其毛坯应是铸件。
2. 表达泵体共用了主、俯、左三个基本视图,其中主视图采用了半剖形式,既表达了泵体的主要外形结构,又表达了它的部分内部结构;左视图采用了局部剖视,剖切部分主要表达泵体的内部空腔结构;俯视图主要表达泵体的中下部结构形状。三个视图的表达目的各有侧重,反映了泵体的结构形状。对于其它复杂类零件,除了基本视图表达了零件的主要结构形状外,可能还有一些辅助视图,以补充表达基本视图表达不清楚的零件结构,学习看图时应注意这一点。
3. 用形体分析法看图可知,泵体的上部结构主要是由共轴线的两个圆柱筒和一个圆锥凸台组成的,其中,前面那个圆柱筒的端面上有三个螺纹孔,圆柱筒的左右两侧又有圆柱形凸台;泵体的下部是一块开有两个光孔的长方形底板;中间部分是T字形连接板,起连接泵体上下部分结构的作用。由此,综合想象出泵体的结构形状,如图2所示。
图 2
4. 从图1中可知,泵体的长度方向主要尺寸基准是泵体的左右对称中心线,主要定位尺寸有138、120等;宽度方向主要尺寸基准是泵体的前端面,主要定位尺寸有52、30等;高度方向主要尺寸基准是泵体的底面,主要定位尺寸是85。泵体的重要定形尺寸有φ98H7、φ14H7、Rp3/8、φ130、φ120等,还有其它尺寸如左右圆柱凸台的直径φ32、前端面上的三个螺纹孔尺寸3xM6-6H、底板的尺寸145、40、14及尺寸90、19、2x φ11等等。
5. 可以看出,图样中有尺寸公差要求的尺寸只有φ98H7和φ14H7,泵体的整体尺寸精度要求不很高;泵体加工表面的表面粗糙度参数Ra的值有 1.6μm、3.2μm、12.5μm,可知Ra值为1.6μm的表面是泵体的重要加工面,其它表面是一般加工面和不加工面。
6. 通过以上看图分析,我们对泵体有了全面的了解。如有必要,就可对泵体提出在图形表达、尺寸标注、技术要求等方面的完善意见。
如何绘制零件图
在设计、测绘机器或部件时,都要画零件图。零件图的准确与否,直接影响机器或部件的性能。下面我们讲一讲画零件图的一般方法。
一、 分析零件、确定表达方案
画图前,先要了解零件的名称、功用以及它在机器或部件中的位置和装配连接关系。在弄清零件的结构形状的前提下,结合其工作位置和加工位置,确定它是属于四类典型零件 ( 轴套 \ 盘盖 \ 叉架 \ 箱体类 ) 中的哪一种,再根据这类零件的表达特点,确定合适的表达方案。
在选定表达方案时,应注意以下两点:
1. 视图数量要恰当
应考虑尽量减少视图中的虚线和恰当运用少量虚线,在满足表达清楚零件各部分形状的前提下,力求表达简洁,视图数量恰到好处,尽可能避免重复表达。
2. 表达方法要恰当
根据零件的内外结构形状,每个视图的表达都应有其侧重点和目的,主体结构与局部结构的表达也要分明。同时,需考虑图形的合理布局,如基本视图按规定方式配置等。
二、 画零件草图
零件草图即徒手所画的零件图,它是画零件图和部件测绘时画装配图的重要依据。画零件草图时,要求目测零件的大小,确定绘图比例,且徒手绘制。一般步骤如下:
1.了解分析零件,确定表达方案
根据零件的大小、复杂程度和表达方案,确定恰当的绘图比例和图幅。画草图最好用方格纸。
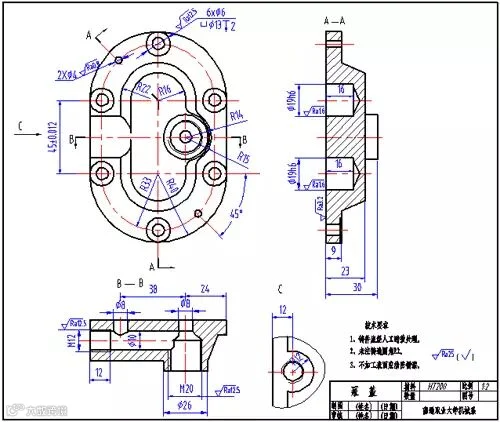
图 1 表示某调压油泵上泵盖零件的立体图。它是一个结构比较复杂的盘盖类零件。根据其形状特点,选择反映泵盖的端面形状和端面上六个螺栓孔、两个销孔的分布情况的那个方向为主视图,为了反映泵盖上两个轴孔的内部结构,需要一个全剖的左视图,同时,为了反映调压油的通路孔结构和调压螺栓孔的结构,还需一个全剖的俯视图;而为了更清楚地反映泵盖的结构,又用了一个局部视图。至此,泵盖就表达清楚了。由泵盖的大小和复杂程度,选定绘图比例为 1 : 1 。
图 1
2. 画图框线和标题栏
定出主要视图的位置线,如主要轴线、中心线和作图基准线等。 如图 2a 所示。
3. 目测徒手绘图
先画主要结构的轮廓线,后画次要结构的轮廓线。每个结构的相关视图应联系起来画,以符合投影特性。相邻结构组合处,应考虑图线的增减问题(如相交处有交线,相切处无线等)。最后完成全部图形。如图 2b 所示。
4. 检查、修正全图,擦掉不必要的图线;确定三个方向的尺寸基准,画出所有尺寸的尺寸界线、尺寸线和尺寸箭头;画剖面线。 如图 2c 所示。
5. 测量并确定所有尺寸
对于标准结构(如键槽、倒角等)的尺寸,应查阅有关手册或进行计算后再填写。 如图 2d 所示。
6. 注写必要的技术要求,填写标题栏, 完成零件草图。如图 2d 所示。
(a) (b)
(c) (d)
图 2
三、画零件工作图
在完成零件草图的基础上,结合生产实际情况和加工工艺经验,先对零件草图进行全面校核,再绘制零件图。
校核草图时,通常注意几个问题,例如:表达方案是否合理、完整,尺寸标注是否清晰齐全、正确合理,所提出的技术要求是否既能满足工艺要求又能实现零件的性能要求等。
草图校核修正后,开始画零件工作图。零件工作图的绘制步骤如下:
1. 分析零件,选定表达方案。
2. 确定绘图比例和图幅,画图框线、主要视图的定位线。
3. 画底稿图。
4. 检查修正底稿,无误后加深全部图形,画剖面线。
5. 画尺寸界线、尺寸线和尺寸箭头,注写尺寸数值和技术要求。
6. 填写标题栏,校核,完成零件工作图。泵盖的零件工作图,见图 3 。

图 3
免责声明:本文系网络转载,版权归原作者所有。如涉及版权,请联系删除!




