点击上方蓝字关注我们
对于12V/48V的电动车控制器,目前市场常用的场效应管型号大多为IRF3205、HY1906、RU7088,在国际电子市场受国家政治影响的情况下,如华为再次被列入美国的实体限制清单,国内厂家如电动车厂家如何选择一款与HY1707同参数功能的国产MOS管来进行代用就显得尤为重要。
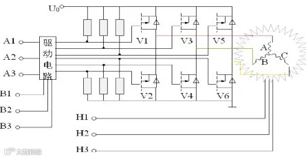
目前国内整体的电子产业链迅速发展的情况下,基于MOS管在电动车控制器中的广泛使用。电动车控制器中场效应管的作用如其说是用MOS管来输出电流驱动电机,还不如说是用于更好的保护场效应管,为控制器起保护作用,让产品的效用寿命更长。
劣质的场效应管会直接影响电动车控制器的性能,导致电动车的质量降低,从而影响电动车厂家的品牌效应。因此在选用MOS管产品的时候,电动车厂商电子工程师应该更多考虑国内优质的产品。目前飞虹生产的型号为:FHP100N07低压MOS管就可替代型号:HY1707低压MOS管。
FHP100N07为N沟道沟槽工艺MOS管。该产品广泛适用于48V/12管的电动车控制器/12V输入的250W逆变器。在使用方面是不仅能匹配型号为HY1707场效应管,还能代用型号为:IRF3205、HY1906、RU7088这几款型号场效应管。
FHP100N07的主要封装形式是TO-220/TO-263,脚位排列位GDS。这款产品最主要的特点就是100A ,70V, RDS(on) = 6.5mΩ(typ) @VGS=10V 开关速度快,内阻低,耐冲击特性好。
广州飞虹电子通过不断的研发新品,目前广泛应用于智能家居、新能源电子领域:如智能音响、家用电器、LED照明、电脑电源、充电器、逆变器、电瓶车、汽车电子等行业,为国内的电子产品厂家提供了优质的配套服务。除提供免费试样外,更可根据客户需求进行量身定制MOS管产品。
直接百度输入“飞虹MOS管厂家”即可找到我们,免费试样热线:400-831-6077。

