点击蓝字关注我们
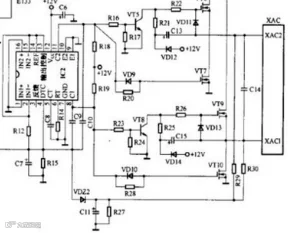
电动车转换器最大的作用是就将电瓶上的电压转换成电动车上喇叭,仪表,车灯等这些零件上的的工作电压。而开关场效应管则影响着转换器的的性能与效率,如果场效应管质量不过关,则会使电动车的这些零件出现故障。所以电动车生产厂商在采购场效应管时也是需要谨慎选择的,而30N10场效应管是目前行业内用得比较多的场效应管型号之一。
作为转换器的核心元器件的场效应管,尤其是开关场效应管,它影响着转换器的的性能与效率。如果场效应管质量不过关,不仅会使产品出现质量问题,而且会严重影响生产厂家品牌声誉。所以为了避免这些问题的出现,电动车厂家在批量生产前就应该选择一款优质的场效应管。飞虹研发的这个FHP540低压MOS管就可做到提升转换器的性能与效率。
飞虹这个FHF540低压MOS管是N沟道沟槽工艺MOS管,同时还可替代30N10和IRF540N场效应管使用,主要用于电动缝纫机电机调速电路和72V→12V(5A)的电动车电压转换器电路。
FHF540低压MOS管的封装形式主要是TO-220/TO-251/TO-252,脚位排列方式为GDS,Vgs(±V)25,VTH(V)2-4,28A, 100V, RDS(on) = 37mΩ(max) @VGS = 10 V,FHF540场效应管还具有低电荷、低反向传输电容,开关速度快,内阻低等优点。
广州飞虹电子通过不断的研发新品,逐渐把MOS管产品的使用范围拓展到更多电子领域,希望为电子产品的生产厂家提供强有力的元器件保障。例如这款飞虹的FHF540低压MOS管,不仅质优价廉,而且还能替代30N10场效应管使用。除提供免费试样外,飞虹可根据客户需求进行量身定制MOS管产品。
免费试样热线:400-831-6077
点“阅读原文”了解更多

