再不点蓝字关注,机会就要飞走了哦
场效应管对从事有关电子行业的人士都不陌生,其最显著的是开关特性好,因此,被广泛应用在需要电子开关的电路中,常见的如开关电源、照明调光。但MOS场效应管的型号繁多,且型号不同特性、作用也不一样,唯有选对型号才能发挥其强大的作用。
今天要给大家推荐的是8N60的N沟道增强型高压功率MOS场效应管。8N60是大功率、高耐压的场效应管,额定电流8A,耐压600V。该产品广泛适用于AC-DC开关电源、AC-DC电源转换器、高压H桥PMW马达驱动。
飞虹8N60产品主要参数
产品型号:8N60
漏源极电压:600V
栅源电压:±30V
最大脉冲漏电流:32A
单脉冲雪崩能:230MJ
雪崩电流:8A
储存温度范围:-55至150℃
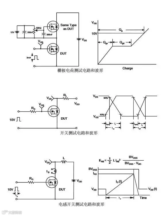
8N60产品电路图
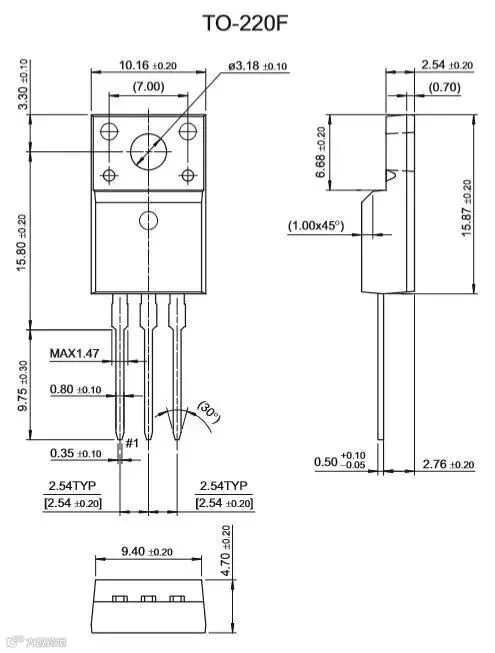
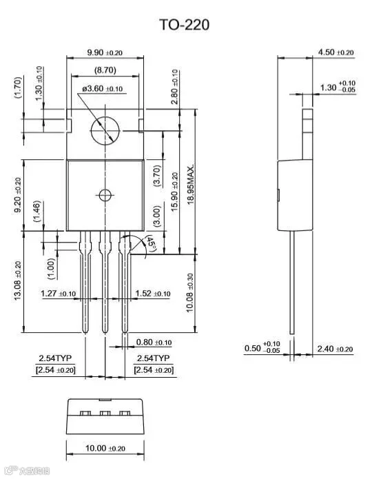
8N60产品外形尺寸
广州飞虹主要研发、生产、经营:场效应管、三极管等半导体器件,专注大功率MOS管制造15年。咨询热线:400-831-6077。

