点击蓝字关注我们
MOS管在锂电池保护板里面主要充当电流保护的角色,作为锂电池保护板的重要电子元器件。怎么来选择一款能够具备优良质量的场效应管就显得尤为重要了。目前市面上可用于锂电池保护板的MOS管型有:RU6888、HY1607、STP80NF07F4这三款,那如何在其中选择一款能够与RU6888直接替换的MOS管型呢?
对于锂电池的生产厂家,今天给你推荐一款新的、质量优良的,不仅可直接替代RU6888型号参数的,更能够替代国际品牌型号的:STP80NF07F4。
在推荐前我们可先了解下,MOS管在锂电池保护板中是充当怎样的角色呢?
锂电池保护电路一般要求在-25℃~85℃时Control(IC)检测控制电芯电压与充放电回路的工作电流、电压,在一切正常情况下C-MOS开关管导通,使电芯与保护电路板处于正常工作状态,而当电芯电压或回路中的工作电流超过控制IC中比较电路预设值时,在15~30ms内(不同控制IC与C-MOS有不同的响应时间),将CMOS关断,即关闭电芯放电或充电回路,以保证使用者与电芯的安全。
基于以上的原理,飞虹这款FHP80N07低压MOS管为N沟道沟槽工艺MOS管,在使用方面是不仅能匹配型号为RU6888场效应管,还能代用型号为:HY1607、STP80NF07F4这两款型号场效应管。主要产品特点为:80A ,70V, RDs(on) = 6.8mΩ(typ)@VGs= 10V开关速度快。
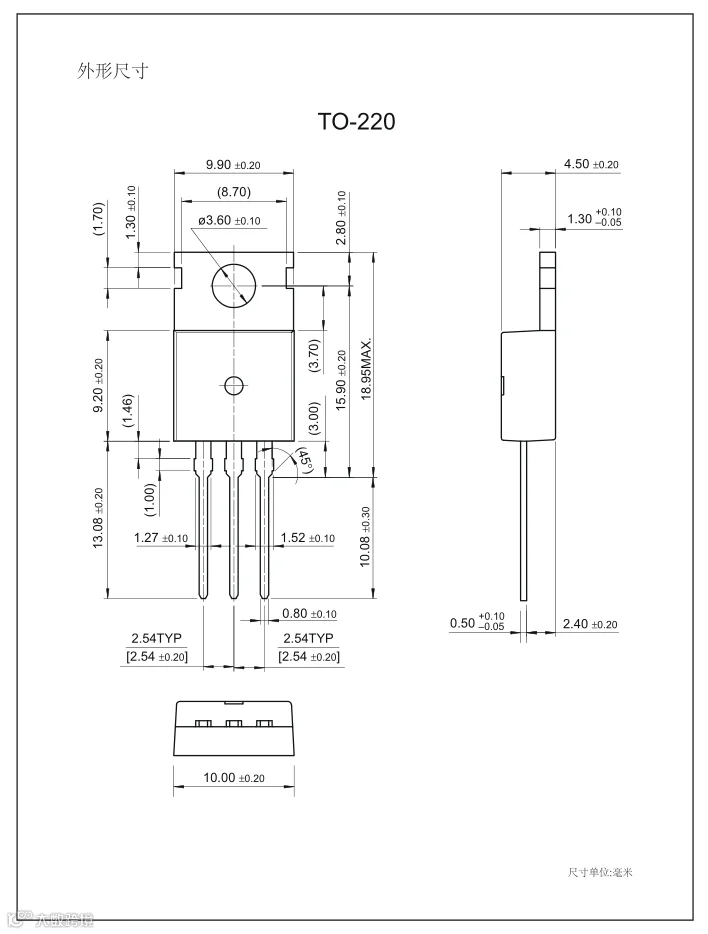
FHP80N07场效应管不仅适用于锂电池保护板,还能使用于36V或48V6管的电动车控制器。FHP80N07的主要封装形式是TO-220/TO-252/TO-263,脚位排列位GDS。这款产品参数:Vgs(±V):25;VTH(V):2-4;ID(A):80;BVdss(V):70。
飞虹半导体的MOS管已经广泛应用于逆变电源、智能家居、新能源电子领域:如智能音响、家用电器、LED照明、充电器、汽车电子、电瓶车、电脑电源等行业,为国内的电子产品厂家提供了优质的产业以及配套服务。除提供免费试样外,更可根据客户需求进行量身定制MOS管产品。
直接百度输入“飞虹MOS管厂家”即可找到我们,免费试样热线:400-831-6077。

