点击蓝字关注我们
IRFB3607是一款国外作为功率管应用于60V电动车控制器的场效应管。在全球化形势不明朗的商业情况下,各个企业均在丰富自身的供应商库,建立国内优质的MOS管产品供应商也是电动车控制器厂家必要的事情。目前在国内市场中,飞虹的FHP80N08型号即可跟IRFB3607型号参数进行对标。
为什么这样说?因为一款好的MOS管在无论在功能、参数以及整体的细节设计都应该是能够完美的跟应用的产品,如电动车控制器进行结合应用的。
目前在60V电动车控制器的应用中,MOS管主要损耗包括开关损耗(开通过程和关断过程),导通损耗,截止损耗(漏电流引起的,这个忽略不计),还有雪崩能量损耗。只要把这些损耗控制在MOS管承受规格之内,MOS管即会正常工作。
简单理解就是说,一款好的MOS管是尽可能的匹配损耗可以在可控范围内,因此选择质量好、整体的数值真实的场效应管是帮助电动车控制器企业提升产品质量的根本。
目前市面上除了常见的IRFB3607型号会应用在60V电动车控制器上外,还有STP75NF75、HY1808、STP75NF75、IRF2807、TK80E08K这五款MOS管在应用,而作为小编更推荐使用优质的飞虹国产型号:FHP80N08。
飞虹这款FHP80N08为低压大电流功率场效应管,广泛应用于电动车控制器和同步整流电路,在使用方面是不仅能匹配型号为IRFB3607的国外场效应管,还能代用型号为:STP75NF75、HY1808、STP75NF75、IRF2807、TK80E08K这五款型号的场效应管。80A ,80V, R DS (on) = 8mΩ(typ)@V GS =10V,开关速度快,内阻低,耐冲击特性好。
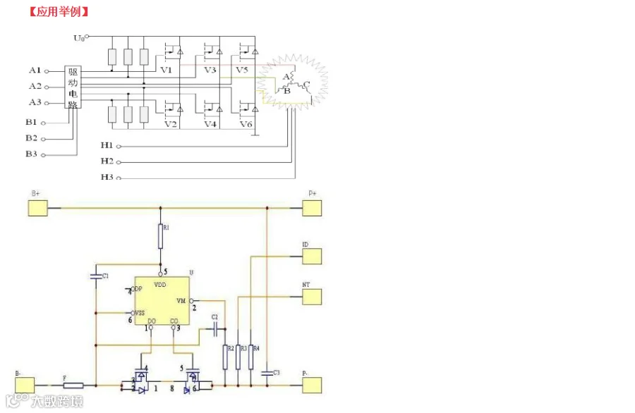
FHP80N08场效应管适用于60V/9管-12管电动车控制器/锂电池保护板。FHP80N08的主要封装形式是TO-220/TO-263,脚位排列位GDS。这款产品参数:Vgs(±V):25;VTH(V):2-4;ID(A):80;BVdss(V):80。
作为一家高新技术企业,飞虹自2008年至今,共获得实用专利及发明15项,并与中山大学、中科院合作研发GaN器件。飞虹产品已经在开关电源、逆变器、电动车、LED照明、家电、锂电保护、电机控制器获得广泛应用,帮助合作伙伴解决符合国情、符合国际质量的国内优质产品。除提供免费试样外,更可根据客户需求进行量身定制MOS管产品。
直接百度输入“飞虹MOS管厂家”即可找到我们,免费试样热线:400-831-6077。

