搜索
首页
大数快讯
大数活动
服务超市
文章专题
出海平台
流量密码
出海蓝图
产业赛道
物流仓储
跨境支付
选品策略
实操手册
报告
跨企查
百科
导航
知识体系
工具箱
更多
找货源
跨境招聘
DeepSeek
首页
>
FHF20T60A型号的国产好IGBT单管,600W户外储能电源电路的优选元器件
>
FHF20T60A型号的国产好IGBT单管,600W户外储能电源电路的优选元器件
广州飞虹半导体
2023-05-26
0
导读:600W户外储能电源选择哪家好?相信这问题是很多做小功率储能电源厂家都会关注的问题,毕竟这问题答案影响着自身销量。便携式600W户外储能电源,能够为户外活动、露营、徒步旅行等提供电力支持,因此人们需要
600W户外储能电源选择哪家好?相信这问题是很多做小功率储能电源厂家都会关注的问题,毕竟这问题答案影响着自身销量。便携式600W户外储能电源,能够为户外活动、露营、徒步旅行等提供电力支持,因此人们需要稳定优质的产品。
那么有什么好的IGBT产品能提升600W户外储能电源的性能质量呢?对于已经使用NCE20TD60BF型号参数的IGBT用于电路中的,在国内有什么型号是可以建议选择的?
目前电源厂家常见选FHF20T60A型号代换NCE20TD60BF型号参数的IGBT。这一款IGBT单管能改善600W户外储能电源的稳定性,让产品更加适用户外活动、露营、徒步旅行的场景。更重要的是它作为纯国产IGBT厂家研发生产出来的,使用更加放心。
细说一下为何它适合?因为FHF20T60A的IGBT单管除了高可靠性和反向并行的快恢复二极管特性外,还拥有拖尾电流非常短、关断损耗低、出色的Vcesat饱和压降以及正温度系数等特点。
在特点中可知,这一款20A、600V电流、电压的FHF20T60A型号IGBT单管参数是适合使用在600W户外储能电源的电路上。
当然,在应用中,我们600W户外储能电源研发工程师一定要了解这款优质FHF20T60A国产IGBT单管的详细参数:其具有20A, 600V, VCEsat典型值:1.49V-typ ,<1.7V;ID (Tc=100℃):20A;BVdss:600V;IF(A)(Tc=25℃):20A;IF(A)(Tc=100℃):10A。
FHF20T60A是一款场N沟道沟槽栅截止型IGBT,使用Trench Field stop Ⅱ technology 和通过优化工艺,来获得极低的 VCEsat 饱和压降,并在导通损耗和关断损耗(Eoff)之间做出来良好的权衡。出色的导通压降与极短的拖尾电流为客户在优化系统效率时提供有力的帮助。
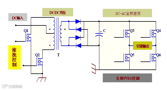
现今FHF20T60A型号IGBT单管已经广泛适用于广泛适用于逆变电源、电机驱动、空调、功率因数校正、变频器、AC220V输出的高频车载正玄波逆变器、户外储能电源等各类硬开关。可替代其它品牌型号:NCE20TD60BF。
FHF20T60A的封装形式是TO-220F。这款产品参数:VCEsat典型值:1.49V-typ ,<1.7V;ID (Tc=100℃):20A;BVdss:600V;IF(A)(Tc=25℃):20A;IF(A)(Tc=100℃):10A。
为了满足市场不断变化的需求,对于600W户外储能电源研发工程师来说,寻找适合的IGBT单管产品是极具挑战性的。但是,无需担心!与飞虹半导体的工程师合作,可以为您匹配出最符合需求的IGBT单管产品。
作为一家专业的IGBT生产厂家,我们的产品质量始终得到行业内广泛认可。当您需要适合600W户外储能电源的IGBT型号时,我们强烈推荐FHF20T60A型号代换NCE20TD60BF型号参数的IGBT单管。这款产品可以完美匹配您的需求,并且以出色的性能和可靠性在市场上广受好评。
600V、20A 的IGBT代换使用,选对型号很重要。飞虹半导体的IGBT不仅广泛应用于600W户外储能电源,还可用于光伏逆变器、UPS、变频器、单相组串式光伏逆变器、电焊机和工业缝纫机等终端应用场景。为国内的电子产品厂家提供了优质的产品以及配套服务。除提供免费试样外,更可根据客户需求进行量身定制IGBT产品。
直接百度输入“飞虹IGBT厂”即可找到我们,免费试样热线:400-831-6077。
【声明】内容源于网络
0
0
广州飞虹半导体
广州飞虹是高新科技型企业,引进国外生产设备,产品用于家用电器,电脑电源,适配器,充电器,逆变器,通信设备,工业控制等产品.迎各代理商、电子厂家合作!
内容
624
粉丝
0
关注
在线咨询
广州飞虹半导体
广州飞虹是高新科技型企业,引进国外生产设备,产品用于家用电器,电脑电源,适配器,充电器,逆变器,通信设备,工业控制等产品.迎各代理商、电子厂家合作!
总阅读
126
粉丝
0
内容
624