点击蓝字 关注我们
这几年来伴随可再生能源以及分布式发电技术的发展,在光伏发电系统中Heric逆变器的应用也越来越广泛。如何在竞争发展中保持产品的质量,需要选择好的IGBT来代换FGH60N60SMD应用于Heric逆变器中。
为何需要选择一款igbt来替换FGH60N60SMD型号参数呢?
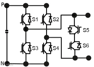
因为后极逆变电路是Heric逆变器中一种非常重要的电路结构,能够提高电力系统的效率、稳定性和可靠性。
如何在国产化电子元器件的时代,寻找优质的IGBT型来代换FGH60N60SMD产品的型号参数来提升产品在市场的竞争力?
今天飞虹半导体优先针对的光伏Heric逆变器产品进行分享,如果有其他需求的,可直接咨询飞虹半导体的官方网站mosgcj.com。其实对于Heric逆变器的,我们推荐使用FHA60T65A应用于Heric逆变器电路中。毕竟FHA60T65A是可以代换FGH60N60SMD型号的产品型号参数。
为什么?因为FHA60T65A拥有高可靠性以及反向并行的快恢复二极管特性,Trench Field Stop technology(拖尾电流非常短、关断损耗低、出色的Vcesat饱和压降)并且拥有正温度系数。
结合以上特点可知,这一款60A、650V电流、电压的FHA60T65A型号IGBT单管参数是很适合使用在光伏Heric逆变器的电路上。
值得注意的是,光伏研发工程师一定要了解这款优质FHA60T65A国产IGBT单管的情况:它是一款N沟道沟槽栅截止型IGBT,使用Trench Field stop Ⅱ technology 和通过优化工艺,来获得极低的 VCEsat 饱和压降,并在导通损耗和关断损耗(Eoff)之间能做出来良好的权衡。
目前FHA60T65A详细参数:其具有60A, 650V, VCEsat典型值:1.75V,<2.0V;IC (Tc=100℃):60A;Bvces:650V;IF (Tc=25℃):60A;IF (Tc=100℃):30A。
在产品应用上,飞虹半导体建议工程师一定要注意对产品进行试样。飞虹都会安排专业的产品工程师跟进追踪产品的应用情况。
在后极逆变电路的电路应用中,我们想提升产品效率、稳定性和可靠性时,除选用FGH60N60SMD型号外,还可以用飞虹半导体的国产型号:FHA60T65A型号参数来代换。
除参数适合外,飞虹的工程师还会提供优质的产品测试服务。飞虹致力于半导体器件、集成电路、功率器件的研发、生产及销售,给厂家提供可持续稳定供货。至今已经有35年半导体行业经验以及20年研发、制造经验。除可提供免费试样外,更可根据客户需求进行量身定制IGBT产品。
直接百度输入“飞虹半导体厂家”即可找到我们,免费试样热线:400-831-6077。

