点击蓝字 关注我们
微型逆变器,全称是微型光伏并网逆变器:一般指的是光伏发电系统中的功率小于等于1000瓦、具组件级MPPT的逆变器。今天我们来探讨一下,在国产有哪一款IGBT可以替代仙童的FGH40N60SFD应用于微型逆变器中。
为何需要选择一款igbt来替换FGH40N60SFD型号参数呢?因为国产化的电子元器件是一个必然趋势,未来产品可靠性的产业链就在国内了。那么要使用什么IGBT型来代换FGH40N60SFD产品的型号参数才能适配电路呢?有什么IGBT厂家的产品是比较好用的。
今天飞虹电子优先针对的微型逆变器产品进行分享,如果有其他需求的,可直接咨询飞虹电子的官方网站mosgcj.com。其实对于微型逆变器的,我们推荐使用FHA40T65A应用于微型逆变器电路中。毕竟FHA40T65A是可以代换FGH40N60SFD型号的产品型号参数。
为何?因为FHA40T65A具备高可靠性,拥有反向并行的快恢复二极管,Trench Field Stop Ⅱ technology(拖尾电流非常短,出色的Vcesat饱和压降,关断损耗低),拥有正温度系数。
从上述特点可知,这一款40A、650V电流、电压的FHA40T65A型号IGBT单管参数是很适合使用在微型逆变器的电路上。
当然,在应用中,我们微型逆变器研发工程师一定要了解这款优质FHA40T65A国产IGBT单管的详细参数:其具有40A, 650V, VCEsat典型值:1.51V,<1.85V;ID (Tc=100℃):40A;BVdss:650V;IF(A)(Tc=25℃):40;IF(A)(Tc=100℃):20。
FHA40T65A是一款场N沟道沟槽栅截止型IGBT,使用Trench Field stop Ⅱ technology 和通过优化工艺,来获得极低的 VCEsat 饱和压降,并在导通损耗和关断损耗(Eoff)之间做出来良好的权衡。
目前FHA40T65A型号IGBT单管已经广泛适用于微型逆变器、高频车载正玄波AC220V逆变器、光伏逆变器、户外储能电源、UPS、变频器、电焊机和工业缝纫机等各类硬开关。可替代其它品牌型号:仙童FGH40N60SFD。
FHA40T65A的封装形式是TO-3PN。这款产品参数:Vcesat-typ (@Ic=40A):1.51V;ID(A):40;BVdss(V):650、Vge(±V):30;。
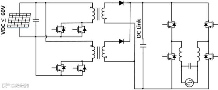
在产品应用上,对于微型逆变器的3KW机型使用8只FHA40T65A在全桥拓扑结构上。
微型逆变器作为重要的工业使用产品,可以对每块组件进行独立的MPPT控制,能够大幅提高整体效率,同时也可以避免集中式逆变器具有的直流高压、弱光效应差、木桶效应等。在其产品质量保证的IGBT选择,除选用FGH40N60SFD型号外,还可以用飞虹半导体的国产型号:FHA40T65A型号参数来代换。
除参数适合外,飞虹的工程师还会提供优质的产品测试服务。飞虹致力于半导体器件、集成电路、功率器件的研发、生产及销售,给厂家提供可持续稳定供货。至今已经有35年半导体行业经验以及20年研发、制造经验。除可提供免费试样外,更可根据客户需求进行量身定制IGBT产品。
直接百度输入“飞虹半导体厂家”即可找到我们,免费试样热线:400-831-6077。

