点击蓝字 关注我们
对于目前常见的单相组串式光伏逆变器的后级逆变——Two-level该怎么选择国产合适的IGBT呢?能代换FGH40N60SFD参数型号的IGBT有什么呢?单相组串式光伏逆变器厂家该如何选择优质的IGBT厂家呢?
就目前市场来看,两级电路-后级逆变能有什么国产优质IGBT使用呢?除常见可使用FGH40N60SFD参数型号。飞虹电子告诉您,选对的IGBT代换FGH40N60SFD参数型号用于两级电路-后级逆变电路能提升您产品的稳定性、可靠性等问题。
为何?因为FHA40T65A具备高可靠性,拥有反向并行的快恢复二极管,Trench Field Stop Ⅱ technology(拖尾电流非常短,出色的Vcesat饱和压降,关断损耗低),拥有正温度系数。
从上述特点可知,这一款40A、650V电流、电压的FHA40T65A型号IGBT单管参数是很适合使用在两级电路-后级逆变的电路上。
当然,在应用中,我们光伏逆变器研发工程师一定要了解这款优质FHA40T65A国产IGBT单管的详细参数:其具有40A, 650V, VCEsat典型值:1.51V,<1.85V;ID (Tc=100℃):40A;BVdss:650V;IF(A)(Tc=25℃):40;IF(A)(Tc=100℃):20。
FHA40T65A是一款场N沟道沟槽栅截止型IGBT,使用Trench Field stop Ⅱ technology 和通过优化工艺,来获得极低的 VCEsat 饱和压降,并在导通损耗和关断损耗(Eoff)之间做出来良好的权衡。
出色的导通压降与极短的拖尾电流为客户在优化系统效率时提供有力的帮助,此外FHA40T65A具备良好的短路特性,为电机驱动领域处理突发事件提供充足的裕量。
目前FHA40T65A型号IGBT单管已经广泛适用于两级电路-后级逆变、光伏逆变器、户外储能电源、UPS、变频器、电焊机和工业缝纫机等各类硬开关。可替代其它品牌型号:仙童FGH40N60SFD。
FHA40T65A的封装形式是TO-3PN。这款产品参数:Vcesat-typ (@Ic=40A):1.51V;ID(A):40;BVdss(V):650、Vge(±V):30;。
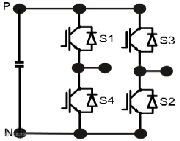
在产品应用上,对于两级电路-后级逆变建议使用4只FHA40T65A在逆变器上。
如何在新的市场中获得竞争优势?核心在于寻求优质的FHA40T65AIGBT单管代换FGH40N60SFD参数型号用于两级电路-后级逆变的电路上,提升产品自身竞争力是重点。
650V、40A 的IGBT代换使用,选对型号很重要。飞虹半导体的IGBT不仅广泛应用于两级电路-后级逆变中,还可用于光伏逆变器、户外储能电源、UPS、变频器、电焊机和工业缝纫机等终端应用场景。为国内的电子产品厂家提供了优质的产品以及配套服务。除提供免费试样外,更可根据客户需求进行量身定制IGBT产品。直接百度输入“飞虹电子”即可找到我们,免费试样热线:400-831-6077。

