新产品FHA75T65A型号参数的IGBT单管是适合应用于光伏逆变器、户外储能电源、高频车载正玄波AC220V逆变器、UPS、电焊机等各类软硬开关和PFC电路,可适用开关频率1~60KHz等电路场景。
因其具备高可靠性、拥有反向并行的快恢复二极管、Trench Field Stop technology(拖尾电流非常短、出色的Vcesat饱和压降、关断损耗低)、拥有正温度系数的特点。所以FHA75T65A型号参数的IGBT单管是可以替代FGH75N65SHDT单管型号参数应用的。
目前FHA75T65A型号所具备的650V电压、75A电流也是让其更符合工业用。值得关注的是飞虹半导体生产制造的IGBT单管产品都是经过一系列可靠性研究才最终反馈到市场进行应用的。
目前飞虹半导体的FHA75T65A型号IGBT产品参数特点为:
1、FHA75T65A拥有高可靠性以及反向并行的快恢复二极管特性,Trench Field Stop technology(出色的Vcesat饱和压降、拖尾电流非常短、关断损耗低)、拥有正温度系数。
2、FHA75T65A的封装形式是TO-247,其具有75A, 650V, VCEsat典型值:1.75V,<2.0V;IC (Tc=100℃):75A;Bvces:650V;IF (Tc=25℃):150A;IF (Tc=100℃):75A。
3、FHA75T65A是一款N沟道沟槽栅截止型IGBT,使用Trench Field stop Ⅱ technology 和通过优化工艺,来获得极低的 VCEsat 饱和压降,并在导通损耗和关断损耗(Eoff)之间能做出来良好的权衡。
4、出色的导通压降与极短的拖尾电流为客户在优化系统效率时提供有力的帮助,广泛适用于光伏逆变器、户外储能电源、高频车载正玄波AC220V逆变器、UPS、电焊机等各类软硬开关和PFC电路,可适用开关频率1~60KHz等电路场景。
以下为飞虹半导体FHA75T65A型号IGBT单管产品可应用具体领域为:
1、高频车载AC220V输出的正弦波逆变器
具体使用方案:3KW机型:使用4只FHA75T65A在逆变器的全桥拓扑结构上(Q3-Q6:IGBT单管)。
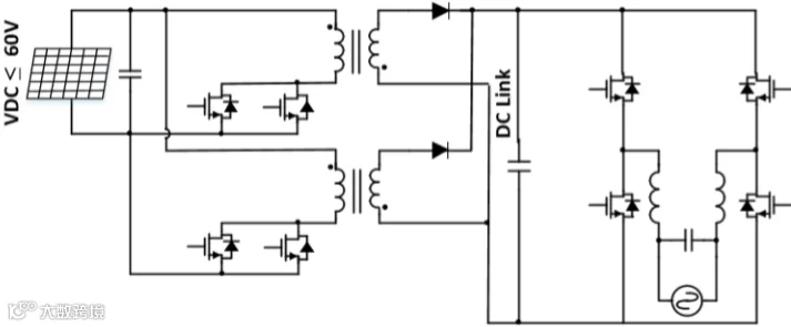
2、光伏逆变器,也叫太阳能逆变器
具体使用方案:微型逆变器:5KW机型4只用于DC-AC逆变电路,2只用于PFC电路上。
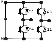
3、单相组串式光伏逆变器:前级升压(Single Boost)
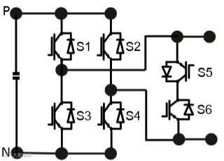
4、单相组串式光伏逆变器:后极逆变(Two-level)
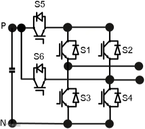
5、单相组串式光伏逆变器:后极逆变(Heric)
6、单相组串式光伏逆变器:后极逆变(H6)
7、户外储能电源(逆变模块)
具体使用方案:原理与车载正玄波逆变器相同,见上面的AC220V输出的正玄波逆变器,适用3KW户外储能电源机型。
8、UPS(逆变模块)
具体使用方案:工频逆变和高频逆变也是全桥拓扑结构,4个IGBT。
飞虹半导体的FHA75T65A型号场效应管是国产优质的IGBT单管产品,其应用领域涉及光伏逆变器、户外储能电源、高频车载正玄波AC220V逆变器、UPS、电焊机等!飞虹半导体20年来专注为国内的电子产品厂家提供了优质的产品以及配套服务。除提供免费试样外,更可根据客户需求进行量身定制IGBT单管产品。直接百度输入“飞虹电子”即可找到我们,免费试样热线:400-831-6077。

