基本概念及组成
ups,不间断电源设备,指不会因短暂停电中断、可以一直供应高品质电源、有效保护精密仪器的电源设备。全名Uninterruptible Power System。亦有稳定电压的作用,类似于稳压器。
从基本应用原理上讲,UPS是一种含有储能装置,以逆变器为主要元件,稳压稳频输出的电源保护设备。主要由整流器、蓄电池、逆变器和静态开关等几部分组成。1)整流器:整流器是一个整流装置,简单的说就是将交流(AC)转化为直流(DC)的装置。它有两个主要功能:第一,将交流电(AC)变成直流电(DC),经滤波后供给负载,或者供给逆变器;第二,给蓄电池提供充电电压。因此,它同时又起到一个充电器的作用;
2)蓄电池:蓄电池是UPS用来作为储存电能的装置,它由若干个电池串联而成,其容量大小决定了其维持放电(供电)的时间。其主要功能是:1当市电正常时,将电能转换成化学能储存在电池内部。2当市电故障时,将化学能转换成电能提供给逆变器或负载;
3)逆变器:逆变器是一种将直流电(DC)转化为交流电(AC)的装置。它由逆变桥、控制逻辑和滤波电路组成;
4)静态开关:静态开关又称静止开关,它是一种无触点开关,是用两个可控硅(SCR)反向并联组成的一种交流开关,其闭合和断开由逻辑控制器控制。分为转换型和并机型两种。转换型开关主要用于两路电源供电的系统,其作用是实现从一路到另一路的自动切换;并机型开关主要用于并联逆变器与市电或多台逆变器。
电气变换种类
交流 →直流 整流变换
直流 →交流 逆变变换
高压 →低压 降压变换
低压 →高压 升压变换
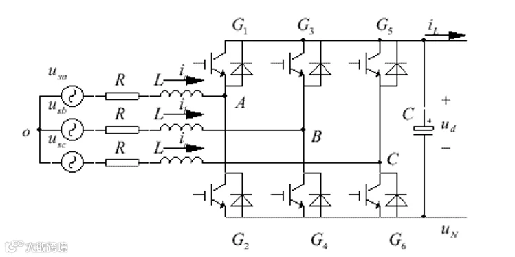
三相IGBT全控整流桥
特点:PFC升压整流,高输入功率因数
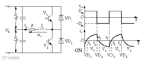
单相半桥逆变电路
三相半桥逆变器
常用器件:
无源器件:
电阻—消耗电能,电压电流同相位
电感—产生磁场储存磁场能量,通直流阻交流,电流滞后电压
电容—产生电场储存电场能量,通交流阻直流,电流超前电压
IGBT:绝缘栅型双极型晶体管全控型器件:开通可控,关断可控
器件特点:高输入阻抗;电压型控制器件,驱动功率小;开关速度快、工作频率可达10-100KHz;饱和压降低(相比MOSFET小得多);电压、电流容量较大,安全工作区较宽。通常反向集成体二极管
半导体功率器件:
UPS的分类
按供电体系不同,UPS分为
单进单出UPS
三进单出UPS
三进三出UPS
按输出功率不同,UPS分为
小功率(<10kVA)
中等功率(10至30kVA)
大功率(>30kVA)
按变压器特点不同,UPS分为
高频UPS(高频机)
工频UPS(工频机)
按工作原理不同,UPS分为
后备式UPS
在线互动式UPS
在线式UPS
后备式UPS工作原理
特点:市电正常时逆变器不工作、 切换时间长
互动式UPS工作原理
特点:逆变器与充电器合二为一、 实现分段稳压
在线式UPS工作原理
特点:正常情况下逆变电路始终处于工作状态
在线式UPS工作模式
电池逆变工作模式:
当主路市电掉电或不正常时,系统自动无间断地切换到电池工作模式,由电池逆变出用户所需的三相四线交流电源向负载供电。市电恢复后系统自动无间断地恢复到正常工作模式 ,如图:
静态旁路工作模式:
旁路工作方式有两种,一种能自动恢复到正常工作模式;另一种需人工干预才能回到正常工作模式。在逆变器过载延时时间到、逆变器受大负载冲击等情况下,系统自动无间断切换到静态旁路电源向负载供电。在UPS恢复正常后,系统自动恢复正常供电方式。
当用户关机,或主路市电掉电(或不正常)且电池储能耗尽,或发生严重故障等情况下,逆变器关闭,系统会停留在旁路工作模式。此后若需恢复到正常工作模式,则需要用户重新开机,如图:
维修工作模式:
需要对UPS电源及电池等进行全面检修或设备故障需维修时,可以通过闭合维护开关Q3BP,将负载转向维修旁路直接供电,以实现对UPS不停电维护。维修需要断开UPS内部的主路、旁路输入电源和电池输入开关以及输出开关,实现UPS内部不带电而对负载仍然维持供电的维修工作模式
-
光伏逆变器智能故障诊断
- 内容低质
- 不看此公众号内容 稻盛和夫:如果自己有错,不是等到明天,而是今天立即纠正
- 内容
人划线

