
产品特点
100%工厂预端接和测试,保证产品性能
快速构建组网,减少安装时间
光纤类型: OM3, OM4, OM4+
光缆颜色: 浅蓝(OM3), 紫(OM4 和OM4+)
防⽕等级: LSZH, OFNR, OFNP
光纤数量: 12F, 2x12F, 4x12F, 6x12F, 8x12F, 12x12F,8F, 2X8F, 4x8F, 6x8F, 8x8F
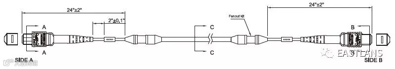
A端:1, 2, 4, 6, 8×8F MTP/MPO (公头或母头),1, 2, 4, 6, 8×12F MTP/MPO (公头或母头)
B端:1, 2, 4, 6, 8×8F MTP/MPO (公头或母头),1, 2, 4, 6, 8×12F MTP/MPO (公头或母头)
可提供客户定制化产品
10G, 40G和100G以太网应用
10G, 40G和100G BiDi网络应用
10G, 40G和100G SWDM网络应用
支持网络
应用
数据中心骨干连接和运营商中央机房
安装位置
光纤光缆盘以及机柜和机柜之间
光学性能
机械性能
环境条件

长按二维码
关注我们吧
联系我们
地址:广州市天河区棠下涌东路306号大地工业区B栋二层
电话:400-836-8228 020-66659950
传真:020-85556356
----- 销售部 -----
蓝生:13310897208 / 13380080808
网址:www.eastlans.com
邮箱:LanJiansheng@eastlans.com

