点击蓝字关注我们
LED的发光原理同传统照明不同,是靠P-N结发光,同功率的LED光源,因其采用的芯片不同,电流电压参数不同,故其内部布线结构和电路分部也不同,导致各生产厂商的光源对调光驱动的要求也不尽相同。
市场上有五种LED照明设备控制方式:前沿切相(FPC)可控硅调光器 , 后沿切相(RPC)MOS管调光,1-10V调光,DALI(数字可寻址照明接口)以及数字可寻址照明接口,其中后沿切相调光器一般使用MOSFET做为开关器件,所以也称为MOSFET调光器,MOSFET是全控开关,既可以控制开,也可以控制关,故不存在可控硅调光器不能完全关断的现象。
具备这样的优点,那么MOSFET调光器对mos管有什么要求呢?与前沿切相调光器相比,后沿切相调光器应用在LED照明设备上,由于没有最低负荷要求,从而可以在单个照明设备或非常小的负荷上实现更好的性能,也就是说,这种调光器需要适配一款内阻低的mos管。
针对这种需求,飞虹微电子研发出一款N沟道沟槽工艺MOS管——15N10,

除了内阻低的产品特点外,它还具有可靠性高,一致性好的产品优势,以下是其参数:
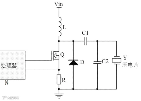
【应用举例】
这款mos管可直接代用市面上三种型号:IRFD530、11N10、ME15N10,除了适配LED调光控制电路外,它还能用于香薰机雾化电路。
为什么一款mos管能拥有如此多用途?
拥有17年MOS管制造经验的飞虹微电子,多年为一流品牌代工OEM,其中包括: 光宝、韩国AUK、韩国SIMIHOW、韩国SIMIWELL、台湾UTC、台湾大中、杭州士兰、华润华晶、吉林华微、方正、BYD、POWER等等,积攒一流的行业经验,因此生产的mos管种类多样,质量过关,有需求欢迎致电:400-831-6077。更多资讯百度搜索“广州MOS管厂家”即可找到我们。
点“阅读原文”了解更多

