点击蓝字关注我们
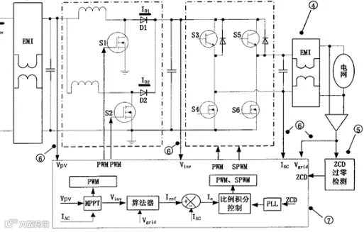
一般来说,逆变器是将直流电压转换为交流电压,基本上就是将蓄电池电压转换为工频220V电压,供电给家用电器。逆变器电路包括前级和后级,后级一般是用专用的开关电路,驱动四个场效应管组成的全桥开关。常用于逆变器后级电路的国产mos管零件是飞虹FHP640 / FHF640 mos管。
飞虹FHP640 / FHF640 mos管是N沟道增强型高压功率场效应管,主要应用于300W/110V方波输出的逆变器电路、DC-AC电源转换器、DC-DC电源转换器、高压H桥PMW马达驱动等电路中。作为国产的mos管,飞虹FHP640 / FHF640 mos管因其价格和质量性能的优势深受国内的逆变器厂家的喜爱,已被许多厂家回购多次。
作为具有17年大功率mos管生产经验的生产厂家,飞虹电子生产的FHP640 / FHF640 mos管具有低电荷、低反向;传输电容开关速度快;低内阻的特点,其封装形式为TO-220 / TO-220F,脚位排列是GDS,Vgs=±30V,VTH=2~4V,ID=18A,BVdss=200V。
广州飞虹电子通过不断的研发新品,逐渐把MOS管产品的使用范围拓展到更多电子领域,希望为电子产品的生产厂家提供强有力的元器件保障。除提供免费试样外,飞虹可根据客户需求进行量身定制MOS管产品。更多详情可百度搜索“飞虹电子”或者拨打试样热线!
免费试样热线:400-831-6077
点击“阅读原文”打开新页面

