点击蓝字关注我们
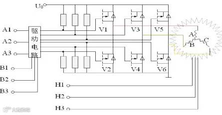
受疫情的影响,今年像爱玛、雅迪这类型的电动摩托车销量明显是有所提升的,可以说大家出行都尽量选择能够有独立空间的。那么对于12V/48V的电动车控制器,目前市场常用的场效应管型号大多为IRF3205、HY1906、HY1707,国内电动车厂家如何选择一款与RU7088同参数功能的国产MOS管来进行代用就显得尤为重要。
好的产品必然需要好的元器件,尤其是应用于目前国民都在大量使用的电动摩托车,出行已经成为普遍需求,选择一款好的场效应管来保障电动车控制器的性能就变得非常重要了。
基于MOS管在电动车控制器中的广泛使用。电动车控制器中场效应管的作用如其说是用MOS管来输出电流驱动电机,还不如说是用于更好的保护场效应管,为控制器起保护作用,让产品的效用寿命更长。
劣质的场效应管会直接影响电动车控制器的性能,导致电动车的质量降低,从而影响电动车厂家的品牌效应。因此在选用MOS管产品的时候,电动车厂商电子工程师应该更多考虑国内优质的产品。目前飞虹生产的型号为:FHP100N07低压MOS管就可替代型号:RU7088低压MOS管。
FHP100N07为N沟道沟槽工艺MOS管。该产品广泛适用于48V/12管的电动车控制器/12V输入的250W逆变器。在应用方面是不仅能匹配型号为RU7088场效应管,还能代用型号为:IRF3205、HY1906、HY1707这几款型号场效应管。
FHP100N07的主要封装形式是TO-220/TO-263,脚位排列位GDS。这款产品最主要的特点就是100A ,70V, RDS(on) = 6.5mΩ(typ) @VGS=10V 开关速度快,内阻低,耐冲击特性好。
广州飞虹电子通过不断的研发新品,目前广泛应用于消费电子产品领域:如智能音响、家用电器、LED照明、电脑电源、充电器、逆变器、电瓶车、汽车电子等行业,为国内的电子产品厂家提供了优质的配套服务。除提供免费试样外,更可根据客户需求进行量身定制MOS管产品。
直接百度输入“飞虹MOS管厂家”即可找到我们,免费试样热线:400-831-6077。

