200V MOS管,这种功率MOSFET是飞虹电子优质产品中的一个常见产品。这款FHP640场效应管具有低电荷、低反向传输电容、开关速度快的特点。
在实际应用中是比较多用于:DC-AC电源转换器,DC-DC电源转换器,高压H桥PMW马达驱动的场景电路中。
这一款200V 的飞虹电子FHP640 MOS管为什么值得电子工程师来使用呢?
三个原因回答您的疑问:
1、飞虹电子专注MOS管制造19年,是国内优质的MOS管制造厂商
2、拥有自身的核心专利技术,是国产化替代使用的好产品
3、在互联网各大平台均有对应推荐使用的文章
【200V MOS管 FHP640场效应管参数:极限值 (TC=25℃)】
漏-源电压:200V
漏极直流电流:18A
漏极直流电流@TC=100℃:11.4A
最大脉冲漏极电流:72A
栅-源电压:±30V
耗散功率:139W
超过25℃时的降额因子:1.11W/℃
结温和存储温度:150,-55~150 ℃
最高焊接温度:300℃
单脉冲雪崩击穿能量:250mJ
重复脉冲雪崩击穿能量:13.9 mJ
雪崩电流:18 A
二极管反向恢复峰值dv/dt:5.5 V/ns
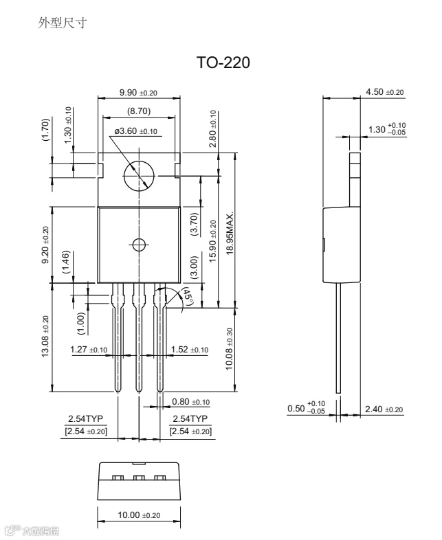
该200V MOS管使用的封装形式是TO-220,目前在使用上面可替代IR场效应管品牌型号:IRF640。
200V 18A的MOS管替换使用,选对型号很重要。飞虹半导体的MOS管已经广泛应用于电源电路、智能家居、新能源电子领域:如汽车电子、电瓶车、智能音响、家用电器、LED照明、充电器、电脑电源等行业,为国内的电子产品厂家提供了优质的产品以及配套服务。除提供免费试样外,更可根据客户需求进行量身定制MOS管产品。直接百度输入“飞虹电子”即可找到我们,免费试样热线:400-831-6077。

