点击蓝字 关注我们
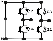
对于后极逆变电路中的Two-level要选择FHA60T65A型号的IGBT单管来应用。尤其是对于单相光伏逆变器的产品,为何?
因为在FHA60T65A型号产品是由纯国产IGBT厂家研发生产出来的,不仅在电路中使用安全可靠,更重要的是可以替代FGH60N60SMD这一款IGBT单管,其型号参数很也是非常适合在电路中使用的。
目前FHA60T65A拥有高可靠性以及反向并行的快恢复二极管特性,Trench Field Stop technology(拖尾电流非常短、出色的Vcesat饱和压降、关断损耗低)、拥有正温度系数。
在特点中可知,这一款60A、650V电流、电压的FHA60T65A型号IGBT单管参数是适合使用在单相光伏逆变器的电路上。
当然,在应用中,我们逆变器研发工程师一定要了解这款优质FHA60T65A国产IGBT单管的详细参数:其具有60A, 650V, VCEsat典型值:1.75V,<2.0V;IC (Tc=100℃):60A;Bvces:650V;IF (Tc=25℃):60A;IF (Tc=100℃):30A。
FHA60T65A是一款N沟道沟槽栅截止型IGBT,使用Trench Field stop Ⅱ technology 和通过优化工艺,来获得极低的 VCEsat 饱和压降,并在导通损耗和关断损耗(Eoff)之间能做出来良好的权衡。
FHA60T65A出色的导通压降与极短的拖尾电流为客户在优化系统效率时提供有力的帮助。
目前FHA60T65A型号IGBT单管已经广泛适用于单相光伏逆变器的后极逆变Two-level中,而且还在高频车载正玄波AC220V逆变器、光伏逆变器、户外储能电源、UPS、变频器、电焊机和工业缝纫机等各类硬开关。可替代其它品牌型号:仙童FGH60N60SMD。
FHA60T65A的封装形式是TO-247。这款产品参数:Vcesat-typ (@Ic=60A):1.75V;IC(A):60A;Bvces(V):650V;Vge(±V):30;。
如何寻求一款安全、可靠,而且库存稳定的纯国产IGBT单管。在单相光伏逆变器中,FHA60T65A的IGBT单管是一种优质的替代型号,可以代换常见的FGH60N60SMD参数型号,提高产品的稳定性和可靠性,从而提升产品的竞争力。
如果您需要寻找适合单相光伏逆变器的IGBT型号,那么飞虹电子可以为您提供更多选择。我们提供高质量的IGBT产品,可以满足您的不同需求,从而帮助您在市场中获得更大的竞争优势。
650V、60A 的IGBT代换使用,选对型号很重要。飞虹半导体的IGBT不仅广泛应用于单相光伏逆变器的后极逆变Two-level中,还可用于光伏逆变器、户外储能电源、UPS、变频器、电焊机和工业缝纫机等终端应用场景。为国内的电子产品厂家提供了优质的产品以及配套服务。除提供免费试样外,更可根据客户需求进行量身定制IGBT产品。直接百度输入“飞虹IGBT厂”即可找到我们,免费试样热线:400-831-6077。

