点击蓝字 关注我们
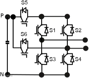
H6桥光伏逆变器的电路中S1-S6的位置是可以使用国产优质IGBT单管FHA75T65A来代换FGH75N65SHDT型号参数。
为何是这一款FHA75T65A的IGBT单管呢?
因为在单相组串式逆变器的发展趋势中可以看到是朝采用多层次拓扑结构的逆变器发展。此类型逆变器可利用基于能提供极低 RDS(ON) 和体二极管回收电荷Qrr沟槽拓扑的低压OptiMOS? MOSFET 开关。
最终降低导通损耗和开关损耗,使其可以实现比传统逆变器更高的效率。正是如此,所以FHA75T65A的IGBT单管也是能解决以上问题。
具体可了解这款IGBT单管的特点:
FHA75T65A是一款N沟道沟槽栅截止型IGBT,使用Trench Field stop technology 和通过优化工艺,来获得极低的 VCEsat 饱和压降,并在导通损耗和关断损耗(Eoff)之间做出来良好的权衡。
对于H6桥光伏逆变器推荐使用飞虹电子FHA75T65A的IGBT单管来替代FGH75N65SHDT还因为其拥有高可靠性以及反向并行的快恢复二极管特性,Trench Field Stop technology(拖尾电流非常短、关断损耗低、出色的Vcesat饱和压降)、拥有正温度系数。
从上述特点可知,这一款75A、650V电流、电压的FHA75T65A型号IGBT单管参数是很适合使用在H6桥光伏逆变器的电路上。
在应用中,我们H6桥光伏逆变器研发工程师一定要了解优质FHA75T65A国产型号的详细参数:其具有75A, 650V, VCEsat典型值:1.75V-typ ,<2.0V;ID (Tc=100℃):75A;BVdss:650V;IF(A)(Tc=25℃):150A;IF(A)(Tc=100℃):75A。
目前FHA75T65A型号IGBT单管已经广泛适用于H6桥光伏逆变器、高频车载正玄波AC220V逆变器、5000W光伏逆变器、户外储能电源、UPS、电焊机等各类软硬开关和PFC电路。可替代其它品牌型号:FGH75N65SHDT。
FHA75T65A的封装形式是TO-247,其具有75A, 650V, Vcesat-typ (@Ic=75A):1.75V;IC(A):75A;Bvces(V):650V;Vge(±V):30;。
对于H6桥光伏逆变器的IGBT单管使用除选用FGH75N65SHDT型号外,还可以用飞虹半导体的国产型号:FHA75T65A型号参数来替代。
飞虹半导体主要经营IGBT、MOS管、场效应管、三极管等半导体器件。目前已取得纽福克斯、佛山索尔、上海衡孚、捷昌驱动、易事特、金莱特、华艺照明、茂硕电源、凯迪电器、雄奇音响、奥迪诗音响等优质客户的认可与应用。致力为国内及全球电子厂商提供优质的配套服务。除提供免费试样外,更可根据客户需求进行量身定制IGBT产品。
直接百度输入“飞虹IGBT厂家”即可找到我们,免费试样热线:400-831-6077。

