点击蓝字关注我们
目前在国内的电子产品厂家仍然是需要强化自己的国内供应链,毕竟今年不仅受外部国际经济影响,而且受原料的影响都会影响产品的上下游产业链问题。目前市场上面高压H桥PWM马达驱动常常使用的国外型号是:9N50、TK8A50D、IRF840,那么究竟在国内是否有优质的场效应管型号参数可以替代以上三款呢?
是有的,目前在国内已经产生了FHP840型号场效应管参数能够完美代换9N50场效应管。
为何说FHP840是可以直接跟9N50等型号对标替代使用呢?揭秘参数前先了解,电机驱动主要采用N沟道MOSFET构建H桥驱动电路,H 桥是一个典型的直流电机控制电路,由于它的电路外形酷似字母 H,故得名曰“H 桥”。
4个开关组成H的4条垂直腿,而电机就是H中的横杠。要使电机运转,必需使对角线上的一对开关导通,经过不同的电流方向来控制电机正反转。
目前这款N沟道增强型高压功率MOS场效应管:FHF840,它在使用性能参数方面不仅能匹配型号为TK8A50D的国外场效应管,也是能够代用TK8A50D、IRF840型号的场效应管。目前广泛使用的场景是高压H桥PWM马达驱动、DC-DC电源转换器、DC-AC电源转换器、300W逆变器后级电路四款产品中。
FHF840场效应管的特点是漏极直流电流9A,漏-源电压500V,导通电阻RDS(on) = 0.8Ω(max) @VGS = 10 V低电荷、低反向传输电容、开关速度快,大芯片,耐过载冲击。
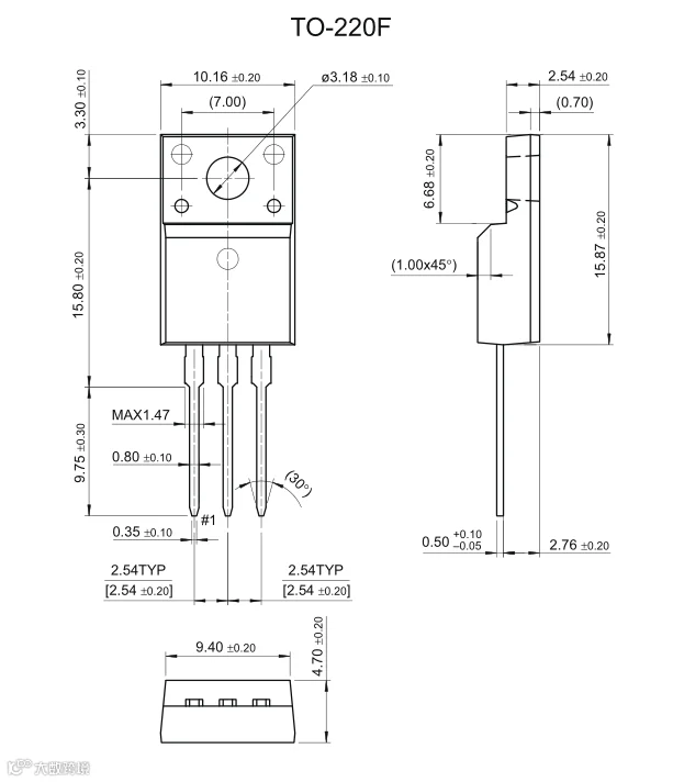
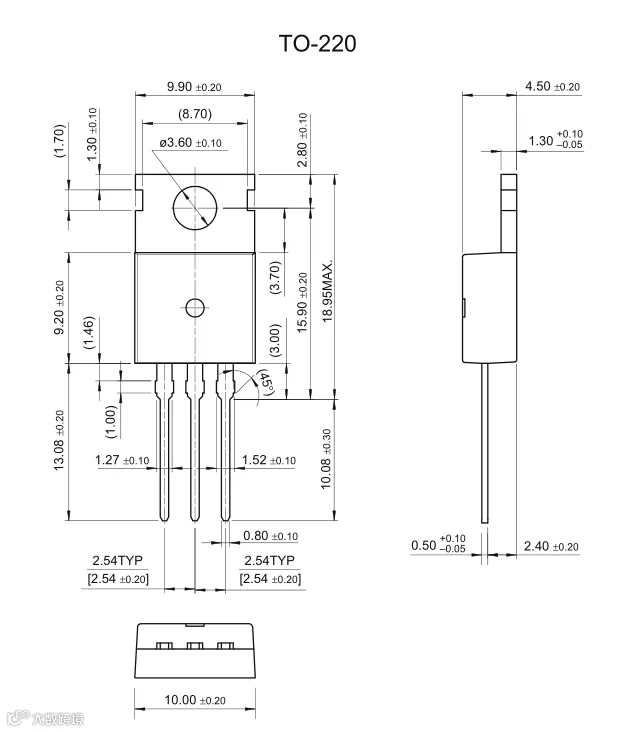
FHF840的主要封装形式是TO-220、TO-220F,脚位排列位GDS。这款场效应管参数:Vgs(±V):30;VTH(V):2-4;ID(A):9;BVdss(V):500。
因为以上的参数特点,所以这一款型号就不仅能够匹配9N50场效应管型号在高压H桥PWM马达驱动中使用,也能匹配TK8A50D、IRF840这两款型号参数。
飞虹半导体的MOS管已经广泛应用于逆变电源、智能家居、新能源电子领域:如智能音响、家用电器、LED照明、充电器、汽车电子、电瓶车、电脑电源等行业,为国内的电子产品厂家提供了优质的产业以及配套服务。除提供免费试样外,更可根据客户需求进行量身定制MOS管产品。
直接百度输入“飞虹MOS管厂家”即可找到我们,免费试样热线:400-831-6077。

