点击蓝字 关注我们
依据数据统计,美国户外休闲产业总规模已达8620亿美元。从数据显示美国等北美国家依然是户外装备的核心群体,而国内依靠车载逆变器出海的企业也都关注以上需求的增长。毕竟市场越大,机会越多。
当然,机会是留给有准备的企业,对于车载逆变器厂家考虑如何合理降低成本,提升产品质量是非常重要的话题。多维度考虑下,MOS管也是非常关键的部件之一。在国内有哪款产品可以实现以上需求,又代换CS82N25型号的场效应管吗?
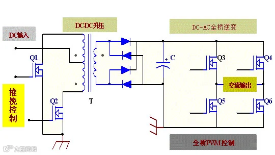
对于美标车载专用逆变器生产的厂家,之前都会用国外的CS82N25 高压MOS管型号在DC-AC逆变器中。
实际上近年来,已经越来越多的出海企业在选用FHA90N25W型号的场效应管来使用,毕竟建立稳定而且具有性价比的半导体供应链是国内电子厂家的核心竞争力之一。
为何对FHA90N25W型号场效应管在美标车载专用逆变器中使用能给予认可呢?除了因其是90A、250V参数的mos管外,还因其具备优秀的产品特点:
1、低导通内阻
2、高抗dv/dt能力
3、抗冲击能力强,通过100% EAS测试
4、散热性能好,通过100% DVDS热阻测试
5、100% Rg测试
6、测试标准高,100%各项参数测试+VTH分档,参数一致性好
7、满足工业级可靠性要求,可靠性高
当然除了产品具备的优良特点外,FHA90N25W能替代CS82N25高压MOS管型号型号其还具备优良的参数:
1、N沟道增强型VDMOS
2、TO-3PN封装外形更适合用于DC-AC逆变器电路
3、Vgs(±V):30;VGS(th):2.0-4.0V;
4、ID(A):90A;BVdss(V):250V
5、最大脉冲漏记电流(IDM ):360A
6、反向传输电容:57pF
7、静态导通电阻RDS(on) = 35mΩ(MAX) @VGS = 10 V,RDS(on) =26mΩ(TYP) @VGS = 10 V
当然,以上仅罗列部分产品的参数,更多的FHA90N25W型号参数可见详细产品规格书。FHA90N25W型号MOS管,是由国内已经专注研发20年的MOS管厂家生产。它良好的制作工艺与参数性能能给美标车载专用逆变器做更好的适配,保障产品的可靠性。
因其达工业级mos管特点,所以更广泛使用在美标车载专用逆变器、逆变器、UPS、光伏逆变器、DC-AC逆变器、车载专用逆变器、户外储能电源、MPPT控制器等应用场景;mos管品牌替代型号:CS82N25。
250V、90A 的MOS管代换使用,选对型号很重要。飞虹半导体的MOS管已经广泛应用于电源电路、智能家居、新能源电子领域:如汽车电子、电瓶车、智能音响、家用电器、LED照明、充电器、电脑电源等行业,为国内的电子产品厂家提供了优质的产品以及配套服务。除提供免费试样外,更可根据客户需求进行量身定制MOS管产品。直接百度输入“飞虹半导体”即可找到我们,免费试样热线:400-831-6077。

