点击蓝字关注我们
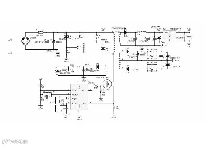
开关电源以小型、轻量和高效率的特点被广泛应用几乎所有的电子设备,是当今电子信息产业飞速发展不可缺少的一种电源方式。高频开关电源是交流输入直流整流,然后经过功率开关器件(功率晶体管、MOS管、IGBT等)构成放入逆变电路,将高压直流(单相整流约300V,三相整流约500V)变换成方波(频率为20kHz)。IPA60R380P6 mos管是高频开关电源中重要的功率开关器件。
而随着国内半导体技术的不断发展,国产的mos管正不断替代着原先的老牌mos管。其中,被众多厂家用于替代IPA60R380P6 mos管的国产型号是飞虹F65R360A场效应管。飞虹是国内的大功率mos管研发生产厂家,具有30多年的行业经验,产品质量性能有保证,价格有优势,受到众多厂家的一致认可。
飞虹F65R360A场效应管是N沟道 Cool-MOS管,脚位排列为GDS,封装形式有三种,分别为:FHP65R360A场效应管对应的封装形式为TO-220;FHD65R360A场效应管对应的封装形式为TO-252;FHF65R360A场效应管对应的封装形式为TO-220F。
飞虹F65R360A mos管具有低栅极电荷、低Crss(典型值0.8pF)、开关速度快等特点,100%经过雪崩测试,满足高抗dv/dt能力,属于RoHS产品,应用在高频开关电源中,可靠性高,一致性好,Vgs=土30V,Vth=2-4V,Id=13A,BVdss=650V。
广州飞虹电子通过不断的研发新品,逐渐把MOS管产品的使用范围拓展到更多电子领域,希望为电子产品的生产厂家提供强有力的元器件保障。例如这款飞虹F65R360A MOS管,不仅质优价廉,而且还能替代IPA60R380P6场效应管。除提供免费试样外,飞虹可根据客户需求进行量身定制MOS管产品。
更多详情可百度搜索“飞虹电子”或者拨打试样热线!免费试样热线:400-831-6077
点击“阅读原文”打开新页面

