涤棉混纺织物是我国在20世纪60年代初期开发的一个品种,该纤维具有挺括、滑爽、快干、耐穿等特点,深受广大消费者的喜爱。
涤棉织物指的是涤纶纤维和棉纤维混纺的织物既突出了涤纶的风格又有棉织物的长处。
纱
✦
涤棉的性能特点
涤纶纤维的性能特点
涤纶纤维作为新型的差别化纤维材料,具有强度高,模量大,伸长小,尺寸稳定性好等特点,该纤维质地柔软,抱合力好,光泽柔和,具有一定的芯暖效应。涤纶吸湿性差,在一般大气亲件下,回潮率只有0.4%左右,因而纯涤纶织物穿着有闷热感,但其织品易洗快干,具有“洗可穿”的美称。涤纶的模量较高,仅次于麻纤维,弹性优良,所以织物挺括抗皱,尺寸稳定,保形性好。涤纶的耐磨性优良,仅次于锦纶,但易起毛起球,且毛球不易脱落。
棉纤维的性能特点
棉纤维的截面是不规则腰圆形,内有中腔;纵向一端是封闭的管状细胞,中间较粗,两端较细,天然卷曲是棉纤维特有的形态特征。棉纤维耐碱不耐酸,吸性强。棉纤维在标准状态下的回潮率为7%~8%,其湿态强度大于干态强度比值为1.1~1.15。棉纤维在10℃的高温下处理8h,强度不受影响。棉纤维在150℃时分解,在320℃时火燃烧。棉纤维的比电阻较低,在加工和使用过程中不易产生静电。
纱
✦
棉涤混纺的优越性
既突岀了涤棉的风格又有棉织物的长处,在干、湿情况下弹性和耐磨性都较好,尺寸稳定,缩水率小,具有挺拔、不易折皱、易洗、快干的特点。而且光泽眀亮,摸起来比较滑爽,挺括,有一定弹性手擦后折痕不明显且恢复较快。但同继承化纤的缺点:摩擦之处易起毛、结球。涤棉混纺出的面料手感厚实柔软穿着较舒适,洗涤不变形,不会起褶,不会缩水。
下面来看一下涤棉混纺与纯棉的比较:
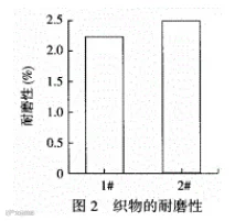
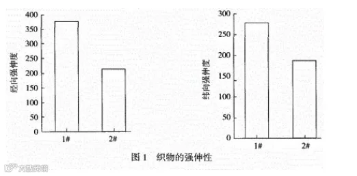
注:织物(组织均为平纹)规格:1# 涤/棉 50/50 18.3tex×18.3tex×296×228;2# 纯棉 18.3tex×18.3tex×292×226。
强伸度(涤棉混纺>纯棉):参考GBT3923.1-2013《纺织品织物拉伸性能第1部分:断裂强力和断裂伸长率的测定条样法)》测试,夹距200mm,经纬向各取3块试验。
耐磨性(涤棉混纺>纯棉):参考GBT21196-2007《纺织品马丁代尔法织物耐磨性的测定第1部分:马丁代尔耐磨试验仪》测试,通常取决于纱线和纤维的强度、延伸度和弹性的综合性能,并根据织物表面的磨损程度或织物物理性能的变化评定。
起毛起球性(涤棉混纺<纯棉):采用GBT48021-2008《纺织品织物起毛起球性能的测定第1部分:圆轨迹法》,利用锦纶刷和磨料或单用磨料使织物起毛起球,然后在规定光照条件下,将起毛起球后的试样与标准样对照,评定起毛起球等级。
涤棉混纺织物容易起球,主要是因为棉织物纤维强度低、耐磨性差,织物表面形成的毛球或球粒很快被磨掉;而化学纤维及其混纺织物由于纤维间抱合力小、纤维强力高、伸长能力好,特别是耐弯曲疲劳、耐扭转疲劳与耐磨性好,故纤维容易滑出织物表面,一旦在表面形成小球后又不容易很快脱落。
抗折皱性(涤棉混纺>纯棉):也可称为折痕恢复性,通常以折痕回复角表示。利用水平法折皱回复角测试仪,将织物按照经纬向分别加压一定时间后测量两翼之间形成的角度,以测得的角度来表示织物折痕回复能力。
纱
✦
涤棉与棉涤
“涤棉”和“棉涤”,两个字的顺序一换就成了两种不同的面料。
“涤棉”(TC)面料是指涤纶的成分占50%以上,棉的成份在50%以下;
优点:光泽比纯棉布亮,手感爽滑、挺括,不容易起皱,而且涤的成分越高面料越不容易起皱。
缺点:亲肤性不如全面,穿着没有全面面料舒适。
“棉涤”(CVC)正好相反,是指棉的成分在50%以上,涤纶的成分在50%以下,也称为CVC品种。
优点:光泽比纯棉布稍亮些,布面平整,洁净无纱头或杂质。手感爽滑、挺括,比全棉布抗皱。
缺点:亲肤性不如全面,穿着没有全面面料舒适。
纱
✦
如何快速判断涤棉混纺面料成分比例
1、观察外观
大家都知道,涤纶是一种化纤,表面比棉光滑且反射面较大,因此,全涤布表面光滑,有一种化纤的光泽,相对而言,全棉布就比较哑光,全涤布和全棉布是比较容易分别出来的。而现在生产的涤棉混纺布,纱线是由涤纶短纤和棉混纺而成,其中一个目的是使得这种涤棉布具有棉感外观,“以假乱真”比较难判断。如果是涤棉坯布,布面上棉子越多,颜色越黄,那么棉成分就越高。
2.手感差别,
涤纶布具有爽滑挺直冷感,而棉布具有柔软易折暖感,同上,棉成分含量较高的涤棉短纤混纺布,单凭手感也很难准确判断。
3.通过规格计算出成分比例
之前我们学习过如何计算涤棉梭织布理论克重计算公式,如果面料是经纱全涤纬纱全棉或者经纱全棉纬纱全涤的话,就可以通过公式,算出涤棉布成分的理论比例。例如:30*200D/120*60斜纹布,200D转换成D支数是5315/200=26.6S
布的理论克重=经纱重量+纬纱重量
=0.1*(经密/2.54)*(583.1/经纱支数)
+0.1*(纬密/2.54)*(590.5/纬纱支数)
=0.1*(120/2.54)*(583.1/30)
+0.1*(60/2.54)*(590.5/26.6)
=91.8+52.4
=144.3克/㎡
由此可以得出棉含量=91.8/144.3=63.6%
同理这个方法可以拓展到其他经纬纱材质不一样的梭织布。
4.燃烧法,
这个是涤棉判断成分和比例主要方法,这里是两个概念,第一是判断成分,第二是判断成分比例。显然判断成分比例是比较难的。判断比例是通过两极分析法和对比分析法实现。
首先,我们先看全棉布和全涤布的燃烧的表现特征分别是怎样的,那么介于中间的涤棉混纺布燃烧时各种特征肯定是全棉布和全涤布表现特征的中间有所偏向,从而判断大概比例。
然后通过对比分析法,进一步判定成分比例。也就是拿一个已知比例的布一起对比燃烧,就可以更准确判断比例。我们生产销售的涤/棉65/35混纺布,经过第三方化学测试,实际比例为涤/棉65.5/34.5, 可以作为对比参照。而市场上常规品种比例多为涤棉40/60,45/55,65/35,80/20等几种固定规格,这样判断起来就会容易一些。
纱
✦
那么燃烧时我们要观察那些特征呢?
第一:烟雾,无染色的全棉布燃烧产生的烟雾是青烟或白烟,而全涤布是黑烟。而涤棉混纺布是黑烟伴有黑色飞絮,含涤越高,烟越黑,飞絮少。
涤棉燃烧有黑烟
第二:气味,全棉布是烧纸味,全涤布刺鼻烧胶味,而涤棉混纺布也是刺鼻烧胶味。
第三,燃烧速度和状态,全棉布易燃,且熄灭后继续伴有隐燃火星,全涤布难燃,热熔滴火,熄灭后无火星。涤棉混纺布,则介于两者之间,燃烧时出现的发亮火星越多,面积越大,熄灭后伴有火星隐燃时间越长,则含棉越多。
第四,燃烧残留物,无染色全棉布的是灰白色灰烬,一碰即化,全涤布则是坚硬黑色结块,且表面光滑。涤棉混纺布则介于两者之间,有黑色硬块,表面不光滑,碾压会碎但不会完全化开,含涤越多,残留物越硬,表面越光滑。
观察以上几方面和标准涤棉65/35或某一已知比例对比,即可判断大概成分比例。
大家好,今天我要向大家介绍的是广州邦葳科微新材料有限公司、江西赣州日纺新材料有限公司的生产事业部为广大客户OEM代工生产服务。
我们专注于纺织印染助剂、造纸助剂、水处理设备清洗产品的研究、开发与生产,拥有雄厚的研发实力和技术支持,丰富的生产经验和质量保证体系。我们的产品广泛应用于纺织、印染、造纸、水处理等行业,深受广大用户的青睐。
为满足客户需求,我们现已在广州、江西定南建立生产基地,拥有先进的生产设备和齐全的检测仪器,专业化的生产团队。
我们坚持“以质量求生存,以科技求发展”的理念,不断提高自身实力,优化产品质量,降低生产成本,为客户提供更加优质、高效、专业的产品和服务。欢迎广大新老客户前来咨询合作,携手共创美好未来!
邦葳科微解决各种面料色牢度问题、造纸加工问题,欢迎来电咨询解决方案,拿样体验效果。13751775703
欢迎联系我们的销售经理索取样品体验效果。
广州邦葳科微新材料有限公司生产的纺织用:无醛固色剂、变色固色剂、增深固色剂、消红光固色剂、交联型固色剂、固色剂Y、硫化料专用固色剂、双氰胺型固色剂、酸性固色剂、尼龙增深固色剂、荧光无色变固色剂、耐氯固色剂、耐海水固色剂、耐汗光固色剂、耐泡水牢度提升剂、耐唾液牢度提升剂、干湿摩擦牢度提升剂等。造纸用:纸张固色剂,造纸助留助滤剂,造纸阻燃剂,造纸剥离剂,造纸双氧水稳定剂,造纸AKD快熟剂,造纸定着剂,造纸湿强解离剂,造纸纸张柔软剂,造纸纸张膨化剂,阳性离子型粘土稳定剂,阴离子垃圾捕捉剂,各类手感风格有机硅整理剂-欢迎来样定制。价格实惠,性价比高。
广州邦葳科微新材料有限公司是一家率先引进国外技术,结合国内需求生产企业,按照纺织助剂、造纸助剂客户要求,提供各种高附加值功能性产品。
邦葳公司义务为客户提供产品分析、产品开发及应用服务。
我司优势产品有无醛固色剂、酸性固色剂、干湿摩擦牢度提高剂、固色剂Y、多胺型固色剂、皂洗剂等产品,延至2014年是国内最高含量生产厂家,公司拥有7个发明专利,为客户带来更大效益。
公司在广东广州、广东南海、广东江门、江苏南通、福建永春、河北辛集、重庆荣昌这七个地区都建立了生产基地。
欢迎各位同行拿样测试对比。
欢迎各位同行来电咨询拿样测试!
联系电话:
020-82455354
技术服务电话:
18028631183
服务投诉电话:
15918488958
销售服务:
庞生13751775703
许生15019101963
龚生13531584487
晓生13242333048
网址:
http://www.bwxcl.cn
图文部分素材来源网络,如需要删除请及时我司处理。
13751775703(微信同号)

