近日,住房城乡建设部发布了《医疗机构污水处理工程技术标准》(GB51459-2024)←点击查阅 的公告,自2024年9月1日起实施。其中,第1.0.4、3.0.4、3.0.6、5.0.9、7.2.5、11.1.8条为强制性条文,必须严格执行。标准主要内容包括:总则,术语和符号,基本规定,水量与水质,污水收集,特殊医疗污水处理,处理工艺及设施,消毒,污水处理站,污泥、废气处理和处置,施工,验收调试,运行管理和安全防护等。
医院是重要的医疗场所,但由此产生的污水却具有一定的危害性。为了保护患者和工作人员的健康,以及维护环境的整洁与安全,医院污水处理管理成为至关重要的任务。
医院污水的概念及分类
医院污水是指医院( 综合医院、专业病院及其他类型医院)向自然环境或城市管道排放的污水。医院污水的主要来源有:诊疗室、化验室、病房、洗衣房、X光室、动物房、手术室等部门排水;医院行政管理人员和医务人员排放的生活污水;医院食堂、宿舍宿舍排水。
医院污水中含有固体悬浮物、酸、碱、有机污染物、动植物油、病菌和病毒等有毒、有害物质。
根据医院污水中含有污染物的有无和多少,医院污水可分为以下6类。
(1) 生活污水和轻污染废水:医院锅炉房排出的废水中只含有固体悬浮物和化学药品,职工浴室、食堂、行政机关、后勤、制剂室、宿舍区的污水中只含有固体悬浮物等生活污水的常规污染物。
(2) 含油废水:车库的洗车废水和食堂的废水除了固体悬浮物之外,主要含油脂,会影响后续处理工艺的效果。
(3) 传染性污水:来自肠道门诊、传染门诊和传染病房的污水,除了含有SS、固体悬浮物之外,还受到传染病患者的粪便、传染性细菌和肠道病毒等病原性微生物污染,具有传染性,会诱发疾病或造成伤害。
(4) 放射性废水:主要来自诊断、治疗过程中患者服用或者注射放射性同位素产生的排泄物及分装同位素的容器、器皿和实验室的清洗水、标记化合物等排放的放射性废水。
(5) 含重金属元素或氰化物的污水:来自放射科的洗印废水除含有固体悬浮物之外,还含有重金属及化学药剂。
(6) 含其他病毒、病菌的污水:来自普通病房、门诊、动物实验室、手术室、检验科、太平间、解剖室等的污水,除含有固体悬浮物之外,还含有其他各种种类的病原体,容易引起各种疾病。
医院污水处理原则
对医院污水产生、处理、排放的全过程进行控制。
亚格制定医院内部卫生安全管理体系,在污水和污物发生源处进行严格控制和分离,医院内生活污水与病区污水分别收集,即源头控制、清污分流。严禁将医院的污水和污物随意弃置、排入下水道。
为防止医院污水输送过程中的污染与危害,必须在医院就地处理。
根据医院性质、规模、污水排放去向和地区差异对医院污水处理进行分类指导。
有效去除污水中的有毒有害物质,减少处理过程中消毒副产物的产生,控制出水中过高余氯,保护生态环境安全。
全面考虑综合性医院和传染病医院污水达标排放的基本要求,同时加强风险控制意识,从工艺技术、工程建设和监督管理等方面提高应对突发性事件的能力。
医院污水系统工艺选择
(1)工艺选择原则。根据医院的规模、性质和处理污水排放去向,进行工艺选择。医院分为传染病医院和综合医院。医院污水处理后排放去向分为排入自然水体(达标排放)和通过市政下水道排入污水处理站(预处理排放)两类。
医院污水处理所用工艺必须确保处理出水达标,主要采用的三种工艺有:应为一级处理工艺;一级强化处理工艺;二级处理工艺。
工艺选择原则如下:
1️⃣ 传染病医院必须进行消毒处理。
2️⃣ 处理出水排入自然水体的县及县以上医院必须采用二级处理。
3️⃣ 处理出水排入城市下水道(下游设有二级污水处理站)的综合医院推荐采用二级处理,对采用一级处理工艺的必须加强处理效果。
4️⃣ 对于经济不发达地区的小型综合医院,条件不具备时可采用简易生化处理作为过渡处理措施,之后逐步实现二级处理或加强处理效果的一级处理。
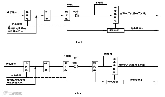
(2)加强处理效果的一级处理工艺(见图1)。对于处理出水最终进入二级处理污水处理站的综合医院,应加强其处理效果,提高SS的去除率,减少消毒剂用量。加强一级处理效果宜通过两种途径实现:对现有一级处理工艺进行改造以加强去除效果和采用一级强化处理技术。

图1 一级强化处理工艺流程
1️⃣ 工艺流程。对现有一级处理工艺进行加强处理效果的改造,改造应根据实际情况,充分利用现有处理设施,对现有医院中应用较多的化粪池、接触池在结构或运行方式上进行改造,必要时增设部分设施,尽可能地提高处理效果,以达到医院污水处理的排放标准。一级强化处理,对于综合医院(不带传染病房)污水处理可采用“预处理→一级强化处理→消毒”的工艺。通过混凝沉淀(过滤)去除携带病毒、病菌的颗粒物,提高消毒效果并降低消毒剂的用量,从而避免消毒剂用量过大对环境产生的不良影响。医院污水经化粪池进入调节池,调节池前部设置自动格栅,调节池内设提升水泵。污水经提升后进入混凝沉淀池进行混凝沉淀,沉淀池出水进入接触池进行消毒,接触池出水达标排放。调节池、混凝沉淀池、接触池的污泥及栅渣等污水处理站内产生的垃圾集中消毒外运。消毒可采用巴氏蒸汽消毒或投加石灰等方式。
2️⃣ 工艺特点。加强处理效果的一级强化处理可以提高处理效果,可将携带病毒、病菌的颗粒物去除,提高后续深化消毒的效果并降低消毒剂的用量。其中对现有一级处理工艺进行改造可充分利用现有设施,减少投资费用。
3️⃣ 适用范围。加强处理效果的一级强化处理适用于处理出水最终进入二级处理污水处理站的综合医院。
(3)二级处理工艺(见图2)。
图2 二级处理工艺流程
1️⃣ 工艺流程说明。二级处理工艺流程为“调节池→生物氧化→沉淀池→接触消毒”。医院污水通过化粪池进入调节池。调节池前部设置自动格栅。调节池内设提升水泵,污水经提升后进入好氧池进行生物处理,好氧池出水进入接触池消毒,出水达标排放。调节池、生化处理池、接触池的污泥及栅渣等污水处理站内产生的垃圾集中消毒外运焚烧。消毒可采用巴氏蒸汽消毒或投加石灰等方式。传染病医院的污水和粪便宜分别收集。生活污水直接进入预消毒池进行消毒处理后进入调节池,患者的粪便应先独立消毒后,通过下水道进入化粪池或单独处理(如虚线所示)。各构筑物须在密闭的环境中运行,通过统一的通风系统进行换气,废气通过消毒后排放,消毒可采用紫外线消毒系统。
2️⃣ 工艺特点。好氧生化处理单元去除CODcr、BOD5等有机污染物,好氧生化处理可选择接触氧化、活性污泥和高效好氧处理工艺,如膜生物反应器、曝气生物滤池等工艺。采用具有过滤功能的高效好氧处理工艺,可以降低悬浮物浓度,有利于后续消毒。
3️⃣ 适用范围。适用于传染病医院(包括带传染病房的综合医院)和排入自然水体的综合医院污水处理。
(4)简易生化处理工艺(见表5)。
表5 常用工艺比较表
1️⃣ 工艺流程。简易生化处理工艺的流程为“沼气净化池→消毒”。沼气净化池分为固液分离区、厌氧滤池和沉淀过滤区。三区的主要功能分别为去除悬浮固体,吸附胶体和溶解性物质,进一步去除和降解有机污染物,最后通过沉淀和过滤单元去除剩余悬浮物和降解有机污染物,保证出水质量。所产生沼气根据气量大小作不同的处理,当1m³污泥制取沼气达15m³以上时,收集利用;当1m³污泥制取沼气不足15m³时,收集燃烧处理。
2️⃣ 工艺特点。沼气净化池利用厌氧消化原理进行固体有机物降解。沼气净化池的处理效率优于腐化池和沼气池,造价低、动力消耗低,管理简单。
3️⃣ 适用范围。作为对于边远山区、经济欠发达地区医院污水处理的过渡措施,逐步实现二级处理或加强处理效果的一级处理。
医院污水消毒是医院污水处理的重要工艺过程,其目的是杀灭污水中的各种致病菌。医院污水消毒常用的消毒工艺有氯消毒(如氯气、二氧化氯、次氯酸钠)、氧化剂消毒(如臭氧、过氧乙酸)、辐射消毒(如紫外线、γ射线)。表6对常用的氯消毒、臭氧消毒、二氧化氯消毒、次氯酸钠消毒和紫外线消毒法的优缺点进行了归纳和比较。

表6 常用消毒方法比较
(1)二氧化氯消毒。二氧化氯具有高效氧化剂、消毒剂以及漂白剂的功能。作为强化氧化剂,它所氧化的产物中无有机氯化物;作为消毒剂,它具有广谱性的消毒效果。
二氧化氯必须现场制备。现场制备二氧化氯的方法主要为化学法和电解法。
(2)次氯酸钠消毒。次氯酸钠消毒是利用商品次氯酸钠溶液或现场制备的次氯酸钠溶液作为消毒剂,利用其溶解后产生的次氯酸对水中的病原菌具有良好的杀灭效果,对污水进行消毒。
(3)漂白粉及漂粉精消毒。漂白粉为白色粉末状,具有强烈气味,化学性质不稳定,易分解而失效,能使大部分有机色彩氧化褪色或漂白。
(4)氯消毒接触池。医院污水消毒按运行方式可分为连续消毒和间歇消毒两种方式。
接触消毒池的容积应满足接触时间和污泥沉积的要求。传染病医院污水接触时间不宜小于1.5小时,综合医院污水接触时间不宜小于1.0小时。
连续式消毒的接触池有效容积为污水部分容积和污泥部分容积之和。
间歇式消毒时,接触池的总有效容积应根据工作班次、消毒周期确定,一般宜为调节池容积的1/2。
接触消毒池一般分为两格,每格容积为总容积的一半。池内应设导流墙(板),避免短流。导流墙(板)的净距应根据水量和维修空间要求确定,一般为600mm~700mm。接触池的长度和宽度比不宜小于20:1。接触池出口处应设取样口。
设计时应按设计选定的处理工艺流程的实际运行情况,按最不利情况进行组合,校核实际接触时间,以满足设计要求。
(5)氯消毒设计要点。
当污水采用氯消毒工艺时,其设计加氯量可按下列数据确定:
加强处理效果的一级处理出水的设计加氯量以有效氯计,一般为30~50mg/L;
二级处理出水的设计参考加氯量一般为10~15 mg(有效氯)/L;
当污水采用其他方法消毒时,其设计投加量应根据具体水质确定;
加药设备至少为2套,一用一备;
氯投加量为参考值,运行中应根据余氯量和实际水质水量实验确定投加量。
(6)臭氧消毒。臭氧,分子式为O3,具有特殊的刺激性臭味,是国际公认的绿色环保型杀菌消毒剂。臭氧在水中产生氧化能力极强的单原子氧(O)和羟基(OH),羟基(OH)对各种致病微生物有极强的杀灭作用,单原子氧(O)具有强氧化能力,对各种病毒、细菌均有很强的杀灭能力。
臭氧消毒具有反应快、投量少;适应能力强,在pH5.6~9.8、水温0~37℃范围内,臭氧消毒性能稳定;无二次污染;能改善水的物理和感官性质,有脱色和去嗅去味作用。但缺点是无持续消毒功能、只能现场生产使用、臭氧消毒法设备费用较高、耗电较大,电机寿命短。
(7)紫外线消毒。消毒使用的紫外线是C波紫外线,其波长范围是200~275nm,杀菌作用最强的波段是250~270nm。紫外线消毒技术是利用特殊设计的高功率、高强度和长寿命的C波段紫外光发生装置产生的强紫外光照射流水,使水中的各种细菌、病毒、寄生虫、水藻以及其他病原体受到一定剂量的紫外C光辐射后,其细胞组织中的DNA结构受到破坏而失去活性,从而杀灭水中的细菌、病毒以及其他致病体,达到消毒杀菌和净化的目的。紫外线杀菌速度快,效果好,不产生任何二次污染,属于国际上新一代的消毒技术。但要求水中悬浮物浓度较低,以保证良好的透光性。
(1)污泥的分类和泥量。污泥根据工艺分为化粪池污泥、初沉污泥、剩余污泥、化学(混凝)沉淀污泥、消化污泥等。
(2)医院污泥处理工艺流程。污泥处理工艺以污泥消毒和污泥脱水为主,或采用高温堆肥法。
(3)污泥消毒。污泥首先在消毒池或储泥池中进行消毒,消毒池或储泥池池容不小于处理系统24h产泥量,但不宜小于1m³。储泥池内需采取搅拌措施,以利于污泥加药消毒。
(4)污泥脱水。污泥脱水的目的是降低污泥含水率,脱水过程必须考虑密封和气体处理。
(5)污泥的最终处置。污泥根据国家环境保护总局危险废物分类,属于危险废物的范畴,必须按医疗废物处理要求进行集中(焚烧)处置。
(1)工艺流程。为防病毒从通过媒介传播到大气中而造成病毒的二次传播污染,将水处理池加盖板密闭起来,盖板上预留进、出气口,把处于自由扩散状态的气体组织起来。
组织气体进入管道定向流动到能阻截、过滤吸附、辐照或杀死病毒、细菌的设备中,经过有效处理后再排入大气。
废气处理可采用臭氧、过氧乙酸、含氯消毒剂、紫外线、高压电场、等离子、过滤吸附和光催化消毒处理对空气传播类病毒进行有效的灭活。
(2)建设设计要点:
按局部通风设计原则,针对有害气体散发状况,优先考虑密闭罩;
对于格栅口和污泥的清除处,由于操作需要,可以采取敞口罩;
通风机选用离心式,排气高度15m;
通风机流量和压头需要根据不同处理方法的要求选取,对于使用氧化型消毒剂的情况,通风机和管材应考虑防腐。
(1)放射性废水来源。放射性废水主要来自诊断、治疗过程中患者服用或注射放射性同位素后所产生的排泄物,分装同位素的容器、杯皿和实验室的清洗水,标记化合物等排放的放射性废水。当医院总排出口污水中的放射性物质含量高于现行国家标准《辐射防护规定》(GB 8703)规定的浓度限值时,应进行处理。
(2)放射性废水的水质水量和排放标准。放射性废水浓度范围为3.7×102Bq/L~3.7×105Bq/L。
废水量为100L/床·d~200L/床·d。医院放射性废水排放执行新制定的《医疗机构污染物排放标准》规定:在放射性污水处理设施排放口监测其总 α<1Bq/L,总β<10Bq/L。
当医院的放射性污水排入江河时,应符合下列要求:
经处理后的污水不得排入生活饮用水集中取水点上游1000m和下游100m范围的水体内,且取水区的放射性物质含量必须低于露天水源中的浓度限值。
排放口应避开经济鱼类产卵和水生生物养殖场。
在设计和控制排放量时,应取10倍的安全系数。
(3)放射性废水系统及衰变池设计。放射性废水应设置单独的收集系统,含放射性的生活污水和试验冲洗废水应分开收集,收集放射性废水的管道应采用耐腐蚀的特种管道,一般为不锈钢管道或塑料管。
放射性试验冲洗废水可直接排入衰变池,粪便生活污水应经过化粪池或污水处理池净化后再排入衰变池。
衰变池根据床位和水量设计或选用。
衰变池按使用的同位素种类和强度设计,衰变池可采用间歇式或连续式。
间歇式衰变池采用多格式间歇排放;连续式衰变池,池内设导流墙,推流式排放。衰变池的容积按最长半衰期同位素的10个半衰期计算,或按同位素的衰变公式计算。
衰变池应防渗防腐。
(4)当污水中含有几种不同放射性物质时,污水在衰变池中的停留时间应取最大值。医院放射性同位素的半衰期及其年摄入量限制按表7确定。


表7 医院反射性同位素的半衰期及其年摄入量限值
(5)监测和管理。间歇衰变池在排放前监测;连续式衰变池每月监测一次。收集处理放射性污水的化粪池或处理池每半年清掏1次,清掏前应监测其放射性达标方可处置。





