搜索
首页
大数快讯
大数活动
服务超市
文章专题
出海平台
流量密码
出海蓝图
产业赛道
物流仓储
跨境支付
选品策略
实操手册
报告
跨企查
百科
导航
知识体系
工具箱
更多
找货源
跨境招聘
DeepSeek
首页
>
重磅:环境部对建设项目环境影响评价分类管理名录、建设项目环境影响报告书(表)审批程序规定征求意见
>
重磅:环境部对建设项目环境影响评价分类管理名录、建设项目环境影响报告书(表)审批程序规定征求意见
山东天洁项目管理咨询有限公司
2020-06-02
2
关于公开征求《建设项目环境影响评价分类管理名录(2020年版,征求意见稿)》《生态环境部建设项目环境影响
报告
书(表)审批程序规定(征求意见稿)》意见的通知
为贯彻落实《中华人民共和国环境影响评价法》,深化环境影响评价“放管服”改革,我部对《建设项目环境影响评价分类管理名录》《国家环境保护总局建设项目环境影响评价文件审批程序规定》进行修订,形成《建设项目环境影响评价分类管理名录(2020年版,征求意见稿)》《生态环境部建设项目环境影响报告书(表)审批程序规定(征求意见稿)》,现公开征求意见。上述征求意见稿及其编制说明,可登录我部网站(http://www.mee.gov.cn/)“意见征集”栏目检索查阅。
各机关团体、企事业单位和个人均可提出意见和建议。有关意见和建议请填写附件6、附件7,并于2020年7月2日前书面反馈或传真至我部(电子文档请同时发至hpsyijian@mee.gov.cn),逾期未反馈将视为无意见。
联系人:生态环境部环境影响评价与排放管理司梁睿、勾玉莹
电话:(010)66556407
联系人:生态环境部环境工程评估中心周炯、李晓举
通信地址:
北京
市
朝阳
区北苑路28号院2号楼
邮政编码:100012
电话:(010)84756898、84756918
传真:(010)84756918
附件:1.抄送单位名单
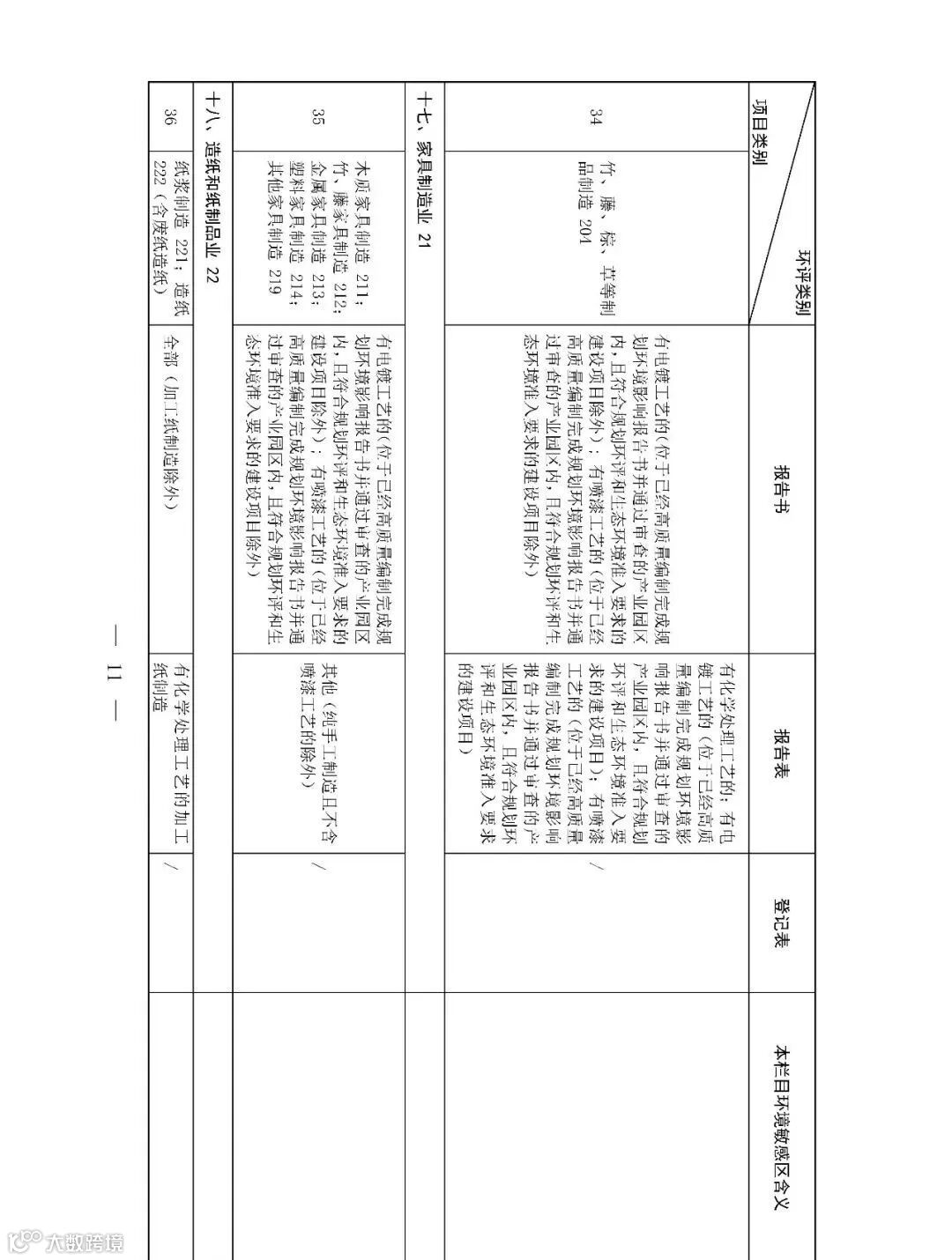
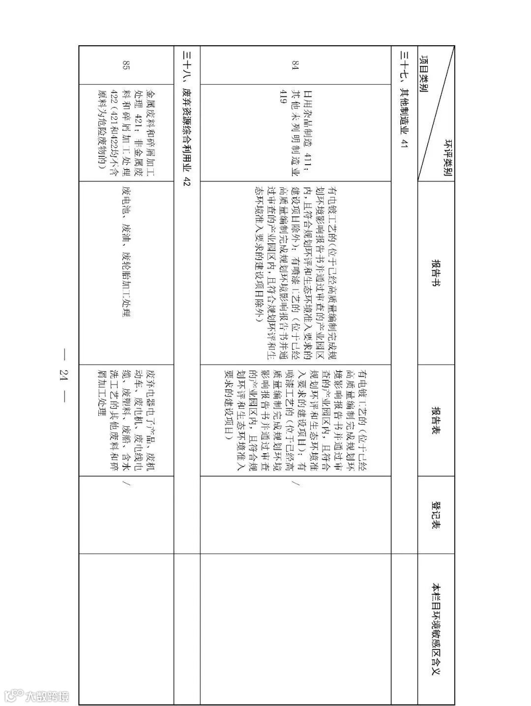
2.建设项目环境影响评价分类管理名录(2020年版,征求意见稿)
3.《建设项目环境影响评价分类管理名录(2020年版,征求意见稿)》编制说明
4.生态环境部建设项目环境影响报告书(表)审批程序规定(征求意见稿)
5.《生态环境部建设项目环境影响报告书(表)审批程序规定(征求意见稿)》编制说明
6.《建设项目环境影响评价分类管理名录(2020年版,征求意见稿)》修改意见表
7.《生态环境部建设项目环境影响报告书(表)审批程序规定(征求意见稿)》修改意见表
生态环境部办公厅
2020年5月29日
(
此件社会公开)
抄送:各有关单位。
【声明】内容源于网络
0
0
山东天洁项目管理咨询有限公司
公司成立于2006年,德州市环境保护产业协会会长单位,德州市“德办好”咨询服务业联合体理事长单位,同时拥有环评资质、工程咨询资质及市级维稳资质的技术咨询服务单位。
内容
0
粉丝
0
关注
在线咨询
山东天洁项目管理咨询有限公司
公司成立于2006年,德州市环境保护产业协会会长单位,德州市“德办好”咨询服务业联合体理事长单位,同时拥有环评资质、工程咨询资质及市级维稳资质的技术咨询服务单位。
总阅读
0
粉丝
0
内容
0