大数跨境

换向阀-两位三通气控阀

换向阀-两位三通气控阀 广州市斯玛特工业自动化设备有限公司
2025-06-19
1

两位三通气控阀应用领域

斯玛特两位三通气控阀凭借其结构简单、响应快、抗干扰性强(尤其适用于防爆或远程气动信号控制场景)的特点,广泛应用于以下领域:气动控制系统:驱动单作用气缸的进气与排气,实现执行器的往复运动;在双作用气缸回路中辅助主阀完成位置切换。‌过滤系统切换‌:在工业水处理中实现过滤模式与反冲洗模式的通路转换(如含杂水流正向过滤与反向冲洗)。‌生产线控制‌:物料输送方向切换(如装配线分流)。



两位三通气控阀



产品概述

动作结构:二位三通 

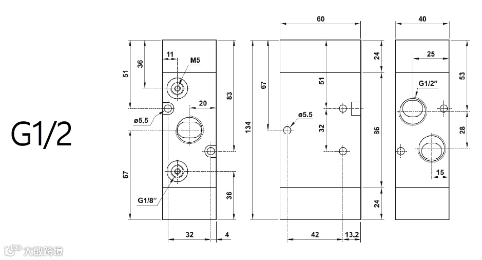
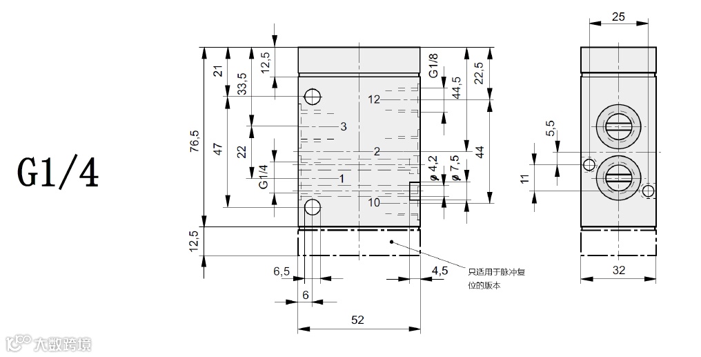
接口尺寸:G 1/4  G1/2

驱动方式:气动,通过永久型号

复位方式:弹簧复位 


技术数据

工作压力范围:2-10bar

工作温度范围:-10°-+60°

工作介质:过滤压缩空气

额定流量:1300l/min(G1/4)     4600l/min(G1/2)



外形尺寸(mm)





特点一

快速响应能力                   
开/关时间分别为7ms和26ms,满足高速气动控制要求。


特点二

安全与可靠性高                   

IP65防护等级,能适应恶劣工业环境。


特点三

进口密封更加耐用               

采用德国进口密封圈,不易漏气,使用寿命更长。




扫码获取更多产品信息







【声明】内容源于网络
0
0
广州市斯玛特工业自动化设备有限公司
气路元件,电气元件销售
内容 62
粉丝 0
广州市斯玛特工业自动化设备有限公司 气路元件,电气元件销售
总阅读44
粉丝0
内容62