斯玛特两位三通电磁阀以其卓越的性能和可靠性,在工业自动化领域扮演着不可或缺的角色。电磁阀设计精巧,能够实现精确的流体控制,适用于多种复杂的工作环境。在非标自动化设备中,它能够确保机械臂和传送系统等关键部件的高效运作;而在数控机床领域,其精准的控制能力有助于提高加工精度和生产效率。此外,在铁路大型养路机械中,斯玛特电磁阀能够稳定地控制液压系统,保障铁路维护工作的顺利进行。
Part.01
产品概述
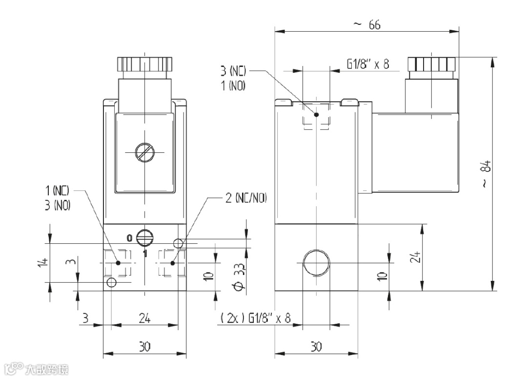
1、直动式 3/2 通电磁阀,带机械弹簧复位功能
2、孔口尺寸:3 mm,最大压力:7 bar
3、常开,端口 2 和 3 在阀门内,端口 1 在电磁阀顶部
4、阀门通常配备手动控制装置。工业 B 型连接器(22 mm)
Part.02
技术数据
Part.03
外形尺寸(mm)

