搜索
首页
大数快讯
大数活动
服务超市
文章专题
出海平台
流量密码
出海蓝图
产业赛道
物流仓储
跨境支付
选品策略
实操手册
报告
跨企查
百科
导航
知识体系
工具箱
更多
找货源
跨境招聘
DeepSeek
首页
>
换向阀-两位五通气控阀
>
换向阀-两位五通气控阀
广州市斯玛特工业自动化设备有限公司
2025-06-20
2
导读:斯玛特气控阀应用领域两位五通气控阀凭借其纯气动控制、无火花、响应快、耐恶劣环境等特性,广泛应用于:工业自动化生
斯玛特气控阀应用领域
两位五通气控阀凭借其纯气动控制、无火花、响应快、耐恶劣环境等特性,广泛应用于:
工业自动化生产线执行机构控制
:
用于精确控制气动执行元件(如气缸)的动作,实现物体的抓取、搬运、旋转、升降、夹紧等自动化操作。
化工、石化、矿山等防爆要求严格场所:
易燃易爆环境(如含有化学蒸汽、粉尘、瓦斯的环境)中替代电动阀门。
物料包装与填充机械:
控制包装机械中的气动夹爪、分度盘、灌装头等部件的动作序列,确保高速、精准的包装流程。
Part.01
概述
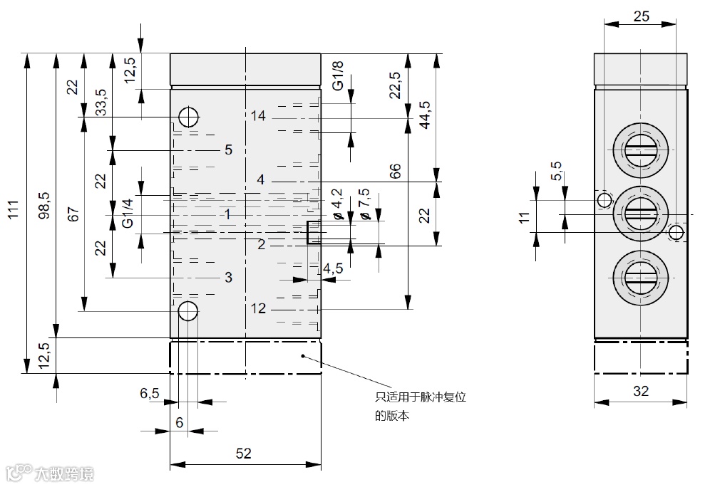
动作结构:二位五通
接口尺寸:G 1/4
驱动方式:气动,通过永久信号
复位方式:弹簧复位
Part.02
技术数据
Part.03
外形尺寸(mm)
【声明】内容源于网络
0
0
广州市斯玛特工业自动化设备有限公司
气路元件,电气元件销售
内容
0
粉丝
0
关注
在线咨询
广州市斯玛特工业自动化设备有限公司
气路元件,电气元件销售
总阅读
0
粉丝
0
内容
0