液压知识
挖掘机的液压系统就是按照挖掘机工作装置和各个机构的传动要求,把各种液压元件用管路有机地连接起来的组合体。主要包含了液压油箱、主泵、多路阀、各管路及执行各动作的油缸、马达等部件。其功能是,以油液为工作介质,利用液压泵将发动机的机械能转变为液压能并进行传送,然后通过液压缸和液压马达等将液压能转返为机械能,实现挖掘机的各种动作。
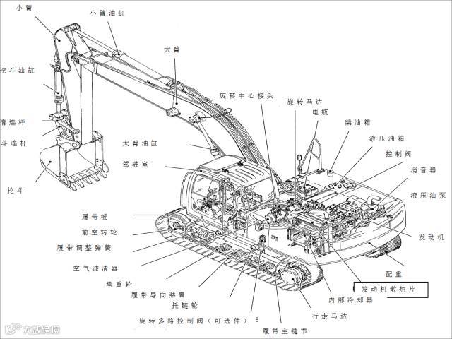
挖掘机主要部件图
挖掘机结构图
挖掘机动力装置和动力传动系统
1、行走动力传输路线:柴油机——联轴节——液压泵(机械能转化为液压能)——分配阀——中央回转接头——行走马达(液压能转化为机械能)——减速箱——驱动轮——轨链履带——实现行走
2、回转运动传输路线:柴油机——联轴节——液压泵(机械能转化为液压能)——分配阀——回转马达(液压能转化为机械能)——减速箱——回转支承——实现回转
3、动臂运动传输路线:柴油机——联轴节——液压泵(机械能转化为液压能)——分配阀——动臂油缸(液压能转化为机械能)——实现动臂运动
4、斗杆运动传输路线:柴油机——联轴节——液压泵(机械能转化为液压能)——分配阀——斗杆油缸(液压能转化为机械能)——实现斗杆运动
5、铲斗运动传输路线:柴油机——联轴节——液压泵(机械能转化为液压能)——分配阀——铲斗油缸(液压能转化为机械能)——实现铲斗运动

韩国PMG液压泵

