搜索
首页
大数快讯
大数活动
服务超市
文章专题
出海平台
流量密码
出海蓝图
产业赛道
物流仓储
跨境支付
选品策略
实操手册
报告
跨企查
百科
导航
知识体系
工具箱
更多
找货源
跨境招聘
DeepSeek
首页
>
了解电动叉车与普通内燃叉车
>
了解电动叉车与普通内燃叉车
广州市森磬机械设备有限公司
2016-06-01
2
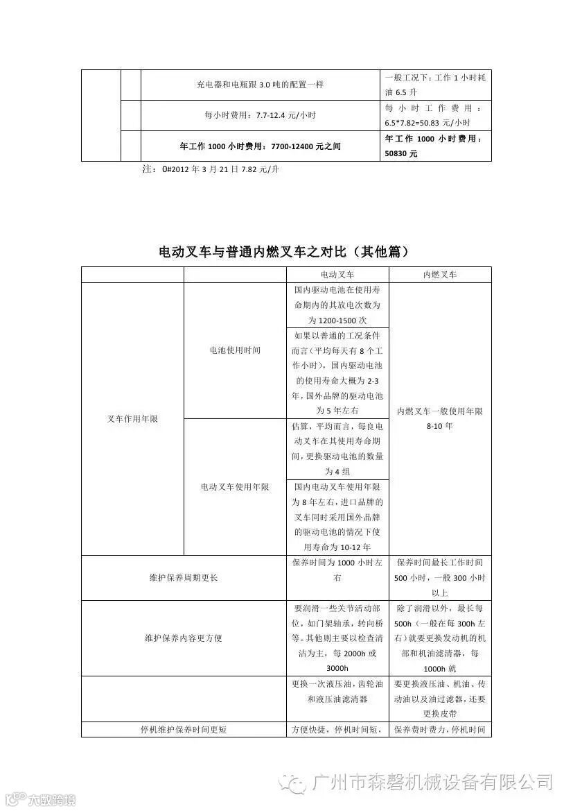
导读: 电动叉车与普通内燃叉车之对比
电动叉车与普通内燃叉车之对比
【声明】内容源于网络
0
0
广州市森磬机械设备有限公司
提供叉车整车销售、叉车租赁、叉车维修服务及配件。服务品牌:林德叉车、杭州叉车。做叉车搬运综合解决方案的设计者,做叉车搬运进步的推动者,协助客户在仓储搬运版块创造更大的价值。
内容
0
粉丝
0
关注
在线咨询
广州市森磬机械设备有限公司
提供叉车整车销售、叉车租赁、叉车维修服务及配件。服务品牌:林德叉车、杭州叉车。做叉车搬运综合解决方案的设计者,做叉车搬运进步的推动者,协助客户在仓储搬运版块创造更大的价值。
总阅读
0
粉丝
0
内容
0