告诉大家一个天大的好消息,CD3电动机保护器,CB1控制与保护电器进国家标准图集啦!



以下内容摘自国家标准设计公众号:
为适应城镇化建设发展需要,保障人民生命与财产安全,建筑防火相关规范《火灾自动报警系统设计规范》已修订。依据新版规范,中国建筑标准设计研究院组织行业权威设计院和知名专家对D303-2《常用风机控制电路图》、D303-3《常用水泵控制电路图》进行修编,将于今年9月初上市。
2010版D303-2《常用风机控制电路图》、D303-3《常用水泵控制电路图》出版以来,对提高效率、保证工程质量起到了重要作用,受到广泛好评。本次修编图集在依据最新相关标准的基础上,充分考虑了2010版图集发行至今各方反馈意见,结合建设行业发展需要,对原图集进行了系统的修订和补充。2016版图集新增内容涵盖了超高层等新型建筑类型和新技术应用所涉及技术要点,更适应快速发展的建设要求。具体如下:
适用于民用及一般工业建筑3/N/PE~220/380V 50Hz系统内常用风机的控制。

1.根据《火灾自动报警系统设计规范》GB 50116-2013,对消防风机控制电路图进行了修改。
2. 取消了消防联动控制器无源触点控制消防风机的控制方案,保留有源DC24V触点方案。
3. 为了推广新产品新技术,图集中增加了控制与保护开关电器(CPS)用于消防风机的控制方案。
4. 增加了平时兼事故两用单速风机电路图。
5. 修改了消防兼平时两用双速风机平时无BAS自动控制时,风机的手动和消防手动启停和自动问题。
6. 修改了YD系列△/YY接线及YDT系列Y/YY接线的单台双速风机 在低速和高速转换时,存在接触器线圈瞬间短路的问题。
7. 增加了消防兼平时两用双速风机和平时用双速风机当没有自动控制信号(BAS)时,风机的控制要求。
8. 增加了对消防风机电源检测要求及传感器的安装位置。
修编亮点(部分):
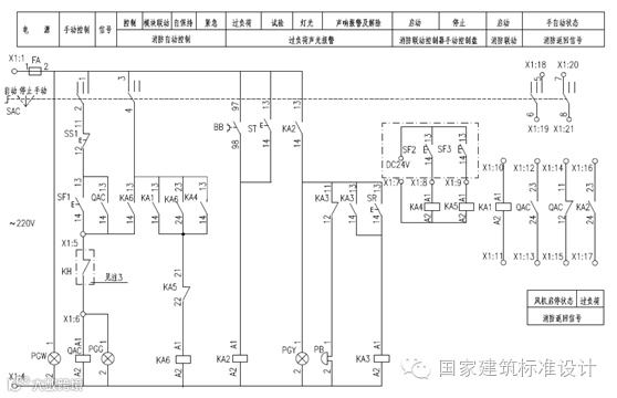
排烟(加压送风)风机电路图

说明:
1.消防联动控制器手动控制盘上只设置一组手动启动(SF2)和停止按钮(SF3),消防手动控制排烟(加压送风)启、停。联动触发信号为有源DC24V信号(KA1)。
2.消防风机控制箱手动转换开关(SAC)设于手动位时,消防控制室不应对消防风机进行手自动控制,以免安全事故。
3.手动转换开关(SAC)的手、自动状态信号和风机的启停信号及过负荷信号均通过模块反馈到消防联动控制器中。
适用于民用与一般工业建筑3/N/PE~220/380V 50Hz系统内常用水泵的控制。

1.根据《火灾自动报警系统设计规范》GB 50116-2013,对消防水泵控制电路图进行了修改。
2. 取消了消防联动控制器无源触点控制消防水泵的控制方案,保留有源DC24V触点方案。
3. 为了推广新产品新技术,图集中增加了控制与保护开关电器(CPS)用于消防水泵的控制方案。
4.增加了超高层建筑中消防水泵的控制电路图(低区消防水泵、高区消防水泵、屋顶消防水箱、转输水箱、消防水池)。
5.消火栓用消防水泵和自动喷洒用消防水泵内容合并为消防水泵控制电路图。
6. 增加了对消防水泵电源检测要求及传感器的安装位置。
7.保留了消防按钮启动消火栓泵的控制方案(当建筑物内无火灾自动报警系统时)。
修编亮点(部分):
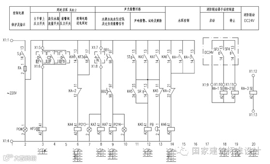
消防水泵一用一备全压启动控制电路图


说明:
1.消防联动控制器手动控制盘上只设置一组手动启动(SF3)和停止按钮(SF4),手动控制消防水泵的启、停。联动触发信号为有源DC24V信号(KA-3)。
2.消防水泵控制箱手动转换开关(SAC)设于手动位时,消防控制室不应对消防水泵进行手自动控制,以免安全事故。
3.手动转换开关(SAC)的手、自动状态信号和水泵的启停信号及过负荷信号通过模块反馈到消防联动控制器中。


(转载自网络)

