搜索
首页
大数快讯
大数活动
服务超市
文章专题
出海平台
流量密码
出海蓝图
产业赛道
物流仓储
跨境支付
选品策略
实操手册
报告
跨企查
百科
导航
知识体系
工具箱
更多
找货源
跨境招聘
DeepSeek
首页
>
发展被动房是当前解决能源危机的重要途径!
>
发展被动房是当前解决能源危机的重要途径!
PKPM绿色低碳
2021-11-16
1
导读:绿色建筑概念已经取得了长足的进步。随着建筑师、设计师和建筑商获得更好的工具,有助于突破建筑能源效率的极限,我
绿色建筑
概念已经取得了长足的进步。
随着建筑师、设计师和建筑商获得更好的
工具
,有助于突破建筑能源效率的极限,
我们看到在更主流地采用绿色建筑标准方面取得了更大的进步。
一种即将成熟的标准是被动式房屋。
被动房的概念最早是在八十年代初提出的,当时绿色建筑的概念还处于起步阶段。
今天,这一概念在全球已有超过 25,000 栋房屋和建筑物被认定为被动式房屋。
什么是被动房?
什么是被动房?
被动房是任何符合严格能效标准的建筑。
被动一词源于这样一个事实,即
建筑物的能源效率
来自其被动结构,包括屋顶、墙壁、窗户、门和地板。
通过从根本上改善
建筑物的隔热
和
节能
特性,可以将其供暖需求降低多达 90%。
因此,作为标准的被动式住房侧重于通过隔热来帮助降低建筑物的能源需求,进而降低其整体能源足迹。
当你减建筑物的能源足迹时,会产生一些好处,包括环境、健康和成本效率方面的好处。
1.被动房的环境效益
根据
国际能源署
(IEA) 的
说法
,能源效率是可持续全球能源系统的首要燃料。
它可以
缓解气候变化
、改善能源安全和发展经济,同时带来环境和社会效益。
被动式房屋出色地履行了这一使命。
传统建筑面临的最大挑战之一是
能量
损失。当建筑物很容易以热量的形式损失能量时,需要燃烧更多的燃料来加热建筑物。当这种情况发生时,整体能源消耗会增加,这对环境不利,因为大部分热量来自燃烧化石燃料。另一方面,当建筑物从根本上提高能源效率时,需要的能源就会减少,因此需要燃烧的化石燃料也会减少。
虽然这是被动式房屋环境效益的宏观观点,但投资这项技术是否有任何微观效益?
这里有两个,
首先,想想能源消耗较少的空气
质量
。
在依赖
熔炉的
家庭中
,取消熔炉可
显着
改善
家庭内外的
空气质量
。
其次,如果您不再需要使用炉子、
家庭周围的
HVAC 装置
或任何其他热量产生和管理设备
,则可以消除声音污染
。
本质上,被动式房屋减少了对环境造成负担的需要。
通过彻底的
能源效率
和自给自足,被动式房屋建筑成为环境的一部分,而不仅仅是环境的补充。
2.健康和舒适的好处
当大多数人听到被动式房屋时,他们会想象住在一个密封的纸袋里。这种想法可能会令人非常沮丧,因为会想到空气质量、空气充足性和舒适度等问题。尽管被动式房屋背后的理念是通过紧密密封的围护结构(建筑物)提高能源效率,但这并不意味着健康和舒适度会受到影响。以空气质量为例。大多数人认为开窗是保证房间空气质量的最佳方式。现在,被动式房屋依靠关闭的窗户来确保没有热量逸出,这是一个两难选择。被动式房屋很好地解决了这个难题。
尽管您可以在被动房中打开窗户,但即使您不这样做,热回收通风系统也可确保有足够的优质空气在房屋中循环。
在舒适性方面,被动式房屋保持舒适的
温度
,由房屋内的被动热源(如电器、体热和照明)调节。
此外,它们往往没有冷点或热点,而传统供暖的房屋通常就是这种情况。
通过
被动房规划包
等工具提供的严格设计标准,以
被动房标准建造的房屋遵守与能源效率标准一样严格的舒适标准。
3.成本效益优势
成本效率是被动房概念的核心。当建筑物的隔热效果非常好时,它可以仅使用其常规加热能源需求的 10%。当然,这也显着降低了与加热建筑物相关的成本。那么,被动式房屋概念如何实现能源需求的大幅减少?答案是保温。被动式房屋依靠广泛的绝缘来获得这种水平的能源效率。为什么保温效果这么好?
传统建筑会通过屋顶、墙壁、地板、门以及最重要的窗户损失大量热量。
对于被动式房屋,这些结构中的每一个都经过精心设计和建造,以确保接近零热量损失。
当您查看传统房屋旁边的被动式房屋的热扫描时,您会注意到被动式房屋几乎完全是蓝色的,这意味着几乎没有能量损失。
另一栋建筑接近全红色,这意味着它正在失去很多能量。
这种节能和效率水平是导致大量节能的原因,使被动式房屋具有成本效益。
上面的热成像图中有一个房子是被动房,猜猜是哪一栋?
被动式房屋是一个尚未进入主流建筑的概念。然而,这并不意味着建造被动式房屋不切实际。它确实指出需要更好地了解这个概念。我们建议任何对此概念感兴趣的人参观被动式房屋展示屋,亲身体验其好处。这是理解和宣传推广这一突破性能源效率概念的唯一途径。
建筑领域推行高标准的节能技术,打造成为被动房,是实现碳中和目标的重要手段。今天我们罗列几个非常好的被动房常用的建筑节能技术措施供大家参考。
一、真空玻璃节能门窗
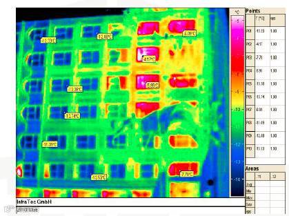
大多数建筑的门窗保温效果是很不理想的,在门窗保温性能里,单玻不如双玻,双玻不如三玻;推拉窗不如平开窗。如果你们家是单玻推拉窗,那是最需要进行节能改造的!
这是用红外热成像仪监测了一户家庭,可以看到热量通过门窗的流失是多么的严重!
由于门窗是看得见摸得着的实物,它的保温性能和气密性能对整体建筑的效果影响颇为大,咱们索性一次性应用到位,把窗户做到最好:选择真空玻璃节能门窗!
真空玻璃是将两片玻璃合片进行抽真空,间隔不到0.3mm,中间有很多细小的支撑物,其传热系数可以实现1.0W/m.K以下,比你家普通玻璃性能提升好几倍!
真空玻璃门窗的保温隔热示意
普通中空玻璃门窗的保温传热示意
真空玻璃是将两片平板玻璃四周密闭起来,将其间隙抽成真空并密封排气孔,两片玻璃之间的间隙为0.3mm,真空玻璃的两片一般至少有一片是低辐射玻璃,这样就将通过真空玻璃的传导、对流和辐射方式散失的热降到最低,其工作原理与玻璃保温瓶的保温隔热原理相同。很多企业是将真空玻璃用于冷柜绝热,用于建筑节能,那实在是太好了!
二、真空绝热板外保温体系
另外一个真空原理的产品是真空绝热板保温材料,其导热系数低至0.008,比传统保温建材性能好几倍,达到同样的保温性能,真空绝热板的厚度只需要普通保温材料的五分之一,可以节省一大笔墙体厚度占用的建筑面积。
真空绝热板构造示意
是由填充芯材与真空保护表层复合而成
,通过对复合板材的抽真空处理,极大的降低了板材的导热系数。这种建筑内保温用真空绝热板导热系数可以降低至0.006W/m.K以下。
镀铝箔面真空绝热板产品示意
不同保温材料达到同种保温性能下的厚度对比
真空绝热板在国内外建筑外墙保温中的应用
真空绝热板在国内外建筑外墙保温中的应用
真空绝热板在国内外建筑外墙保温中的应用
三、新风能源一体机
冬天采暖、夏天制冷,这是建筑达到人体舒适度必须的。
被动房也需要一套设备体系来实现这种冬暖夏凉的目标。
现在很多人把被动房传说的妖魔化了,说被动房不需要“空调”、不需要“暖气”,以讹传讹之后,人们都想当然的觉得被动房不需要任何设备了。
其实不然,被动房必须配置一些采暖制冷设备措施,以保障人们居住所需,只是这种设备外在形式变了,跟传统空调长得不一样了,它可以将新风融入到空调体系中,用新风的末端来实现采暖、制冷和供应新风。
这种一体化的设施,比传统中央空调+独立新风方式就简化了很多,在被动式居住建筑中非常实用。
这是标准的新风能源一体机系统构成原理示意
真空玻璃节能门窗、真空绝热板保温技术+新风空调一体机技术,构成了被动式超低能耗建筑的三个关键部品部件,如果咱们几百亿平方的住宅建筑物都按照这个标准机芯设计建造的话,那么中国建筑领域的碳中和目标就很容易提前实现了。
【声明】内容源于网络
0
0
PKPM绿色低碳
依托于PKPM强大的企业实力与丰富项目经验,定期发布国内外绿色建筑资讯、绿色建筑政策与标准信息、节能与绿色建筑设计、绿色建筑软件产品、绿色建材、绿色建筑典型案例与知识等,以期帮助建筑从业人员,并促进绿色建筑行业的快速发展。
内容
0
粉丝
0
关注
在线咨询
PKPM绿色低碳
依托于PKPM强大的企业实力与丰富项目经验,定期发布国内外绿色建筑资讯、绿色建筑政策与标准信息、节能与绿色建筑设计、绿色建筑软件产品、绿色建材、绿色建筑典型案例与知识等,以期帮助建筑从业人员,并促进绿色建筑行业的快速发展。
总阅读
0
粉丝
0
内容
0