一、 空气源热泵冷暖机组原理
空气源热泵冷暖机组系统概述空气源热泵,除具备制取出采暖用热水的功能外,空气源热泵机组还能切换到制冷工况制取冷冻水。 空气源热泵的基本原理是基于压缩式制冷循环,利用冷媒做为载体,通过风机的强制换热,从大气中吸取热量或者排放热量,以达到制冷或者制热的需求。
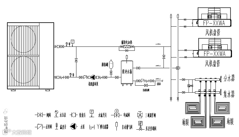
按照逆卡诺循环原理,该系统主要空气源热泵主机和末端两大部分组成。空气源热泵机组与末端共同使用,前者提供冷水或热水,后者将冷水或热水,通过热交换, 提供冷气或采暖。空气源热泵机组是采暖系统中的主机,由于采用空气源冷凝器不需要冷却塔;而蒸发器是水冷的,夏天制冷时提供冷水,冬季制热时提供热水,风机盘管是空调系统的末端装置,装在室内如同把水从低处提升到高处而采用水泵那样,采用热泵可以把热量从低温抽吸到高温。所以热泵实质上是一种热量提升装置,热泵的作用是从周围环境中吸取热量,并把它传递给被加热的对象(温度较高的物体)。
空气源热泵的风为何物,即是流动的空气。流动的空气作为热媒的热泵,即是空气源热泵只是在设置上,空气源热泵可能借助风机等设备加速空气流动,空气源热泵多数为自然流通。
“热泵”是一种能从自然界的空气、水或土壤中获取低品位热能,经过电力做功,提供可被人们所用的高品位热能的装置。

二、 空气源热泵冷暖机组特点
空气源热泵冷暖机组是一个提供冷热源的独立完整机组,又是利用四处都有空气这个自然能源,加上风冷热泵机组的制造工艺等特点,因而具有许多特点:
(1)安装在室外,如屋顶、阳台等处,不占有有效建筑面积,节省土建投资。
(2)夏季供冷、冬季供热,省去了锅炉房,对城市建设有利。
(3)省去了冷却水系统和冷却塔、冷却水泵、管网及其水处理设备,节省了这部份投资和运行费用。
(4)冬季供热节电,热泵的COP值为3左右,即热泵供热比用电直接供 热要省电三分之二左右。
(5)热泵的形式多种,采用低噪声热泵,噪声可控制,对周围环境不会产生不利的影响。
(6)安全保护和自动控制同时装於一个机体内,运行可靠,管理方便。
(7)外部美观,用多层喷漆、烤漆制作或作聚酯外部保护层,符合 IP54 保护标准,可在一个相当长的时间,如 8-10 年都不会生锈。
(8)独立完整的机组,安装方便,可缩短施工周期
三、空气源热泵冷暖机组在空调系统中的类别
热泵的分类多种多样,如果按同热泵的蒸发器和冷凝器换热的介质不同分类,热泵可以分为:空气-空气热泵,空气-水热泵,水-水热泵、水-空气热泵、土壤-空气热泵及土壤-水热泵等。其中空气-水热泵机组,即空气热源热泵式冷暖机组在工程上的应用更为广泛。

四、空气源热泵冷暖机组应用
空气源热泵冷暖机组被定义为能实现蒸发器与冷凝器功能转换的制冷机。我们也可以称空气源热泵冷暖机组为基于逆卡诺循环原理工作,既可以用来制冷,又可以用来供热的机组。广泛使用在家庭、别墅和商用场所。


