

1—后备厢门控器电磁阀;2—左后门锁电动机及位置开关;3—门锁控制开关;4—左前门锁电动机、位置开关及门锁开关;5—左前门锁控制开关;6—No.1接线盒门控线路断路器;7—防盗和门锁控制ECU及门锁控制继电器;8—No.2接线盒、熔断丝;9—后备厢门控器开关;10—点火开关;11—右前门锁控制开关;12—右前门锁电动机、位置开关和门锁开关;13—右前门钥匙控制开关;14—右后门锁电动机及位置开关
直流电动机式:利用控制直流电动机的正反转实现门锁的开、关动作。主要由双向直流电动机、门锁开关、连杆操纵机构、继电器及导线等组成,操作机构如下图所示。驾乘人员可以利用门锁开关接通或断开门锁继电器。

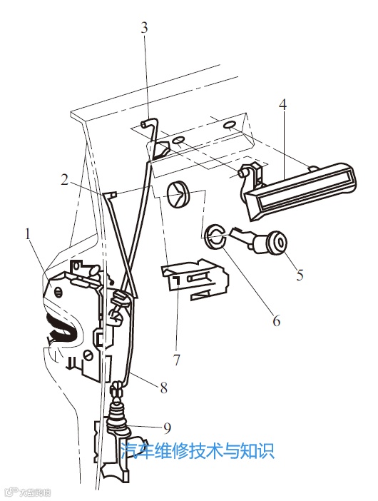
▲ 直流电动机式中控门锁
1—门锁总成;2—锁芯至门锁连杆;3—外门锁把手至门锁连杆;4—外门锁把手;5—锁芯;6—垫圈;7—锁芯定位架;8—电动机至门锁连杆;9—门锁电动机

▲ 中控门锁电路图



特别鸣谢广州东方酷科(星际丰)汽配商行提供文章内容,欢迎转发,欢迎阅读,欢迎添加服务微信


