
一辆行驶里程约1400km、配置264缸内直喷发动机(带48V技术)、9速变速器的新款奔驰C260轿车。用户反映:该车行驶中仪表显示48V蓄电池报警,停车后不能启动。
故障诊断:接车后,验证故障现象,果不其然,仪表显示48V蓄电池故障,并且不能启动发动机,如图1所示。

连接诊断仪,对电控系统进行快速测试,有相关故障码,如图2~图5所示。




要搞清楚故障原因,首先我们要弄懂48V系统的原理结构。接下来我们就一起学习一下奔驰的最新48V车载电气系统的相关知识。
奔驰的48V车载电气系统是在传统的12V车载电气系统上进行了提高,为内燃机的启动程序提供能量并给附加电气设备供电。48V车载电气系统通过直流/直流转换器控制单元(N83/1)连接至12V车载电气系统。换言之,12V车载电气系统通过直流/直流转换器控制单元代替了传统12V发电机。除此之外,48V车载电气系统连同48V车载电网蓄电池(G1/3)一起为整个系统提供额外的蓄电池容量。直流/直流转换器控制单元在48V车载电气系统是能源管理的主控制单元。
48V车载电气系统中的能源管理计算启动机一发电机(M1/10 )输出功率的电流和电压限值,以实现48V车载电网蓄电池的电荷平衡并确保启动性能。传动系统控制单元(N127)在48V车载电气系统中是牵引管理的主控制单元。48V车载电源管理的原理图如图6所示。
从原理图可以大致分析出它们之间的逻辑关系,48V蓄电池
(G1/3)通过LIN线和DC/DC(N83/1 )通信的,DC/DC是主控单元,DC/DC通过CAN B和外界通信的,它们之间存在主从关系,而启动发电机是通过混合动力CANL和外界通信的。
分析故障码,可知48V系统都报了故障码,那究竟是哪个部件出现了问题呢?故障码多不知道从何入手,那就先瞧瞧实际值,DC/DC的实际值如图7所示。

实际值端子40就是48V的供电线,可以看出上面是没有电压的,不正常,它是蓄电池的主控单元。那48V蓄电池的实际值怎样呢?48V蓄电池的实际值如图8所示。

48V蓄电池的实际值,一切正常,说明48V蓄电池是没有问题的。那问题就出在DC/DC和启动机一发电机上面了。
根据48V车载电气系统之间的逻辑关系,DC/DC是主控单元,它和48V蓄电池是主从关系,48V蓄电池没有问题,那就往下面测量,测量DC/DC的输出端,DC/DC输出48V到启动机一发电机的48V电源,测量发现了蹊跷,没有48V的电输出到启动机一发电机端,但是当把输出到启动机一发电机的48V电源线去掉后,DC/DC就有48V的输出了。那么问题肯定出在了48V的启动机一发电机上,要么线路有问题,要么启动发电机有问题。
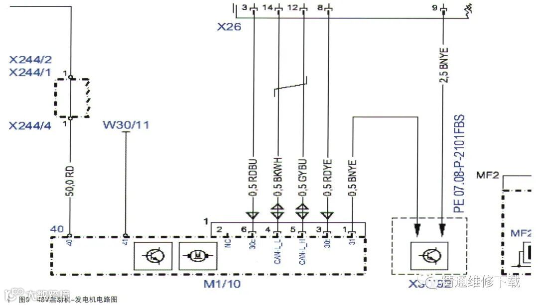
检查启动机一发电机的线路,没有对地短路的情况。48V启动机一发电机的电路图如图9所示。

图9中的40就是启动机一发电机的48V电源输入端,41就是48V的搭铁端,当测量它们之间的电阻值时,发现它们之间是短路的,电阻值为0.2Ω,如图10所示。

看来问题的根源终于找到了,是由于启动机一发电机的正负极内部短路,导致48V系统报警,导致发动机不能启动的,短路了,48V电源就不能输出了,DC/DC就关闭了48V的输出。48V启动机一发电机的实物图,如图11所示。

故障总结:此车是奔驰最新的48V电网系统故障诊断,诊断故障前首先还是要搞清楚它们之间的逻辑控制原理,结合实际值,结合故障的测量,这样一步步地进行抽丝剥茧,最后才能柳暗花明,找出故障的根源。(图文来自互联网原者联系删除)
文章内容仅供学习交流参考,欢迎转发,欢迎指正,欢迎维修大师傅提供宝贵维修知识分享,让生活更美好。
特别鸣谢广州东方酷科(星际丰)汽配商提供文章内容,欢迎添加服务微信号采购配件:mmggppqq


