大数跨境

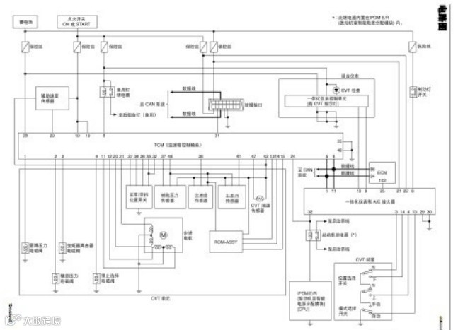
天籁3.5L的CVT维修注意事项

天籁3.5L的CVT维修注意事项 广州美加达自动波箱配件有限公司
2014-05-20
0
导读:点击上方标题下「美加达自动波」可快捷关注 美加达企业微信号:meijiada800006359自动变速箱最专

点击上方标题下「美加达自动波」可快捷关注







美加达企业微信号:meijiada800006359

自动变速箱最专业咨询门户

专业维修技术通报 售后市场新资讯

零部件品牌介绍

☞☞也可点击文章标题下面蓝字直接关注

回复“简介”,查看美加达企业简介

回复“1”,为您推送最新到货产品

回复“2”,查阅自动波保养小窍门

如果您喜欢本文章,欢迎您分享和转载,感谢您的支持!


更多资讯请关注公众微信号:meijiada800006359


【声明】内容源于网络
0
0
广州美加达自动波箱配件有限公司
中国最大自动变速箱后市场配件供应商,自动变速箱零件精品平台!
内容 0
粉丝 0
广州美加达自动波箱配件有限公司 中国最大自动变速箱后市场配件供应商,自动变速箱零件精品平台!
总阅读0
粉丝0
内容0