
电动车窗的结构、电路图以及识读方法
电动车窗的组成
电动车窗又称电动门窗,驾驶员或乘员在座位上操纵控制开关,利用电动机驱动玻璃升降器实现车窗玻璃的升降。驾驶员操作时,可以使四个车窗中任意一个上升或下降,乘员只能使所在的车窗上升或下降。
电动车窗主要由玻璃升降器、直流电动机、开关(主控开关、分控开关)等组成。

玻璃升降器与直流电动机

主控开关

分控开关
电动车窗电路识读
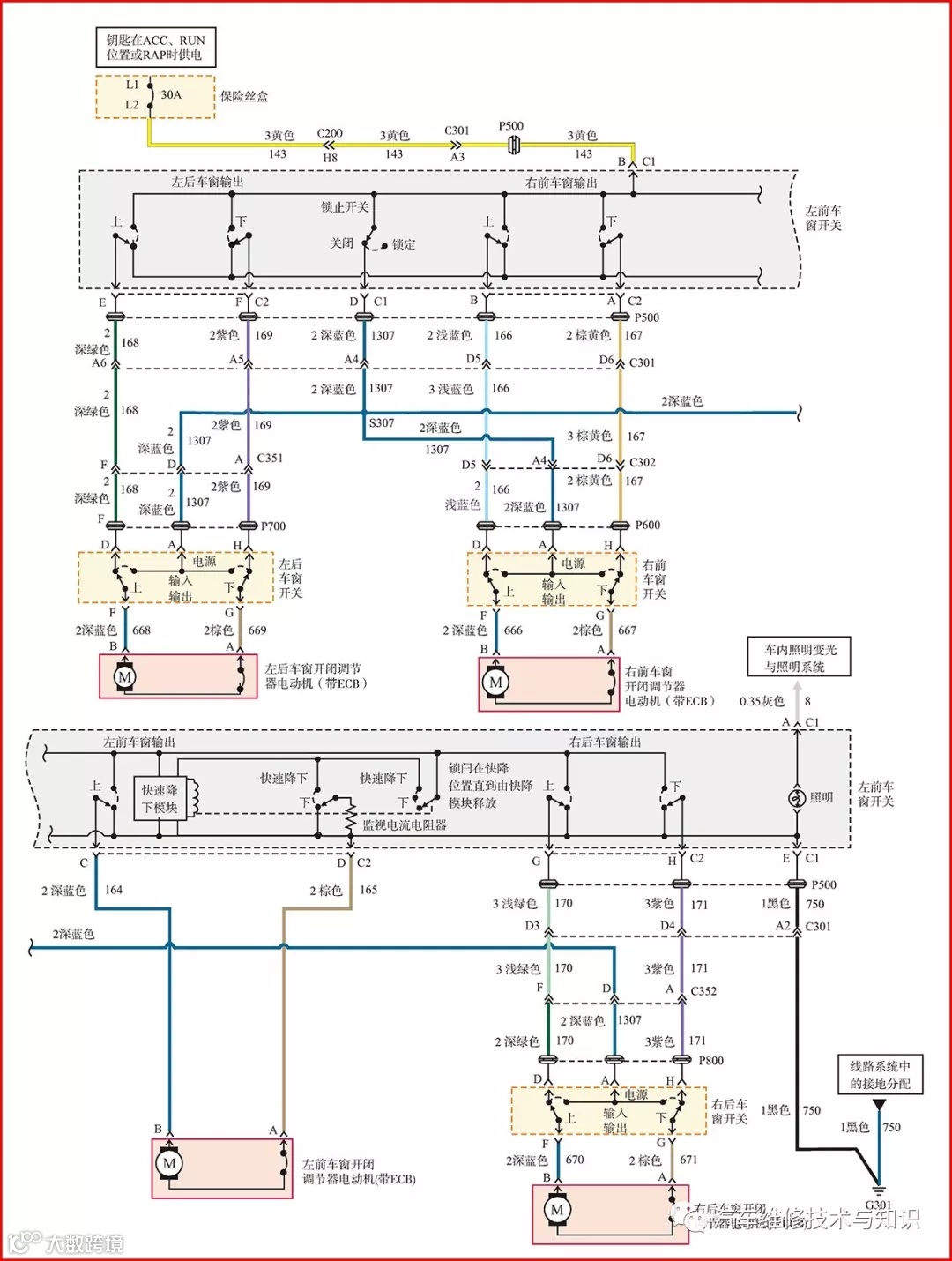
下图为别克君威电动车窗电路。君威轿车各电动车窗采用永磁电动机操作,若在电动机上施加电压,各电动机可升降玻璃。电压的极性决定了电动机的旋转方向,车窗开关控制电压极性。左前车窗可以操纵4 个车门的玻璃升降器,在左前车窗开关上有锁止开关,当锁止开关锁定时,各分控车窗开关将不能操纵车窗。另外,左前车窗具有自动升降功能。

供电电路:当点火开关处于ACC 、RUN位置时或当附件延时RAP继电器启用时,电压通过保险丝盒内30A保险丝L1-L2 供电给左前车窗开关的C1-B端。
1. 锁止开关的操作
左前车窗开关包括一个锁止开关。锁止开关用于取消车窗开关上的电压,该操作可阻止从单个开关操纵车窗。仍可按正常从左前车窗开关操纵车窗。
当锁止开关位于关闭位置时,到达左前车窗开关C1-B端的电压→锁止开关关闭触点→左前车窗开关C1-D端后,分别供给左后车窗开关A端、右前车窗开关A端、右后车窗开关A端。为单个开关操纵车窗提供电压。
当锁止开关位于锁定位置时,左前车窗开关C1-B端与左前车窗开关C1-D端断开,从而断开各车窗开关上的电压。
2. 左前车窗的控制
左前车窗开关内的锁止开关无论位于锁定还是关闭位置时,操作左前车窗开关内的上升或下降按钮,都可以让左前车窗上升或下降。
① 车窗上升
当按下左前车窗开关内的左前车窗开关上升按钮时,到达左前车窗开关C1-B端的蓄电池电压→左前车窗开关上升触点→左前车窗开关C2-C端→左前车窗开闭调节器电动机B端→左前车窗开闭调节器电动机→左前车窗开闭调节器电动机A端→左前车窗开关C2-D端→左前车窗开关C1-E端→G301搭铁。此时左前车窗电动机运转,左前车窗上升。
② 车窗下降
左前车窗开关C1-B端与C2-D端导通,C2-C端与C1-E端导通,左前车窗电动机通过与上升方向相反的电流控制,此时电动机反转,左前车窗下降。
君威电动车窗带有防夹功能,当选择自动升降模式时,检测电路随时检测电动机控制电流的变化,并反馈给电动车窗控制装置控制电动机的正转或反转。
3. 乘员侧车窗的控制
前提条件是锁止开关要关闭,接通各分控开关的供电电路。以左后车窗控制为例,左后车窗的控制方式可分为左前车窗开关控制和左后车窗开关控制。下面以车窗的上升操作为例。
① 操作左前车窗开关
车窗上升:当操纵左前车窗开关中的左后车窗上升按钮时,到达左前车窗开关C1-B端的电压→左前车窗开关上升触点→左前车窗开关C2-E端→左后车窗开关D端→左后车窗开关F端→左后车窗开闭调节器电动机B端→左后车窗开闭调节器电动机→左后车窗开闭调节器电动机A端→左后车窗开关G端→左后车窗开关H端→左前车窗开关C2-F端→左前车窗开关下降触点→左前车窗开关C1-E端→G301搭铁。此时左后车窗电动机运转,左后车窗上升。
② 操作左后车窗开关
当锁止开关位于关闭位置时,左后车窗开关得电。车窗上升:操纵左后车窗开关的上升按钮时,到达左后车窗开关A端的电压→左后车窗开关F端→左后车窗开闭调节器电动机→左后车窗开关G端→左后车窗开关H端→左后车窗开关C2-F端→左前车窗开关内部下降触点→左前车窗开关C1-E端→G301搭铁。此时电动机运转,左后车窗上升。
其他车窗可按类似方式从相应车窗开关操纵。


广州东方酷科汽配商行
广州星际丰汽配商行

