
一辆行驶里程约1.8万km的2017款奔驰E200L轿车。用户反映:该车发动机故障灯亮。
故障诊断:启动发动机后发现仪表上的燃油表显示有半箱油,正常,试车车辆可以正常启动和行驶。
连接诊断仪进行快速测试,燃油泵控制单元N118有存储状态的故障码:P254000,燃油低压回路的压力传感器信号不可信;发动机控制单元N3/10有存储状态的故障码:P146364,低压燃油压力和燃油温度传感器在计算燃油压力时存在功能故障,存在一个不可信的信号。
此车装配带直接喷射和废气涡轮增压系统的4缸汽油发动机,代号M274。
M274有以下特点:
·采用高压油轨直接喷射与废气涡轮增压相结合
·喷束定型直喷技术,喷射压力.可达20000kPa
·用于燃油多次喷射的快速开关压电式喷油器
·根据需求多次点火
·电动冷却液泵,按需控制,明显降低油耗及排放
在所有工况下,燃油供给系统都会以充足的压力将足量的经过滤燃油从燃油箱输送至燃油系统高压泵,高压泵将燃油通过高压管路和油轨传输至4个气缸的喷油器(Y76/1~Y76/4),系统包括燃油低
此外N3/10还将规定的燃油压力也发送至N118,N3/10根据当前发动机燃油压力和负荷要求计算规定燃油压力(燃油要求),根据燃油要求,在燃油压力约为400~670kPa时,以此方式将燃油输送量调节在0~130L/h之间。燃油系统控制单元N118相应地促动燃油泵M3,评估燃油压力并将其通过传动系统控制器区域网络(CAN)传输至N3/10,燃油压力由燃油压力传感器(B4/7)进行记录,燃油系统控制单元直接读取燃油压力传感器的信号。燃油泵将燃油从供油模块中吸出,然后将其通过燃油滤清器泵入高压燃油泵中(不带回流管的单管路系统)。燃油滤清器中的溢流阀在燃油压力约为700~900kPa时打开。止回阀位于燃油滤清器供油管路中,可防止燃油压力在燃油泵关闭时降低(低于450kPa)。燃油压力传感器还记录燃油温度。
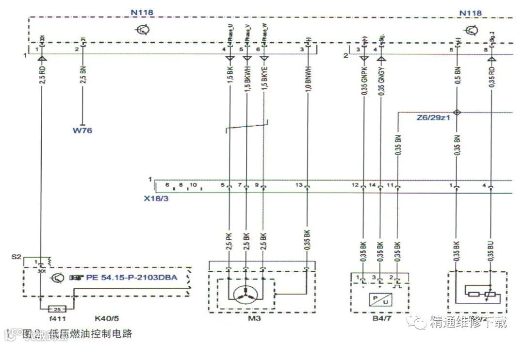
燃油低压回路的液压图和电路图,如图1、图2所示。


燃油高压回路产生喷射引导型直接喷射所需的约20000kPa的燃油高压,在油轨中进行调节和存储,油量控制阀(Y94)安装在燃油高压泵上,油量控制阀根据要求和特性图控制方式调节至燃油系统高压泵元件中的燃油量。为此,发动机控制单元N3/10评估燃油压力和温度传感器(B4/25)的信号,通过脉冲宽度调制(PWM)信号促动油量控制阀Y94,直至油轨中达到设定燃油压力;燃油压力和温度传感器B4/25安装在油轨上。燃油系统高压泵将燃油通过高压管路和油轨传输至燃油喷射系统的4个气缸的喷油器(Y76/1~Y76/4),之后它们由发动机控制单元N3/10进行促动。
在发动机怠速和换挡杆位置为N或P时,压力降低至约13000kPa,以降低燃油系统高压泵的噪音排放。热态发动机停止时,燃油压力可提高至25000kPa(+1700kPa)。在这种情况下,燃油系统高压泵处的油量控制阀打开且压力降低。调节燃油高压回路期间,区分为以下几种工况:启动、正常模式、低压应急运行模式(未达到燃油高压)、停止。
启动工况时,油量控制阀Y94通电并关闭。燃油系统高压泵在处于最大容积时输出油轨中的压力快速形成,低压侧的燃压力为450~670kPa。
正常模式工况时,发动机控制单元N3/10通过脉冲宽度调制方式促动油量控制阀并调节所需燃油量,低压侧的燃油泵压力为450~670kPa(取决于发动机转速和燃油温度)。
低压应急运行模式(未达到燃油高压)工况时,油量控制阀未通电并打开,燃油泵压力为450~670kPa,燃油通过打开的油量控制阀流入油轨中。喷油器促动较长时间,在低压应急运行模式下,发动机以降低输出的方式操作。最高车速为70km/h。
停止工况时,油量控制阀Y94未通电并打开,油轨中的燃油压力降低,燃油泵不再促动。
整个燃油供给系统的工作原理图如图3所示。

连接诊断仪查看燃油泵控制单元N118的实际值,如图4所示。

通过对比可见,正常情况下燃油泵电流3A左右,电压5V左右,转速3000r/min左右,燃油泵当前的占空比40%左右,低压燃油压力就可以达到600kPa,而此车燃油泵的电流、电压、转速和燃油泵当前的占空比均是正常车的1倍左右,燃油压力才达到正常车的水平,因此,N118设置了故障码P254000燃油低压回路的压力传感器信号不可信。
根据燃油系统的工作原理和故障码及冻结数据分析,可能原因有:
(1)软件故障;
(2)低压燃油压力和温度传感器B4/7失准;
(3)燃油泵M3机械故障,泵油效率低;
(4)线路问题,比如B4/7,M3的插头腐蚀,过渡电阻过大;
(5)粗滤、滤芯或油管堵塞,泵油阻力大;
(6)炭罐堵塞,或炭罐电磁阀常开,导致油箱负压过大,泵油阻力大。
首先尝试对燃油泵控制单元N118进行软件升级,升级后发动机故障灯熄灭,但是试车时发动机故障灯再次亮起;为了排除炭罐堵塞或炭罐电磁阀常开的可能性,将油箱盖松开,试车,结果故障依旧;检查低压燃油压力和温度传感器B4/7以及燃油泵M3的插头无腐蚀或插针松旷现象,拆下燃油泵总成检查盖板下面的插头也无腐蚀或插针松旷现象;目测检查燃油泵的粗滤没有明显的堵塞现象;因为低压燃油压力和温度传感器B4/7、燃油泵M3,燃油细滤器以及溢流阀、止回阀均不单独提供,只以油泵总成的形式供货,所以为了确定故障原因,将正常车的燃油泵总成替换到故障车上,结束试车,故障不再出现,相关参数实际值恢复到正常范围。
综合分析故障原因可能是燃油滤清器堵塞,阻力过大,虽然最终可以达到正常的燃油压力,但是导致燃油泵的电流、电压、转速和燃油泵当前的占空比过大,燃油泵控制单元N118误判为燃油压力和温度传感器B4/7的信号不可信,从而设置故障码P254000,点亮发动机故障灯。
故障排除:更换燃油泵M3总成后,燃油泵控制单元N118实际值恢复正常(如下图),故障排除。
故障总结:奔驰从A级车(177)开始上市的最新车型采用了第五代燃油供给系统,车型包含167、X167、177、247、118等,供应商是Hella(海拉),通过查看快速测试巾燃油泵控制单元N118的控制单元信息就可以识别,GEN5是英文GENERATION 5的缩写,是第五代的意思。
对于2016年上市的全新E级车(213)仍然采用的是第四代燃油供给系统,供应商是Continental(大陆)。
第四代及之前各代的燃油泵控制单元N118安装在车内,而第五代N118安装在车外,所以插头有防水塞等防水措施。
燃油压力传感器134/7从第四代开始还记录燃油温度,而之前只能测量燃油压力,传感器数据更加丰富。
燃油液位信息,在第四代燃油系统之前都是由后SAM(N10/2)通过直接读取左侧和右侧燃油箱燃油液位读数液位传感器(134/1和134/2)的数据计算得出的,而从第四代开始,燃油泵控制单元N118负责计算并评估燃油箱的加注液位。
燃油泵控制单元是怎么出现的呢?这个问题的回答和汽车电子的发展密不可分。最早的燃油泵不是在油箱附近,而是由发动机通过机械方式直接带动的。随着电机的发展,将油泵电气化,使之远离发动机。这个时期是通过一个继电器进行控制。后来电子技术不断发展,排放法规也越来越严格。所以就要减少汽车当中不必要的能量损失。在供油方面,减少油泵的能量损失在电子技术发展的情况下成为现实。所以燃油泵控制单元的出现其实是替代了油泵继电器的地位。此外燃油箱燃油液位的监控,随着模块化概念的推进,软硬件的整合,液位传感器和燃油泵均整合在燃油泵控制单元N118的靡下了。
从第四代燃油供给系统开始采用带有永久磁铁的三相交流电机燃油泵取代之前的带有永久磁铁的2线直流电机燃油泵,与直流电机燃油泵相比,三相交流电机燃油泵具有更高的输出功率。(图文来自互联网原者可联系删除)
文章内容仅供学习交流参考,欢迎转发,欢迎指正,欢迎维修大师傅提供宝贵维修知识分享,让生活更美好。
特别鸣谢广州东方酷科(星际丰)汽配商行,欢迎添加服务微信号采购配件:mmggppqq


