
一辆行驶里程约2600km的2020款奔驰S450L轿车。用户反映:该车发动机故障灯亮。
故障诊断:试车检查发现仪表上的发动机故障灯亮,发动机平衡性和动力性未见异常,没有抖动和加速无力的现象。

连接诊断仪进行快速检测,发动机控制单元N3/10设置了存储状态的故障码:“P240726蒸发排放控制系统诊断模组中的泵存在偶尔的功能故障,信号变化率低于允许极限值。”
查看此车的车籍卡,包含配置代码945(中国尾气净化等级6),也就是此车满足2019年计划实施的国六排放标准,此前的国标要求燃油蒸气不得排入大气中,因此应将其先存放在燃油箱和活性炭罐中,当活性炭罐接近完全饱和时,则燃油蒸气以特定间隔被内燃机抽出并燃烧;而国六全面强化对VOCs的排放控制,引入48h蒸发排放试验以及加油过程VOCs排放试验,将蒸发排放控制水平提高到90%以上”以往通过活性炭罐存放回收燃油蒸气的系统无法满足要求,国六法规要求以相同的时间间隔检查燃油箱的密封性,所以必须要带泄漏测试的净化系统。
此系统示意图和燃油箱透视图如图1、图2所示。

带泄漏测试的净化系统的功能要求:
·关闭发动机
·电路15断开
·环境温度介于4~35℃之间
·空气压力大于780hPa(即海拔高于约2500m时不进行测试)
·燃油箱中的燃油液位介于15%~85%之间
·蓄电池电压高于11V
·油箱盖关闭
·相应的促动器或传感器无故障
带泄漏测试的净化系统工作原理如下:发动机控制单元(N3/10)对超过与未超过燃油箱诊断模块(A101)中参考泄漏时燃油箱中形成过压期间的耗电量进行比较,以检查燃油箱的密封性。为了避免因凝结或结冰导致错误测量,通道作为参考泄漏点通过燃油箱诊断模块加热元件(A101r1)加热。净化转换阀(就是炭罐电磁阀)必须关闭(转换阀未被促动二净化被抑制)。
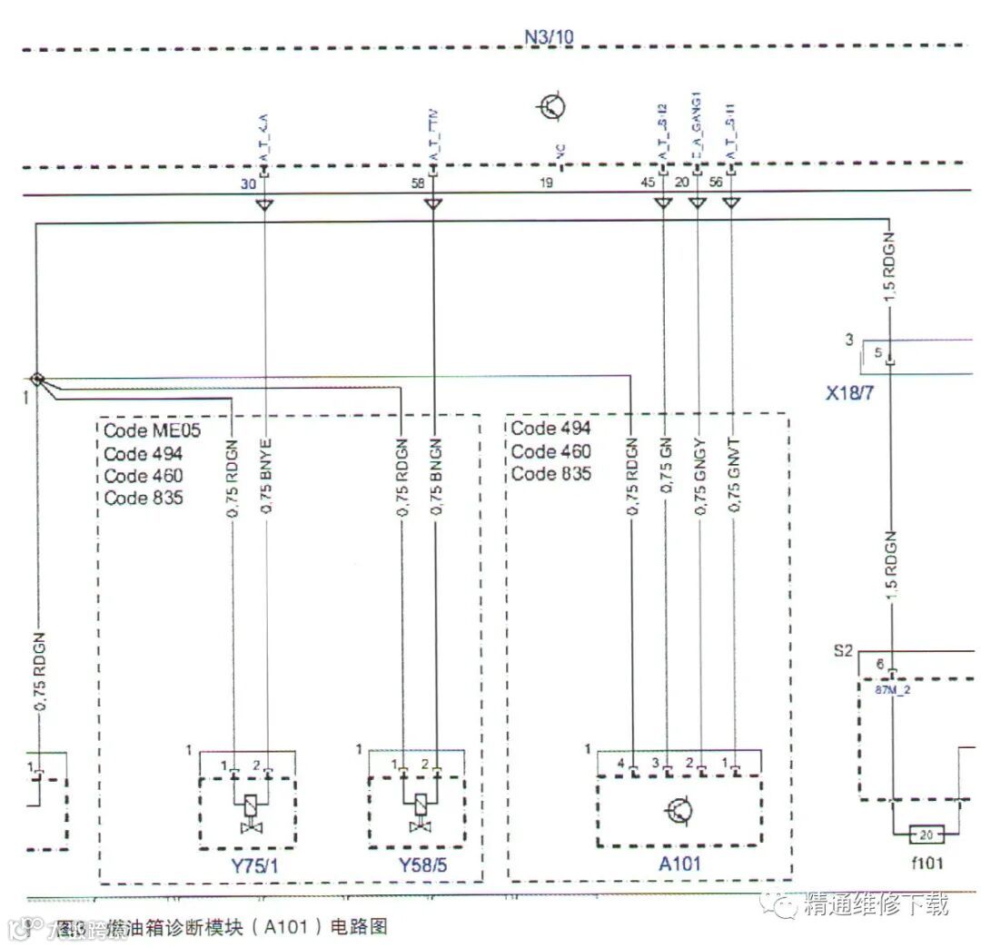
燃油箱诊断模块(A101)电路图如图3所示。

国六的油箱盖与国五的油箱盖明显不同,盖子上用英文标注了提示“A LOOSE CAP MAY TURN ONTHE CHECK ENGINE LIGHT”
(油箱盖松动可能导致发动机故障灯亮)。
系统的测试顺序:
·车辆处于驻车状态且点火开关关闭
·发动机控制单元启用故障诊断
·燃油箱诊断模块电磁阀(A101y1)关闭活性炭罐的通气和通风
·燃油箱诊断模块泵(A101m1)通过内部参考泄漏点泵送空气,并测量程序所需的电流
·诊断模块中的电磁阀进行切换,且泵将参考压力泵入燃油箱,在此操作阶段也会测量电流
测量期间,如果超出了参考泄漏点的电流值,则燃油箱及其通气和通风系统密封性良好,否则可确定发生泄漏。泄漏程度由泵达到特定的参考电流所需的运行时间来确定。
如果油箱盖打开(如添加燃油时),则诊断中断。
检测到的所有泄漏均存储在发动机控制单元的故障码存储器中,如有发现故障出现两次,则仪表盘中的发动机故障灯亮起。
压力增长还取决于燃油箱中的燃油液位,由发动机控制单元通过左侧和右侧燃油箱燃油液位指示器液位传感器(134/1、134/2)评估确定。
如果A101检测出以下情况:①油箱盖没有拧紧;②油箱盖密封圈破损;③炭罐电磁阀、炭罐、燃油箱诊断模块(A101)、油箱这几个部件之间管路接头或管路有泄漏点;④油箱上的的油泵单元处有泄漏点,比如插头插壳漏气;则N3/10可能会设置故障码P04427A一识别到燃油挥发排放控制装置内微小泄漏,识别到泄漏或密封件损坏。
根据此车带泄漏测试的净化系统EVAP的工作原理和故障码P240726分析,可能的故障原因有:
(1)蒸发排放控制系统诊断模组A101内部电气故障;
(2)蒸发排放控制系统诊断模组A101连接器接触不良。
车主于2019年11月9日购车,因发动机故障灯亮于2019年12月31日(1577km)到店检查,从冻结数据分析,第一次设置故障码P240726的里程是1120km;查看此车实际值燃油液位83%,介于15%和85%之间。检查炭罐和A101燃油箱诊断模块之间的管路没有发现异常(如图4所示),最后检查油箱盖,检查发现油箱盖上下颠倒了,并且没有拧紧;检查蒸发排放控制系统诊断模组连接器无腐蚀、损坏或接触不良的情况;拧紧油箱盖,删除故障码后试车,故障灯不再亮起。于是给客户讲解,注意油不要加的过满,油箱盖要位置正确并且拧紧,继续使用此车并观察。

但是行驶了两周后车主致电说故障再次出现,于2020年1月18日到店检查,从冻结数据看故障码P240726于1712km时再次出现;按照故障码P240726的引导测量A101转换阀流量消耗电流值在0.2~0.6A之间;泵流量消耗电流值在15~40之间;加热器耗电量电流值在200~500mA之间;综合分析故障原因为蒸发排放控制系统诊断模组A101中的泵存在偶尔的功能故障。
故障排除:更换蒸发排放控制系统诊断模组A101(如图5所示)后经过1周的观察,故障不再出现。

故障总结:蒸发排放控制系统是随着国六排放标准执行出现的新系统、新技术,常见的故障是因为油箱盖没有拧紧或系统存在细微的泄漏点,报故障码P04427A识别到燃油挥发排放控制装置内微小泄漏,识别到泄漏或密封件损坏。泄漏量往往比较轻微,导致故障现象通常为偶发性,这无形中增加了车间技师的诊断难度。车间技师在处理此类案例时如果通过替换件进行测试,不但需花费大量的时间与人力,而且经常出现没有明确的故障结论。建议使用烟雾泄漏测试仪进行EVAP系统的分段测试,但是由于EVAP系统存在安全方面的特殊性,在对此系统进行测量时,必须使用惰性气体执行测试,否则存在安全事故风险。
如果是报与此车相同的故障码,则A101本身偶发电气故障的可能性很大,可以使用替换法进行确认。(图文来自互联网原者可删除)
文章内容仅供学习交流参考,欢迎转发,欢迎指正,欢迎维修大师傅提供宝贵维修知识分享,让生活更美好。
特别鸣谢广州东方酷科(星际丰)汽配商提供文章内容,欢迎添加服务微信号采购配件:mmggppqq


