点击上方标题下「美加达自动波」可快捷关注
关键词:6HP “D”制动器 副活塞 平衡油压
自2001年德国采埃孚(ZF)公司成功推出全球首款型号为6HP-xx6速自动变速器以来,迅速被一些高端车型厂家列为标准配置产品之一。如宝马、捷豹、路虎、劳斯莱斯、奥迪、大众、通用、福特等系列车型均在使用这款6HP-系列变速器。
6HP-系列变速器最大特点就是:利用极少的换档执行元件(5个)来控制一套所谓的“莱配莱捷式”行星齿轮组(实为一套拉维纳与一个单级单排齿轮组组成)就能够实现出6前1倒的变速功能,同时该变速器也真正实现了机电液一体化控制功能(电子液压模块集成在一起)见图1。

图1采埃孚6HP变速器机械结构图
多年来随着市场使用中信息反馈的变化,采埃孚从结构与控制中(软件与硬件)也经历了一次重大更新。因此在后市场维修中大家从2006年开始划分界限,也就是06年前的6HP-为老款型06年后为新款型。无论是新款还是老款我们发现在6HP-变速器5个元件当中唯独“D”制动器在设计中出现了D1、D2两个制动器油缸,而且D1、D2两个制动器都设计了制动器控制阀和保持阀(相当于一个元件由4个阀门来控制),那么这两个制动器(D1、D2)是基于什么设计理念,变速器在运行时D1、D2又是如何工作的,这是大家当前想要得到的问题。因此接下来我们通过从该元件的作用、结构以及电子控制等几个方面充分解析“D”制动器的设计原理。
首先我们来认识一下“D”制动器这个元件在该变速器中的作用,在6HP-XX系列自动变速器中的“D”制动器,也称1/R档制动器,该制动器在P-R-N-D1档位置参与工作(见图2和图3);它负责后排那维拉行星齿轮机构行星架的制动与释放过程,当“D”制动参与工作行星架被制动时,即可实现D1/R档的动力传递功能。

图2一档动力传递简图

图3倒档动力传递简图
在电子控制当中6HP-XX系列变速器均具有打滑自适应功能,而这一功能的实现恰恰又是借助于“D”制动器来完成的。在车辆停止而发动机怠速运行时,会进行充油压力的自适应,即电脑慢慢降低离合器(或制动器)控制压力,直至识别出一定的打滑量,即使变扭器的输出扭矩,刚能“拉转”离合器或制动器为基准;通过压力的自适应适配,可以补偿换档执行元件摩擦系数的变化,并抑制冲击和坐车现象的出现,最终电脑通过学习并存储一个最佳值。具体来讲当变速器未处于动力档(P/N档位置)时发动机刚刚启动后车辆静止状态(此时一定是制动停车状态),由于“D”制动器的工作会给输入轴(变扭器涡轮)一个轻微扭矩的扰动,这一点微妙的变化瞬间就会被电脑识别到,因此这时电脑就进行了初期时的“D”制动器的自适应过程,而真正的所谓的“打滑自学习”是发生在挂动力档车辆未起步前。这也是我们经常所了解的“N-D”和“N-R”的入档品质自学习,由于在没有挂动力档之前“D”制动器早早就接合了,挂前进档时“A”离合器通过调节来接合,挂倒档时“B”离合器通过调节来接合。为了使每一次的挂档感觉都能舒适的完成,在6HP-系类变速器当中出于技术原因,“D”制动器就是借助打滑自适应来完成其最佳工作状态的学习过程,并通过不断的调节来满足自适应条件;当制动器D打开到一定打滑量出现程度时就会再闭合上。打滑自适应条件是:故障存储器内无故障存储、发动机怠速、ATF温度在75°C-100°C之间、踩下制动器并由N挂入D档、车辆停止(识别出无车速的时间必须超过6秒),利用同样的方法来完成倒档位置的“D”制动器的自适应过程。为使打滑自适应学习值能被精确、快速计算出来,并在一定界限范围内得到快速的补偿修正;6HP-XX系列自动变速器的“D”制动器在设计中采用了D1、D2两个控制油缸,D1工作容积大、对压力反映较慢;而D2工作容积小、对压力反映较快;D1、D2在EDS-4电磁阀控制下同步工作,可使D制动器迅速完成打滑自适应过程。这一过程也体现在2-1、停车制动时,是引发1-2、2-1、停车时冲击的根本原因之一。具体的工作过程在后面我们会继续学习。
另外6HP-XX系列变速器还具有换档过程中的充油压力自适应功能(换档点自适应功能),除了“D”制动器没有此项功能外其它4个元件(A、B、C、E)均具备充油压力的自适应功能,也是通过涡轮转速曲线,即所谓的咬入点与转速梯度,来确定自适应压力值,这是因为当变速器换档传动比改变时发动机转速都会有微量的变化,继而对输入轴(涡轮)转速也形成转速上的变化,这样电脑在完成换档品质控制功能的基础上也完成了参与的换档执行元件本身的自适应,而在6HP-XX系列自动变速器5个元件中的“C”制动器还具备最明显的快速自适应元件。那么这一功能的实现完全是借助于该变速器对终端换档执行元件的控制采用一对一功能来实现的(老款仅有EDS4电磁阀既控制“D”制动器还要控制“E”离合器)结果。其实就是在6HP-XX系列变速器中的各离合器或制动器控制压力与各个对应电磁阀的控制电流之间的关系,在设计关系上是由电磁阀工作特性曲线和随动液压滑阀来确定的,这些特性曲线取决于某些部件的实际公差,并随使用程度而不断变化并适时得以修正。
总而言之无论是打滑自适应功能还是换档自适应功能,电脑总是要学习电磁阀电流与阀门弹簧硬度以及终端元件所确定的压力之间的对应关系。“D”制动器打滑量由TCM根据输入轴转速传感器G182信号,通过精确计算涡轮转速获得,并由TCM控制电磁阀EDS-4的控制电流,使打滑量与电磁阀EDS-4控制电流之间,形成一较完美的比例关系,就算完成了之前我们所讲的打滑自适应学习过程(在维修时可观察相应的数据流组验证)。自动变速器在行驶过程中,除了换档点自适应外还会进行换档元件A、B、C和E的脉动自适应,也就是说各换挡元件根据实际控制需要,将被以脉动形式(即有节奏地)激活工作;由于“E”离合器负责输入轴与后排那维拉行星齿轮机构行星架的连接与释放,“E”离合器接合时方可实现4/5/6档动力传递功能,与“D”制动器没有条件冲突因此老款6HP-变速器的“D”制动器可与“E”离合器公用电磁阀EDS-4控制;那么电脑则采用封段记忆、档位激活的法则工作(通过该变速器油路图即可得知)。接下来我们通过“D”制动器的实物结合其工作油路再次进行学习总结。
我们都知道目前一些新型自动变速器的离合器结构有所变化,那就是通过使用一个俗称“副活塞”(在6HP里翻译过来叫挡板)的元件与离合器主活塞间形成动态离心压力腔(也叫压力平衡腔),注意这个“副活塞”仅有外部密封圈并没有内部密封圈,由于离合器是属于旋转部件因此借助于两个活塞之间的离心压力来实现元件接合时的缓冲及释放过程,最终目的是改善换档质量(利用平衡腔内的动态离心油压为主活塞内的油压实现缓冲)。而在6HP-变速器当中A、B、E均是带有压力平衡腔的离合器(见图4),但在制动器上使用两个活塞在目前还是首例。而在6HP-变速器里“D”制动器就是使用两个活塞(一大一小)见图5。

图4新式离合器的结构原理图(6HP中的E离合器)

图5“D”制动器结构实物图
在“D”制动器未解体之间我们进行该元件的加压试验(见图6),从整个结构(小活塞D2安装在大活塞D1里面然后是碟形回位弹簧及卡簧)及压力试验后的结果我们看到主活塞(大活塞)D1工作后的复位过程是靠碟形弹簧来实现的,而通过D2活塞供油孔给小活塞D2打压再次释放后碟形弹簧并不能使D2复位,必须再次给D1加压后一起使D1和D2同时回位。

图6“D”制动器D1和D2活塞供油孔位置
与离合器不同的是D2活塞内外均有密封圈(见图7)否则其也不会动作,它不像离合器那样能够旋转并借助动态离心压力来实现缓冲能力。D2活塞的外密封圈被安装在D1活塞的内测,内密封圈被安装在“D”制动器鼓上,这样在D1和D2之间就形成一个密封空间,当有油压进入时D2就会在D1上动作。D2动作后并不能使“D”制动器摩擦组件接合产生摩擦力。只有当油压作用到D1活塞室里“D”制动器摩擦组件才能正式工作产生足够的摩擦力将行星排中的行星架刹住,才能实现前进一档和倒档功能。很明显假如D2油缸先进油或与D1同时进油当D1动作时D2内的平衡压力就会给D1活塞移动时一个缓冲作用,最终得以该行星排中的行星架平稳刹住,这在变速器进行2-1档时起到了换档品顺的效果。另外D1单独工作时D2也不受影响,同时即便D2始终进油也不影响变速器各档位的切换,因此在“D”制动器进行打滑自适应和2-1档时D2都发挥了及其重要的作用。

图7“D”制动器D2活塞及供油

图8“D”制动器D1活塞及供油
接下来我们再从液压油路方面还看一下“D”制动器在不同档位下工作状态。其实就6HP-系列变速器目前来讲液压油路方面有4个版本(大体是两个版本新款和老款):老款两种即电子选档杆和非电子选档杆,新款也是两种也是电子选档杆和非电子选档杆。最为关键的并不是带不带电子挂档杆而是在于新款和老款的五个换档执行元件与之对应控制的高频率电磁阀上的区别,那就是在前面我们曾讲过的老款的6HP中EDS4号电磁阀既控制“D”制动器同时还控制“E”离合器,而新款的6HP当中“D”制动器则是由EDS6号电磁阀控制“E”离合器则仍然是EDS4号电磁阀来控制,所有元件均是采用独立控制式。其它的我们暂且不去了解就“D”制动器来说早期的EDS4是一个反比例控制类型的高频率电磁阀,而新型的EDS6则是一个正比例控制类型的高频率电磁阀,因此不同时期的“D”制动器的油路控制区别还是比较大。
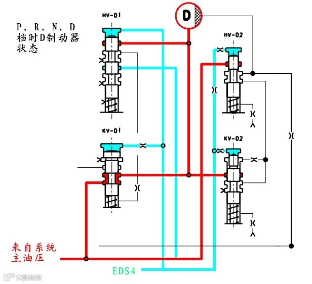
在老款6HP系列变速器当中并没有对“D”制动器的D1和D2有过多的描述,无论从“D”制动器机械结构还是从其液压油路中分析,都要比新型6HP系列(D是独立控制)中“D”制动器的控制策略差得很多。所以说“D”制动器的D1和D2更容易在新型6HP当中显而易见的暴露出其设计机理来。这样我们就分别从“D”制动器的老款与新款油路中来探索其设计上的真正用意。首先我们来看早期6HP的“D”制动器油路的接合与释放过程,从换档执行元件工作分配表得知“D”制动器是在P、R、N、D1位置工作的(见图9和图10),而在其它档位均是分离状态,同时也并没有对“D”制动器的D1和D2有任何说明。这样我们具体来了解一下“D”制动器在不同档位的状态,在P/N启动发动机时“D”制动器瞬间接合由于无其它元件参与因此无动力传递过程不必考虑其因压力的高低或与接合速度的关系而引起车身的振动,但由于“D”制动器的工作加之车辆输出部分是处于静止状态,因此也会给输入部分的涡轮一个很小的扭矩扰动,这样电脑也会对“D”制动器的接合有一个压力调节的自适应过程。

图9老款非电子挂档杆式6HP换档元件与电磁阀工作状态表

图10“D”制动器启动发动机后的状态
挂前进档或挂倒档后如果变速器在未满足打滑自适应要求时“D”制动器是处于一个保持状态,其工作压力是处于满足前进一档或倒档的起步扭矩就足够了;如果在满足变速器打滑自适应要求(油温、怠速、从“N”位开始信息、制动时间保持信息、故障存储器状态等等)执行该项目操作时,电脑会逐渐提高EDS4电磁阀的控制电流以降低“D”制动器控制压力,一直到其有滑转(微量打滑在5-20r/min)然后逐渐降低EDS4电磁阀的控制电流使“D”制动器再接合(这个信息的监控是通过输入轴转速传感器G182精确计算到的),通过反复的接合与分离过程电脑最终确定并得到一个最佳精准自适应匹配值同时也完成了“D”制动器打滑自适应的过程。
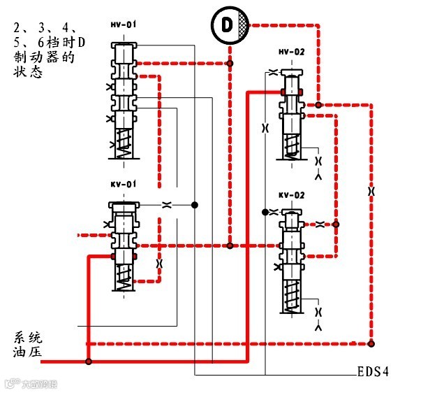
当变速器离开倒档和前进一档进入2、3、4、5、6档后“D”制动器一直是处于分离状态(见图11),也就是D1压力腔和D2压力腔均没有油压保持。

图11“D”制动器分离状态
从“D”制动器的接合及分离状态来看似乎并没有看出该制动器使用D1和D2两个油腔的真实用意来,其实并不是这样我们刚才只是看了“D”制动器的初期接合过程和其它档位的释放过程,但并没有去学习它的再次重新启动过程,那就是当变速器执行2-1档时和前面已经讲过的原地打滑自适应过程(见图12)。当变速器执行2-1档时“D”制动器首先要完成其预充油过程,这个过程是变速器即将要切换到1档前来完成的,此时“D”制动器的D1油路完成的基础油压(预充油)该压力还不能足以使D1活塞动作恰恰是处于要动作的临界点,这时由于电脑对EDS4电磁阀的电流控制的大小关系D2油腔也充入了一点压力油,当切换1档的瞬间电脑要通过EDS4完成“D”制动器的快速充油时间,此时由于D2油腔有预存油压力该压力便给D1内的系统工作压力实现一个缓冲,“D”制动器完成平稳接合过程,这样就避免了2-1档时的冲击。当我们进行该变速器的打滑自适应学习功能时(N-D或N-R),电脑也是不断通过改变EDS4电磁阀电流大小来实现这一过程的,那么在改变电磁阀电流大小过程中就会使“D”制动器D2腔进油,因此当“D”制动器每一次重新接合时D2腔的平衡压力也会给D1压力腔的油压一个缓冲,同时由于反作用力的原因也加快了“D”制动器的打滑自适应过程,让“D”制动器尽快完成自学习(注意:在2-1档及打滑自适应方面的缓冲控制并不理想,这是因为D2腔并没有提前的预充油过程)。

图12“D”制动器重新启动过程(并不是重新启动发动机过程)
小结:综上所述我们便基本掌握了老款6HP系列变速器在“D”制动器中使用D1和D2两个压力腔的设计原理,大体来讲D1是工作腔而D2是平衡腔,因此其真正目的就是:一要尽快完成“D”制动器的打滑自适应功能,而是要保证变速器2-1档时的换档品质,但由于设计上的问题电脑对EDS4不能采用分段记忆控制功能,换句话讲就不能让一个EDS4分别控制E和D两个元件,这样大家便会知道早期车辆常犯的2-1档冲击故障原因了。
最后我们再来看一下新款6HP系列变速器对“D”制动器的控制,根据其换档执行元件工作表便可知道“D”制动器D1和D2两个油压腔在不同档位时的状态(见图13)。

图13新款非电子挂档杆式6HP换档元件与电磁阀工作状态表
很显然在新款6HP系列变速器当中对“D”制动器的D1和D2有了详细的说明,与老款6HP系列变速器相同的是当变速器处于P、R、D位一档时油压仅是通过D1油压腔进入使其工作的(见图14),而不同的是当变速器执行在其它前进档位时以及挂档杆处于“N”位置时D2腔内是有预存油压的,同时独立控制“D”制动器的EDS6是一个正比例控制类型的电磁阀以及控制油路也有所不同。

图14“D”制动器在P位置启动发动机后及挂入R档或D位一档时的状态
当变速器离开前进一档切换进入到2、3、4、5、6档后虽然“D”制动器是分离状态(D1压力腔无工作油压)但D2腔内仍然建立着预存油压力(见图15)。这样当变速器再次启动2-1档时“D”制动的接合一定会是相当的平顺以提高了变速器的2-1档感觉。

图15“D”制动器在其它前进档位时的状态
当变速器挂档杆处于“N”位置时电脑驱动EDS6电磁阀又是一个范围内的控制电流,此时系统油压即可进入“D”制动器的D1油压腔内同时也进入到D2油压腔内(见图16),这种设计恰恰是为了尽快满足该变速器对“D”制动器的打滑自适应,也刚好弥补了老款变速器在这方面的不足。

图16“D”制动器在“N”档位时的状态
小结:新款6HP系类变速器的“D”制动器采用D1和D2两个油压腔的设计,既保证了自动变速器2-1档的平顺性同时也真正满足了该变速器的打滑自适应要求。因此在维修中大家就会发现2-1档冲击的故障在新款6HP里不见了,并且大修变速器或更换变速器主要部件后的自适应很快就完成了。
从老款到新款6HP变速器大家不难看出“D”制动器采用D1和D2两个油压腔的设计机理在新款中表现更为突出。在新型自动变速器的新技术及设计理念当中或许还有更多的更多的东西需要我们去学习,艺无止境技艺追求任重而道远。

回复“简介”,查看美加达企业简介
回复“1”,为您推送最新到货产品
回复“2”,查阅自动波保养小窍门
如果您喜欢本文章,欢迎您分享和转载,感谢您的支持!


更多资讯请关注公众微信号:meijiada800006359


