点击图片上方关注【广州美加达自动波...】
2011款A6奥迪2.0T、01T变速箱,来修时该车选档杆D位、S位、手动模式急加油均明显耸车,客户反映之前更换过变速箱电脑、清洗过阀体、换过油,做过记忆值清零和匹配,但耸车故障未能解决反而越来越严重,几次维修未果之后联系我们帮忙诊断和解决这个故障,接车用5054、VCDS进行检测诊断,调取故障有06031 液压控制阀被污染故障、VCDS反映的数据06、07、10、11、12、18、19、65数据也都正常,针对06031故障分析应该是变速箱阀体及油品故障,电脑出现06031故障的机率极少,况且之前也更换过电脑因此电脑就不用再考虑,沟通客户给出维修方案,并告知客户这个故障属典型的阀体故障,原车电脑没有问题,可以将原车电脑重新装回变速箱,因这个车之前维修一直没有解决故障,而且还带病坚持工作了很长一段时间,担心长时间耸车会伤到链条和链轮缸,因此本着为客户负责任的态度,一次性解决这个故障,所以和客户沟通同意后维修分两步走,按照大修流程解体变速箱检查同时更换变速箱阀体、换回原车电脑。解体变速箱后,发现链轮缸、链条没有磨损,对输入轴打压测试正常,随后分解输入轴(6张摩擦片的)做进一步检查只发现小活塞在轴上的内缘稍有点松旷,其他检查均正常。这样将输入轴6摩擦片改为7摩擦片,更换输入轴小活塞、清洗装复并更换阀体和质量可靠地油品、同时换回原车电脑,一切装复完毕、清除故障代码以及记忆值清零,着车准备试车时车子前后挡均不走车了,变速箱齿轮灯突然点亮,此时吓了一跳,赶快用诊断电脑检测竟然有一个变速箱控制单元锁止故障代码,原来是防盗系统起控(断电造成的故障),经过在线奥迪防盗解码该问题解决,车子可以动作了,但是新的问题又出现了,档位在P档位置点火钥匙竟然熄火拔不出来,刚好已经到了和客户约定的交车日期,此时客户也将电话打过来询问车子维修情况,客户很着急可以理解,毕竟这个车我之前和我接手已经拖了很长时间了,但是钥匙拔不出来新问题的出现也是我始料不及的,和客户沟通了一下后还是先试车再说,试车、匹配后变速箱原来的所有故障都排除,这点是非常不错的,可是P档熄火后钥匙拔不出来的新故障却让我蒙了,仪表台和挂档座的档位指示正常而且都有显示,电脑检测各档位信号也正常,而且没有任何故障码,做引导故障查询也没有线索,05启动授权也没有作用,来之前没有故障的,这个问题不解决就无法交车.
一边和客户沟通一边继续查找故障,此时维修陷入僵局,但是再困难也得解决问题,静下心来好好分析一下这个钥匙拔不出来的故障应该是电气故障,现在仪表台和挂档座上的各档位指示信号都正常,而且利用数据流检查的方法检测各档位信息也正常,那么证明变速箱电脑多功能开关F125是没有问题的,这样就可以把变速箱电脑放在一边不去考虑,现在就只剩点火锁及点火控制模块问题嫌疑大一点,但是经拆解检测从挂档座到点火锁及模块各输入输出线路也没有找到问题,可以这样讲与点火钥匙有关的电路已经折腾了几个遍,还是没有排除故障,不过其中有一个奥迪服务站的朋友给提供了一个信息,他们曾经处理过相同的故障而且也弄好了几台车,方法就是调整挂档座,虽然这个朋友的方法我持怀疑态度,但是到这个地步也只能死马当做活马医了,其实是这样子操作的,把挂档杆下面的防尘装饰胶套取掉后就可以看到一个很深的孔,这个孔下面有一个5号内六角螺栓,螺栓是固定挂档拉线卡口的,也就是松开螺栓晃动挂档杆看档位指示信号来进行调整,同时将车辆举升另一个人在车下配合调整拉线,可惜折腾了一天钥匙还是拔不出来,没有办法的情况下,找了一个拆车挂档座带拉线的总成换了上去,这样又折腾了一上午,但还是没有解决问题,想想再这样折腾下去已经不是办法了,得好好静下来理理思路了,然后挨个询问车间所有动过该车的人,了解在维修该车的前后经过,车子有没有出现过什么异常现象?车间反映在把变速箱从车上抬下来之前因有颗螺栓不好拆,就把电瓶重新搭上电,因手上有油污就麻烦让业务员帮忙上车打一下方向盘(之前断了电瓶),结果插上点火钥匙听到仪表台及方向盘”噼里啪啦“响了几声,业务员反映当时钥匙就拔不下来了,是业务员自己用小一字刀捅点火开关应急按钮解锁的方法拔下的钥匙,当时也没有太多在意,也就没有及时反映这件事情,所以把这个重要线索给耽误了,了解了这些以后,大致有了个维修思路了,会不会是还是点火模块或钥匙防盗系统起控?如果是,那么处理这个问题已经超出我们的能力范围,原来是J518防盗控制模块出了问题,重新更换编程设定一个J518,折腾了几天的钥匙可以从点火开关拔出来了!现在故障是解决了,但是就这个问题所投入的人力、物力、精力也是很大的。以下是维修前后拍下的一些图片传上来给大家分享一下:

防盗起控走不了车时调取的故障代码

正常的P档位置维修数据

维修好后的正常数据

正常的R档位置维修数据

维修好变速箱D档位置正常数据

把6摩擦片改为7摩擦片的输入轴

分解挂档座

分解挂档座图片

分解的挂档座总成图片

调整挂档座拉线的图片,可以看到用于调整的内六角扳手

J518防盗控制模块

有问题的J518防盗控制模块

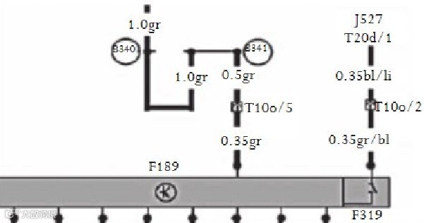
P挡锁止开关电路
最后分析造成这个故障的原因是电瓶亏电或断电时将钥匙插入点火开关,从而导致钥匙与J518防盗控制模块交换数据丢失,J518防盗控制模块识别不到J217变速箱电脑的P档位信号,故控制点火钥匙防拔锁电磁铁N376使得钥匙不能拔出,但可以采用应急措施将钥匙拔出,正常情况下换挡杆在P位时,会将P信号传递给转向柱电子控制模块J527,控制模块通过P档锁止开关F319(在手动换挡Tiptronic开关F189内)的信号来识别换挡杆位置,用该信号控制点火钥匙防拔出锁,对这个故障的出现,大家可以互动一下,比如曾经遇到过的该类故障解决方法或其它什么情况会导致该类故障出现,方便大家在以后维修中少走弯路。
美加达企业
(微信号:meijiada800006359)自动变速箱最专业资讯门户,专业维修技术通报,售后市场新咨询,零部件品牌介绍
☞☞也可点击文章标题下面蓝字直接关注
回复“简介”,查看美加达企业简介
回复“1”,为您推送最新到货产品
回复“2”,查阅自动波保养小窍门

如果您喜欢本文章,欢迎您分享和转载,感谢您的支持!


更多资讯请关注公众微信号:meijiada800006359



