
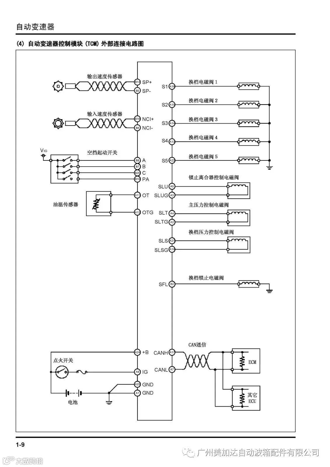
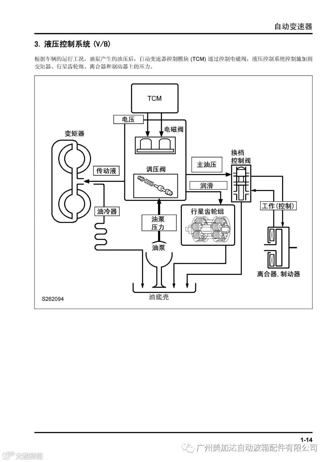
AW 55-51SN 自动变速箱型号介绍。
































订货采购热线:4008 567 020
美恒店:020-83501833 83489005
美腾店:020-37153033 37153036
美加达店:020-37228646 37227464
企业QQ:800006359
官方微信号:meijiada800006359
官方网站:http://www.gzmjd.cn/
广州美加达自动波箱配件有限公司
AW 55-51SN 自动变速箱型号介绍。
































订货采购热线:4008 567 020
美恒店:020-83501833 83489005
美腾店:020-37153033 37153036
美加达店:020-37228646 37227464
企业QQ:800006359
官方微信号:meijiada800006359
官方网站:http://www.gzmjd.cn/